volkswagen Workshop Repair Guides

Volkswagen Workshop Service and Repair Manuals

Removing and installing power-assisted steering vane pump > < Checking play, security and boots on tie rod ends
Running gear, axles, steering
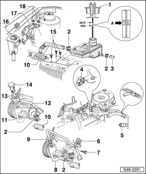
Assembly overview vane pump, reservoir, hydraulic pipes
Assembly overview vane pump, reservoir, hydraulic pipes

It is not intended that repair work be carried out on the vane pump. If complaints are received determine cause with the help of pressure tests, leakage test and fault finding programme running gear No. 10. If a fault exists renew vane pump.

Notes:

  • ◆ Pumps supplied as replacement parts are not filled with oil. Therefore it is essential to fill the pump with hydraulic oil Part No. G 002 000 and to rotate it by hand, otherwise the pump may be damaged or noisy during operation.
  • ◆ Type of oil: hydraulic oil Part No. G 002 000
  • ◆ Oil system capacity: 0.7 ... 0.9 ltr.
 
N48-0391
  • Cap with dip stick
    • ◆ Oil level: between min. and max. marks; Engine temperature approx. 50° C
    • ◆ Arrow A: oil level with engine cold
    • ◆ With engine cold, oil level must not rise above Min. marking
    • ◆ Screw cap fully on before checking oil level
  • Spring-type clamp
  • Return hose
    • ◆ Coloured marking alines with arrow on reservoir
  • Retainer
    • ◆ On gearbox mounting
  • Pressure switch
    • ◆ 15 Nm
 
N48-0391
  • Clamp
  • Hexagon bolt, 25 Nm
  • Vane pump
    • ◆ For vehicles not fitted with air conditioner
    • ◆ Checking delivery pressure
    • ◆ Before installing fill with oil =>Note Page 48-96
  • Union nut, 30 Nm
  • Supply hose
    • ◆ According to version coloured marking aligns with housing joint edge or mark on pump support.
  • Vane pump
    • ◆ For vehicles fitted with air conditioner
    • ◆ Checking delivery pressure => Page 48-70
    • ◆ Before installing fill with oil =>Note Page 48-96
 
N48-0391
  • Pressure hose
  • Sealing ring
    • ◆ Renew
  • Banjo bolt, 30 Nm
  • Hexagon bolt, 5 Nm
  • Reservoir
    • ◆ For vehicles fitted with petrol engine
    • ◆ Checking oil level; => item 1
  • Retainer
    • ◆ Is secured on suspension strut turret
  • Hexagon nut, 22 Nm

Removing and installing power-assisted steering vane pump > < Checking play, security and boots on tie rod ends