R32 4Motion V6-3.2L (CBRA) (2008)
Thermostat Housing: Service and Repair
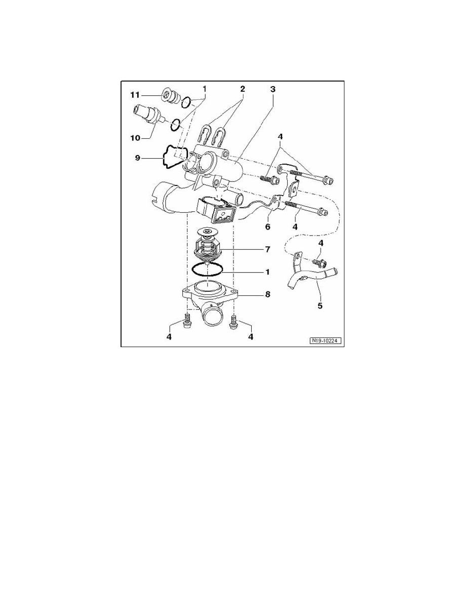
Thermostat Housing Assembly Overview
Note:
^
Coolant hose connection diagram.
1 - O-ring
^
Replace
2 - Retaining clip
^
Check for secure seat
3 - Coolant thermostat housing
4 - 8 Nm
5 - Coolant line
^
To transmission oil cooler
6 - Bracket
7 - Coolant thermostat
^
Note installation position
^
Checking: Heat up thermostat in water
^
Starts to open: approximately 80° C
^
End: approximately 105° C
^
Opens: at least 7 mm
8 - Connecting piece
9 - Seal
10 - Engine Coolant Temperature (ECT) sensor G62
11 - Sealing plugs
