R32 4Motion V6-3.2L (CBRA) (2008)
-
Cover floor carpet in vehicle interior with leak-proof foil and absorbent paper.
NOTE: On removal, note down bolt lengths and assignment for re-installation.
1
-
Screw
-
4.5 ± 0.7 Nm
-
on the lower right, on the air conditioner cable bracket near the bulkhead.
2
-
Screws
-
4.5 ± 0.7 Nm
3
-
Cable bracket
4
-
Heating and A/C unit
Removing:
-
Disconnect condensation water hose from heating and A/C unit
-
Disconnect harness connectors from heating and A/C unit.
NOTE:
-
All cable ties and other wiring harness fasteners released or cut open on removing air conditioner unit are to be re-attached in same
position on installation.
-
The air conditioning wiring harness is removed with the A/C unit.
-
Remove the two nuts from the comfort system central control module J393 and secure the module to the side
-
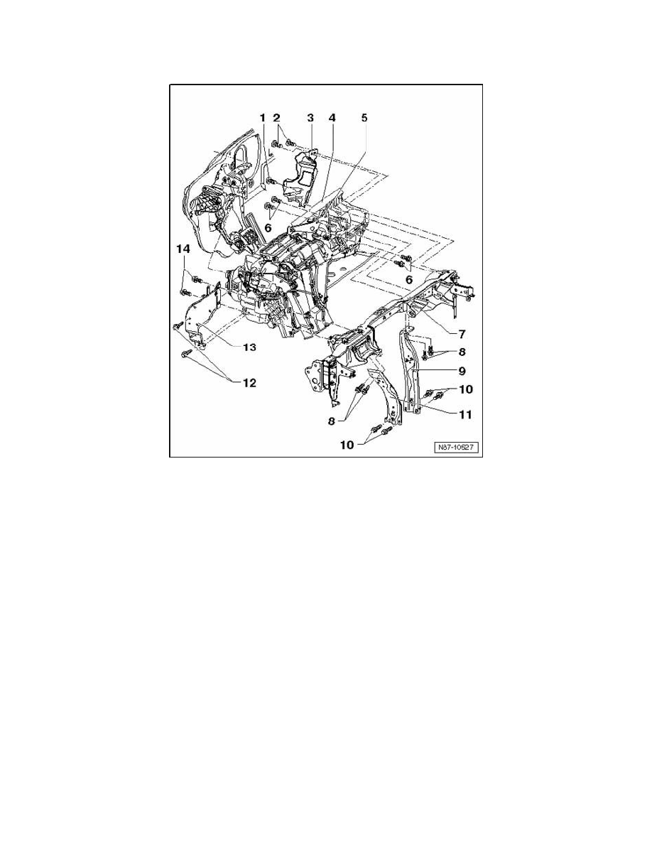
Remove the bolts - 6 - and the bracket - 5 -.
-
Remove the bolts - 8 - and - 10 - and the supports - 9 - and - 11 -.
-
Remove the bolts - 12 - and - 14 - and the bracket - 13 -.
-
Remove the bolts - 1 - and - 2 - from the wiring bracket - 3 -.
NOTE:
-
To be able to reach the bolt - 1 -, the air conditioner on the driver side must be pulled out slightly from the facing wall.
-
When removing heat unit, make sure the two coolant pipes of the heater core do not get caught and bent or damaged on plenum
chamber or noise insulation pan.
