R32 4Motion V6-3.2L (CBRA) (2008)
Housing Assembly HVAC: Overhaul
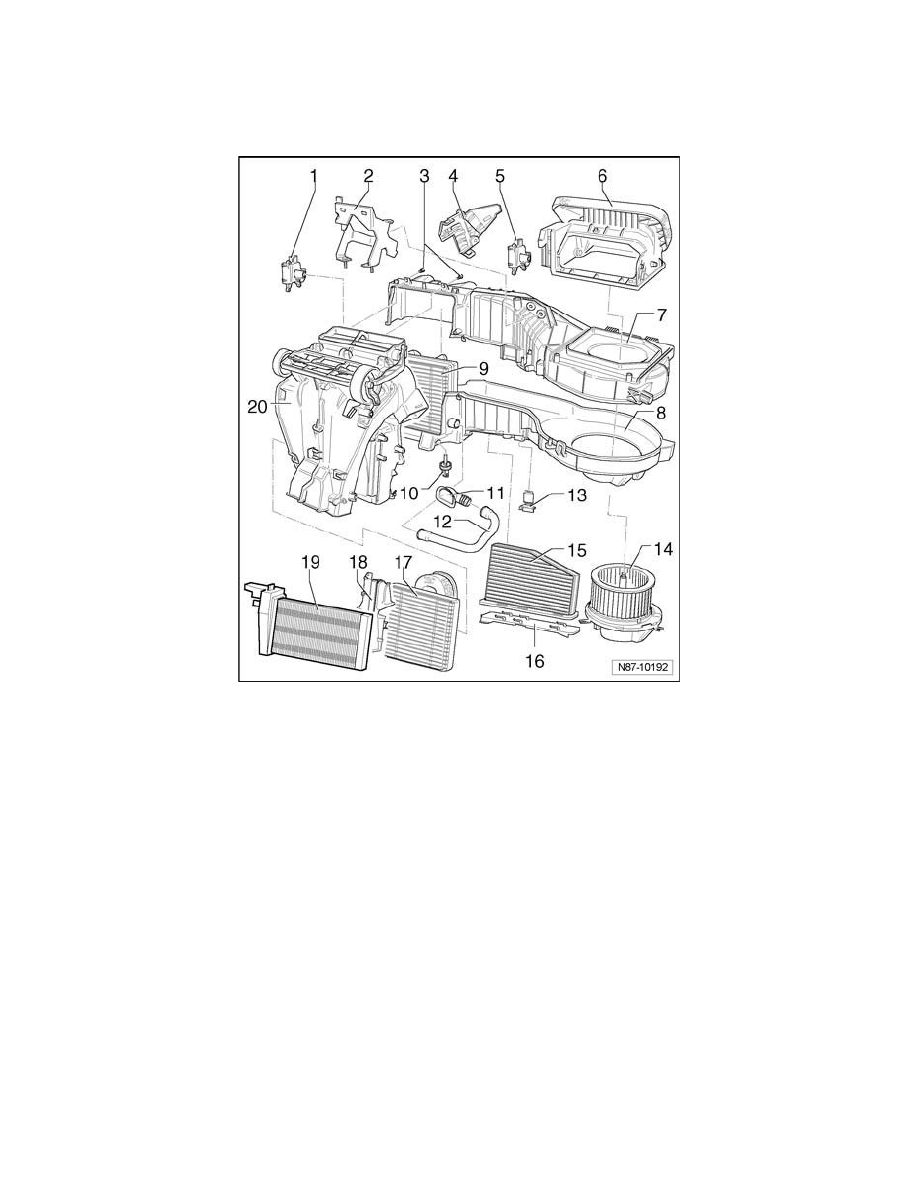
Climatic Heating and A/C Unit
Climatic Heating And A/C Unit
1
-
Temperature Regulator Door Motor V68
-
Checking, use: Vehicle Diagnosis, Testing and Information System VAS 5051 (or succeeding model)
-
Replacing: Initiate Basic Setting function with Vehicle Diagnosis, Testing and Information System VAS 5051 (or succeeding model)
2
-
Bracket
3
-
Screws
-
Bolts must be unscrewed to separate air distributor and evaporator housing.
4
-
Cover
5
-
Recirculation Door Motor V113
-
Checking, use: Vehicle Diagnosis, Testing and Information System VAS 5051 (or succeeding model)
-
Replacing: Initiate Basic Setting function with Vehicle Diagnosis, Testing and Information System VAS 5051 (or succeeding model)
6
-
Housing for air entry
-
With recirculating air door
7
-
Evaporator housing: Upper part
-
Disassembling and assembling evaporator housing
8
-
Evaporator housing: Lower part
-
Disassembling and assembling evaporator housing
9
-
Evaporator
10
-
Evaporator Temperature Sensor G308 or Evaporator Vent Temperature Sensor G263
-
Checking, use: Vehicle Diagnosis, Testing and Information System VAS 5051 (or succeeding model)
NOTE: One or both of the component designations will appear, depending on software. The tasks are the same.
11
-
Connection for glove compartment cooling
-
to remove, remove glove compartment
-
Installation position of glove compartment cooling connection
12
-
Cooling hose for glove compartment cooling
