Volvo Workshop Service and Repair Manuals
HOME
FEATURES
MENU
INDEX
ABOUT US
Diagram Information and Instructions|Page 3084 >
< Door - Wind Noise/Door Arch Weatherstrip
240 L4-2127cc 2.1L SOHC Turbo B21FT FI (1982)
Cruise Control
Brake Switch (Cruise Control)
Component Information
Diagrams
Diagram Information and Instructions
Page 1
Brake Switch (Cruise Control): Diagram Information and Instructions
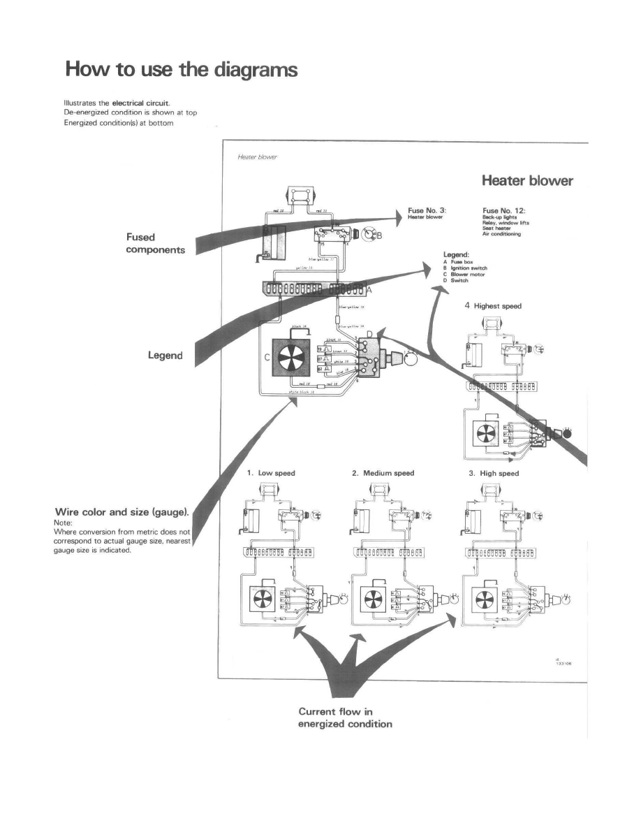
Reading Wiring Diagrams
Cruise Control
Brake Switch (Cruise Control)
Component Information
Diagrams
Diagram Information and Instructions
Diagram Information and Instructions|Page 3084 >
< Door - Wind Noise/Door Arch Weatherstrip