Volvo Workshop Service and Repair Manuals
HOME
FEATURES
MENU
INDEX
ABOUT US
Diagram Information and Instructions|Page 2626 >
< A/C - New Quieter Heater Motor Available|Page 2623
240 L4-2127cc 2.1L SOHC Turbo B21FT FI (1982)
Heating and Air Conditioning
Blower Motor / Component Information
Diagrams
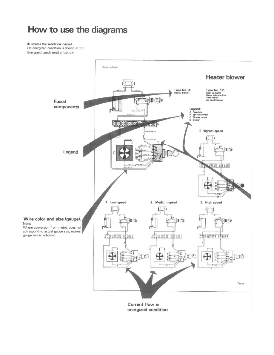
Diagram Information and Instructions
Page 1
Blower Motor: Diagram Information and Instructions
Reading Wiring Diagrams
Heating and Air Conditioning
Blower Motor / Component Information
Diagrams
Diagram Information and Instructions
Diagram Information and Instructions|Page 2626 >
< A/C - New Quieter Heater Motor Available|Page 2623