Volvo Workshop Service and Repair Manuals
HOME
FEATURES
MENU
INDEX
ABOUT US
Diagram Information and Instructions|Page 2688 >
< Control Assembly, HVAC|Service and Repair|Page 2683
240 L4-2127cc 2.1L SOHC Turbo B21FT FI (1982)
Heating and Air Conditioning
Control Module HVAC
Component Information
Diagrams
Diagram Information and Instructions
Page 1
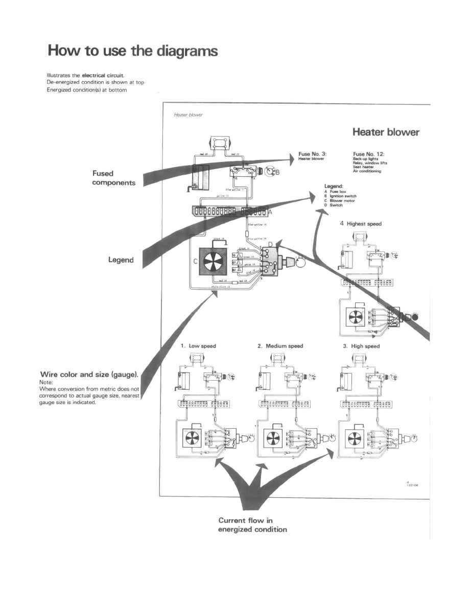
Control Module HVAC: Diagram Information and Instructions
Reading Wiring Diagrams
Heating and Air Conditioning
Control Module HVAC
Component Information
Diagrams
Diagram Information and Instructions
Diagram Information and Instructions|Page 2688 >
< Control Assembly, HVAC|Service and Repair|Page 2683