Volvo Workshop Service and Repair Manuals
HOME
FEATURES
MENU
INDEX
ABOUT US
Diagram Information and Instructions|Page 2814 >
< Refrigerant Oil|Capacity Specifications|Page 2808
240 L4-2127cc 2.1L SOHC Turbo B21FT FI (1982)
Heating and Air Conditioning
Relays and Modules - HVAC
Control Module HVAC
Component Information
Diagrams
Diagram Information and Instructions
Page 1
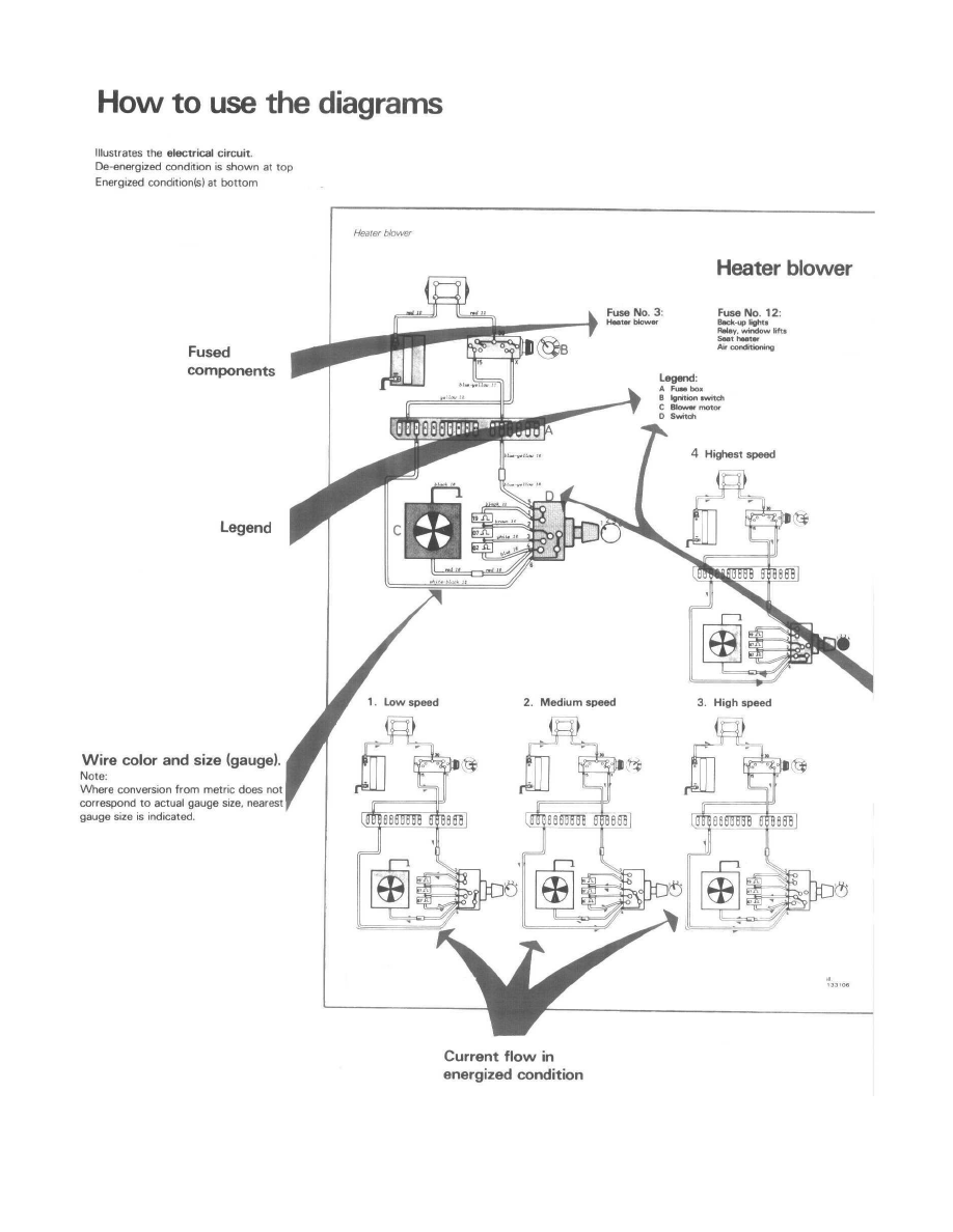
Control Module HVAC: Diagram Information and Instructions
Reading Wiring Diagrams
Heating and Air Conditioning
Relays and Modules - HVAC
Control Module HVAC
Component Information
Diagrams
Diagram Information and Instructions
Diagram Information and Instructions|Page 2814 >
< Refrigerant Oil|Capacity Specifications|Page 2808