Volvo Workshop Service and Repair Manuals
HOME
FEATURES
MENU
INDEX
ABOUT US
Diagram Information and Instructions|Page 2820 >
< Diagram Information and Instructions|Page 2814
240 L4-2127cc 2.1L SOHC Turbo B21FT FI (1982)
Heating and Air Conditioning
Sensors and Switches - HVAC
A/C Switch <--> [Air Conditioning Switch]
Component Information
Diagrams
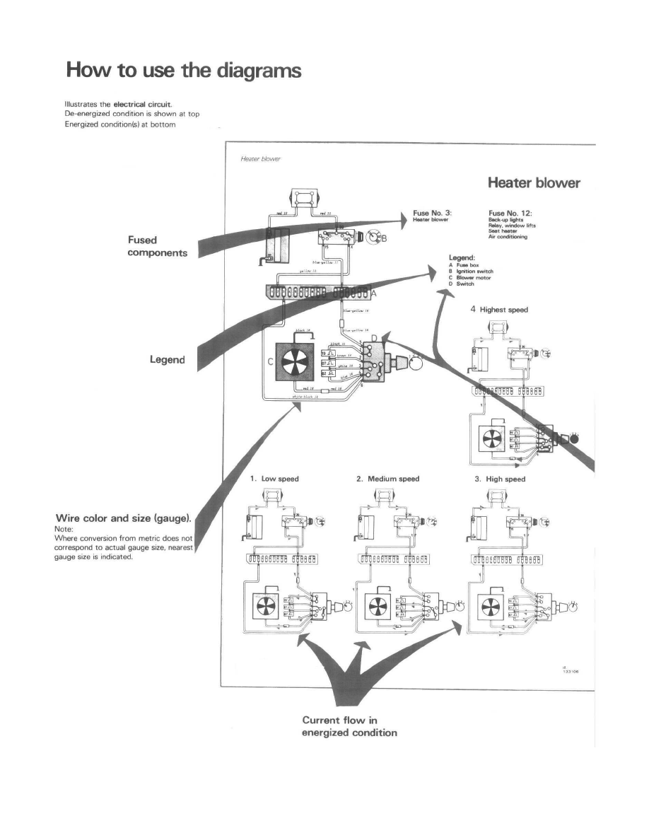
Diagram Information and Instructions
Page 1
A/C Switch: Diagram Information and Instructions
Reading Wiring Diagrams
Heating and Air Conditioning
Sensors and Switches - HVAC
A/C Switch <--> [Air Conditioning Switch]
Component Information
Diagrams
Diagram Information and Instructions
Diagram Information and Instructions|Page 2820 >
< Diagram Information and Instructions|Page 2814