Volvo Workshop Service and Repair Manuals
HOME
FEATURES
MENU
INDEX
ABOUT US
Diagram Information and Instructions|Page 2505 >
< Electrical Test - Measuring Voltage Drop Across Grounds|Page 2499
240 L4-2127cc 2.1L SOHC Turbo B21FT FI (1982)
Power and Ground Distribution
Fuse Block
Component Information
Diagrams
Diagram Information and Instructions
Page 1
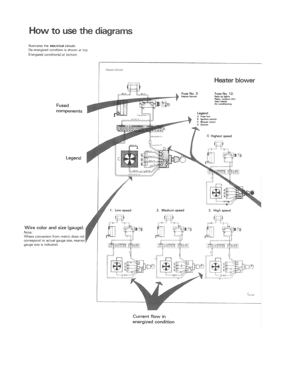
Fuse Block: Diagram Information and Instructions
Reading Wiring Diagrams
Power and Ground Distribution
Fuse Block
Component Information
Diagrams
Diagram Information and Instructions
Diagram Information and Instructions|Page 2505 >
< Electrical Test - Measuring Voltage Drop Across Grounds|Page 2499