Volvo Workshop Service and Repair Manuals
HOME
FEATURES
MENU
INDEX
ABOUT US
Diagram Information and Instructions|Page 2325 >
< Parking Brake Cable|Service and Repair|Page 2318
240 L4-2127cc 2.1L SOHC Turbo B21FT FI (1982)
Starting and Charging
Sensors and Switches - Starting and Charging
Ignition Switch
Component Information
Diagrams
Diagram Information and Instructions
Page 1
Ignition Switch: Diagram Information and Instructions
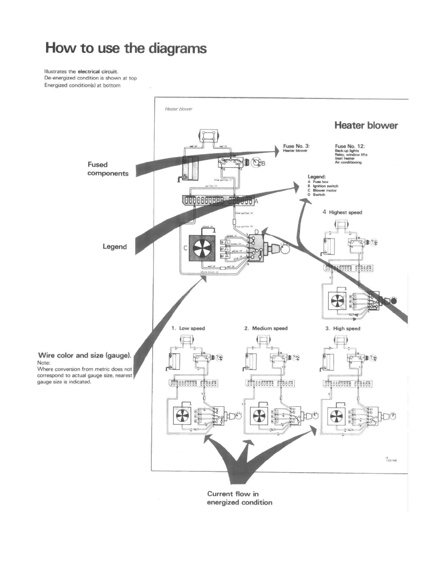
Reading Wiring Diagrams
Starting and Charging
Sensors and Switches - Starting and Charging
Ignition Switch
Component Information
Diagrams
Diagram Information and Instructions
Diagram Information and Instructions|Page 2325 >
< Parking Brake Cable|Service and Repair|Page 2318