Volvo Workshop Service and Repair Manuals
HOME
FEATURES
MENU
INDEX
ABOUT US
Diagram Information and Instructions|Page 2596 >
< Parking Brake Cable|Service and Repair|Page 2589
240 L4-2320cc 2.3L SOHC B23F FI (1983)
Starting and Charging
Sensors and Switches - Starting and Charging
Ignition Switch
Component Information
Diagrams
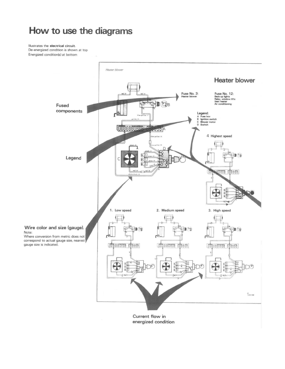
Diagram Information and Instructions
Page 1
Ignition Switch: Diagram Information and Instructions
Reading Wiring Diagrams
Starting and Charging
Sensors and Switches - Starting and Charging
Ignition Switch
Component Information
Diagrams
Diagram Information and Instructions
Diagram Information and Instructions|Page 2596 >
< Parking Brake Cable|Service and Repair|Page 2589