Volvo Workshop Service and Repair Manuals
HOME
FEATURES
MENU
INDEX
ABOUT US
Diagram Information and Instructions|Page 2033 >
< Gear Lockout Solenoid, M/T|Locations
240 L4-2320cc 2.3L SOHC B23F FI (1983)
Transmission and Drivetrain
Automatic Transmission/Transaxle
Actuators and Solenoids - A/T
Overdrive Solenoid, A/T
Component Information
Diagrams
Diagram Information and Instructions
Page 1
Overdrive Solenoid: Diagram Information and Instructions
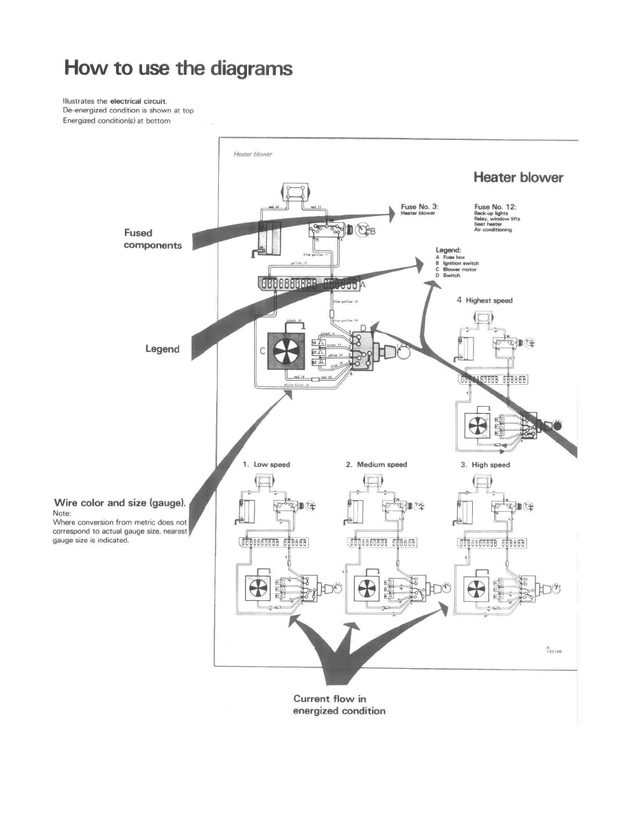
Reading Wiring Diagrams
Transmission and Drivetrain
Automatic Transmission/Transaxle
Actuators and Solenoids - A/T
Overdrive Solenoid, A/T
Component Information
Diagrams
Diagram Information and Instructions
Diagram Information and Instructions|Page 2033 >
< Gear Lockout Solenoid, M/T|Locations