C30 T5 L5-2.5L Turbo VIN 67 B5254T7 (2008)
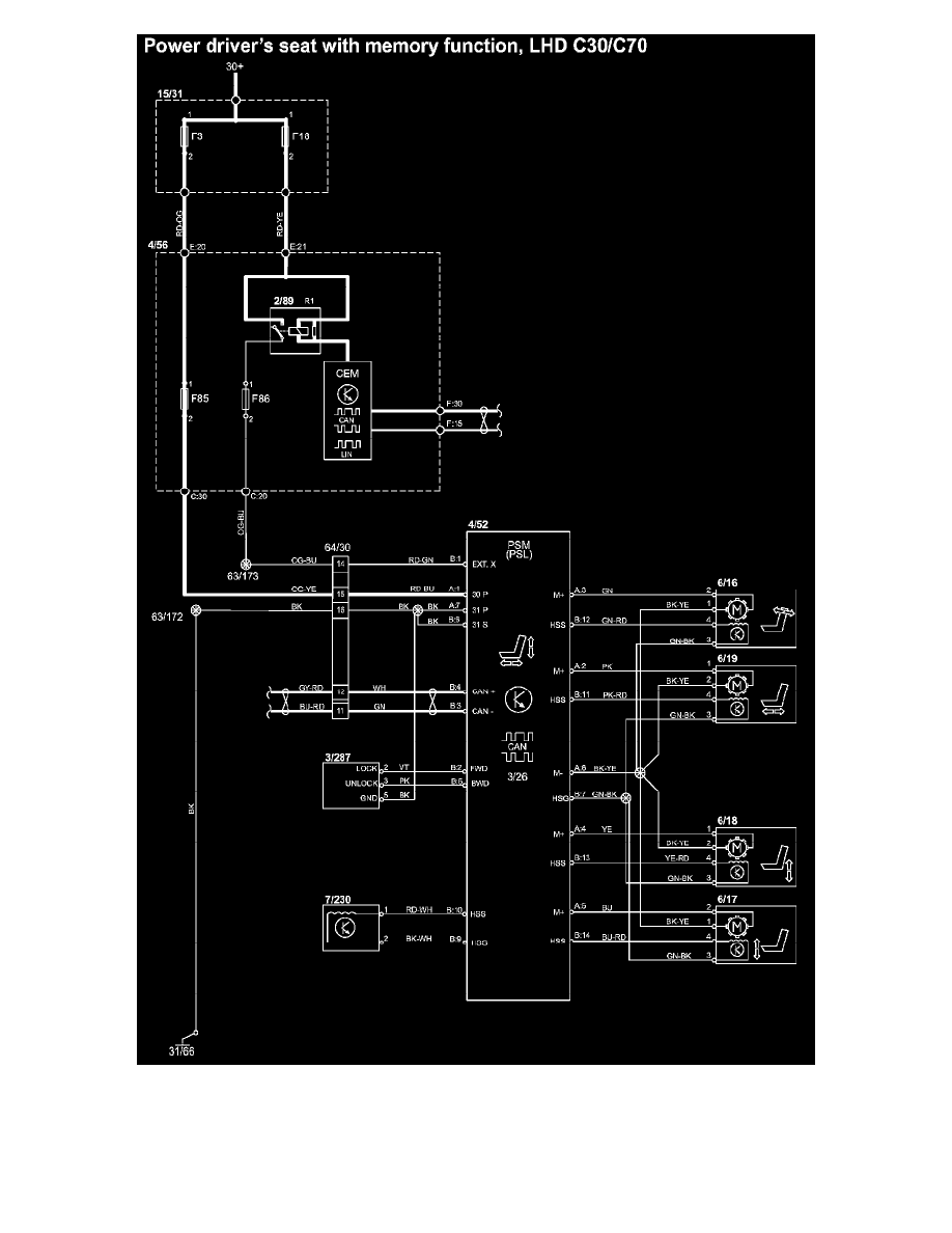
Power Driver's Seat With Memory Function, LHD
Diagram Legend: See: Diagram Information and Instructions/Changes Introduced Up to and Including April 2007/Diagram Legend
Wire Color Code Identification and Other Abbreviations: See: Diagram Information and Instructions/Changes Introduced Up to and Including April
2007/Wire Color Code and Other Abbreviations
