Volvo Workshop Service and Repair Manuals
HOME
FEATURES
MENU
INDEX
ABOUT US
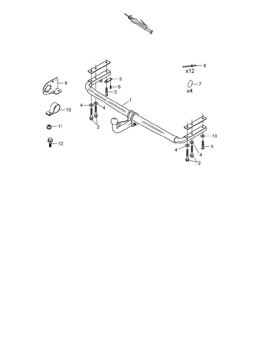
Detachable Tow Hitch|Page 20896 >
< Detachable Tow Hitch|Page 20894
S60 2.5T L5-2.5L Turbo VIN 59 B5254T2 (2006)
Body and Frame
Frame
Trailer Hitch / Service and Repair / Detachable Tow Hitch
Page 20895
Page 2
Body and Frame
Frame
Trailer Hitch / Service and Repair / Detachable Tow Hitch
Page 20895
Detachable Tow Hitch|Page 20896 >
< Detachable Tow Hitch|Page 20894