Volvo Workshop Service and Repair Manuals
HOME
FEATURES
MENU
INDEX
ABOUT US
Diagram Information and Instructions|Page 6439 >
< Diagram Information and Instructions|Page 6437
S80 2.9 L6-2.9L VIN 94 B6294S (2000)
Sensors and Switches
Sensors and Switches - Body and Frame
Power Seat Switch / Diagrams / Diagram Information and Instructions
Page 6438
Page 4
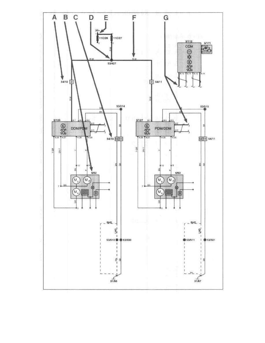
Component Designation Fig. 1
Sensors and Switches
Sensors and Switches - Body and Frame
Power Seat Switch / Diagrams / Diagram Information and Instructions
Page 6438
Diagram Information and Instructions|Page 6439 >
< Diagram Information and Instructions|Page 6437