A4 Mk3

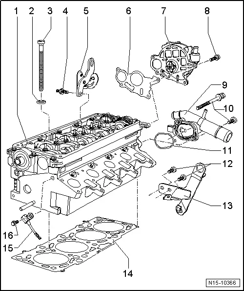
| 1 - | Cylinder head |
| q | Removing and installing → Chapter |
| q | If renewed, change coolant in entire system |
| 2 - | Washer |
| q | For cylinder head bolt |
| 3 - | Cylinder head bolt |
| q | Note correct sequence when loosening → Fig. |
| q | Note correct sequence when tightening → Fig. |
| q | Prior to installation, insert washers in cylinder head → Item. |
| 4 - | Bolt |
| q | 25 Nm |
| 5 - | Lifting eye |
| 6 - | Gasket |
| q | Renew |
| 7 - | Vacuum pump |
| 8 - | Bolt |
| q | 10 Nm |
| 9 - | Coolant hose connection |
| 10 - | Bolt |
| q | 10 Nm |
| 11 - | Seal |
| q | Renew |
| 12 - | Bolt |
| q | 25 Nm |
| 13 - | Lifting eye |
| 14 - | Cylinder head gasket |
| q | Renew |
| q | Note marking → Fig. |
| q | If renewed, change coolant in entire system |
| 15 - | Hall sender -G40- |
| q | For camshaft position |
| q | To remove and install, detach toothed belt from camshaft sprockets and loosen idler roller. |
| 16 - | Bolt |
| q | 10 Nm |
|
|
|
|
|
Note
|
Note
|
|
Note
|
|

Note