Pacifica V6-3.8L VIN L (2005)
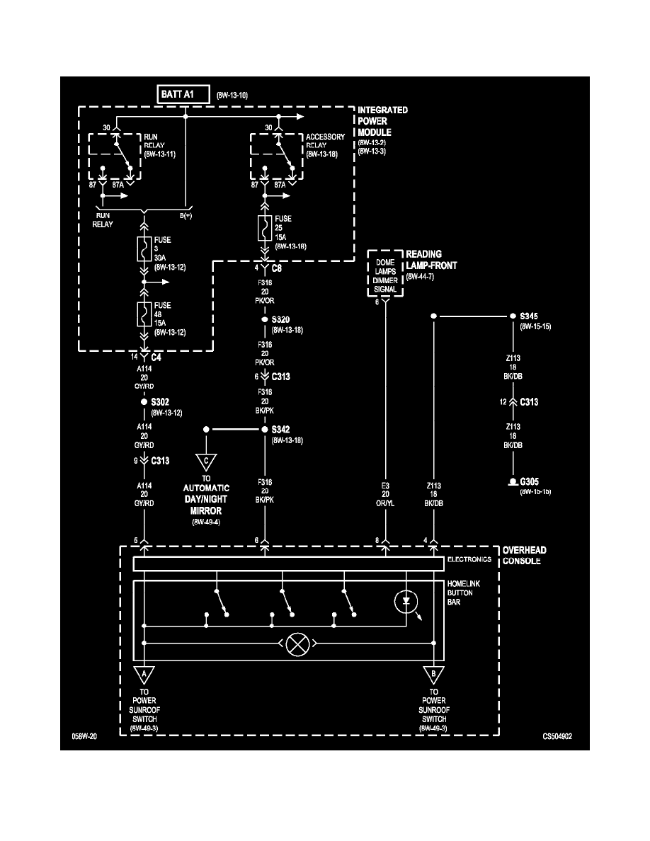
Driver/Vehicle Information Display: Electrical Diagrams
PLEASE NOTE: Some diagrams may appear to be missing because of gaps in the number sequences. These "gaps" are actually for diagrams that do
not apply to the vehicle model selected.
8w-49-2
