Chrysler Workshop Service and Repair Manuals
HOME
FEATURES
MENU
INDEX
ABOUT US
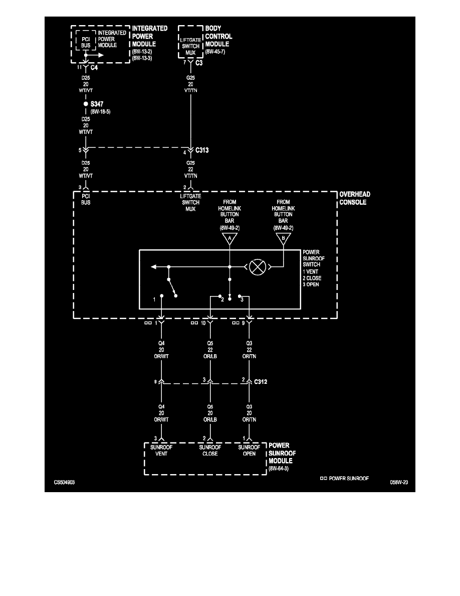
Diagram Information and Instructions|Page 6396 >
< Diagram Information and Instructions|Page 6394
Pacifica V6-3.8L VIN L (2005)
Accessories and Optional Equipment
Driver/Vehicle Information Display / Diagrams / Diagram Information and Instructions
Page 6395
Page 2
8w-49-3
Accessories and Optional Equipment
Driver/Vehicle Information Display / Diagrams / Diagram Information and Instructions
Page 6395
Diagram Information and Instructions|Page 6396 >
< Diagram Information and Instructions|Page 6394