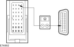
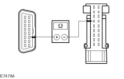
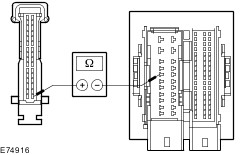
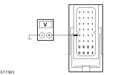
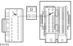
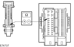
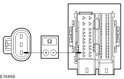
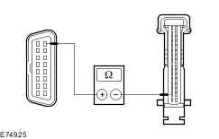
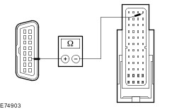
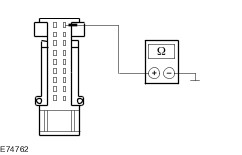
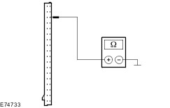
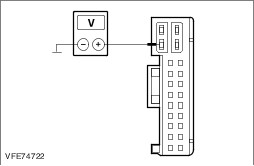
| Diagnosis and Testing Special Tool(s) | | Terminal Probe Kit 29-011A | General Equipment Digital Multimeter Ford approved diagnostic tool Inspection and Testing - Visually CHECK for any obvious mechanical or electrical damage.
Visual Inspection | Electrical | - Fuse(s).
- Wiring harness.
- Electrical connectors.
| - RECTIFY any obvious causes for a concern found during the visual inspection before performing any further tests. CHECK the operation of the system.
- On a vehicle without stored fault(s), PROCEED according to the Symptom Chart and the corresponding symptom.
- After testing or rectifying the fault and after completion of operations, READ OUT the fault memories of all vehicle modules and DELETE any stored faults. READ OUT all fault memories again after a road test.
DTC Table - Generic Electronic Module (GEM) | Diagnostic trouble code. | Description | Action | | 913188 | No communications possible with the wiper motor module. | GO to Pinpoint Test T. | | C15500 | No communications possible with the instrument cluster. | GO to Pinpoint Test AH. | | C12900 | No communication with the anti-block brake system module. | GO to Pinpoint Test AC. | | C10000 | No communications possible with the powertrain control module (PCM). | GO to Pinpoint Test AG. | | 912B88 | No communications possible with the steering wheel module. | GO to Pinpoint Test O. | | 912C88 | No communications possible with the interior monitoring sensor. | GO to Pinpoint Test AA. | | 9D1788 | No communications possible with the anti-theft alarm signal horn with integrated battery. | GO to Pinpoint Test Z. | | C23100 | No communications possible with the rain sensor/light sensor. | GO to Pinpoint Test S. | | 913088 | No communications possible with the light switch unit. | GO to Pinpoint Test U. | | C21400 | No communications possible with the keyless vehicle module. | GO to Pinpoint Test J. | | C10400 | No communications possible with the collision warning module. | GO to Pinpoint Test P. | | C00300, C00100, C00600 | No communications possible via the HS CAN bus. | GO to Pinpoint Test AK. | | C01000, C01200, C01500 | No communications possible via the MS CAN bus. | GO to Pinpoint Test AJ. | Symptom chart | Symptom | Possible Sources | Action | | Driver's side door module not communicating with the Ford approved diagnostic tool | * Fuse(s) * Circuit(s) * Driver's side door module | * | | Passenger side door module not communicating with the Ford approved diagnostic tool | * Fuse(s) * Circuit(s) * Passenger's side door module | * | | Navigation system touch screen not communicating with the Ford approved diagnostic tool - vehicles equipped with DVD navigation system with touch screen | * Fuse(s) * Circuit(s) * Navigation system touch screen | * | | DVD drive not communicating with the Ford approved diagnostic tool - vehicles equipped with DVD navigation system with touch screen | * Fuse(s) * Circuit(s) * DVD drive | * | | Fuel-fired booster heater/programmable fuel-fired booster heater not communicating with the Ford approved diagnostic tool | * Fuse(s) * Circuit(s) * Fuel fired booster heater /programmable fuel fired booster heater | * | | Keyless vehicle module not communicating with the Ford approved diagnostic tool | * Fuse(s) * Circuit(s) * Keyless vehicle module | * | | Auxiliary climate control module not communicating with the Ford approved diagnostic tool | * Fuse(s) * Circuit(s) * Auxiliary climate control module | * | | Rain sensor/light sensor not communicating with the generic electronic module (GEM) | * Fuse(s) * Circuit(s) * Rain sensor/light sensor | * | | Wiper motor module not communicating with the generic electronic module (GEM) | * Fuse(s) * Circuit(s) * Wiper motor module | * | | Light switch unit not communicating with the generic electronic module (GEM) | * Fuse(s) * Circuit(s) * Light switch unit | * | | Remote control/tire pressure monitoring receiver module not communicating with the generic electronic module (GEM) | * Fuse(s) * Circuit(s) * Remote control/tire pressure monitoring receiver module | * | | Driver's side rear door module not communicating with the driver's side door module | * Fuse(s) * Circuit(s) * Driver's side rear door module | * | | Passenger side rear door module not communicating with the passenger side door module | * Fuse(s) * Circuit(s) * Passenger's side door module | * | | Gear lever module not communicating with the transmission control unit (TCM) | * Fuse(s) * Circuit(s) * Gear lever module | * | | Anti-theft alarm signal horn with integrated battery not communicating with the generic electronic module (GEM) | * Fuse(s) * Circuit(s) * Anti-theft alarm horn with integral battery | * | | Interior monitoring sensor not communicating with the generic electronic module (GEM) | * Fuse(s) * Circuit(s) * Interior scanning sensor | * | | Trailer coupling module not communicating with the Ford approved diagnostic tool | * Fuse(s) * Circuit(s) * Trailer coupling module | * | | Lights control module (LCM) not communicating with the Ford approved diagnostic tool - vehicles with gas discharge lamps and vehicles with adaptive front lighting | * Fuse(s) * Circuit(s) * Lights control module (LCM) | * | | Shock absorber control module not communicating with the Ford approved diagnostic tool | * Fuse(s) * Circuit(s) * Shock absorber control module | * | | Steering wheel module not communicating with the Ford approved diagnostic tool | * Fuse(s) * Circuit(s) * Steering wheel module | * | | Collision warning module not communicating with the Ford approved diagnostic tool | * Fuse(s) * Circuit(s) * Collision warning module | * | | Yaw rate/lateral acceleration sensor not communicating with the Ford approved diagnostic tool. | * Fuse(s) * Circuit(s) * Yaw rate / lateral acceleration sensor | * | | CD changer not communicating with the Ford approved diagnostic tool | * Fuse(s) * Circuit(s) * CD changer | * | | Parking brake module not communicating with the Ford approved diagnostic tool | * Fuse(s) * Circuit(s) * Parking brake module | * | | Bluetooth/voice control module not communicating with the Ford approved diagnostic tool | * Fuse(s) * Circuit(s) * Bluetooth/voice control module | * | | Generic electronic module (GEM) not communicating with the Ford approved diagnostic tool | * Fuse(s) * Circuit(s) * Generic Electronic Module (GEM) | * | | ESP module not communicating with the Ford approved diagnostic tool | * Fuse(s) * Circuit(s) * Stability assist module | * | | Parking aid module not communicating with the Ford approved diagnostic tool | * Fuse(s) * Circuit(s) * Parking aid module | * | | Electronic automatic temperature control (EATC) module not communicating with the Ford approved diagnostic tool | * Fuse(s) * Circuit(s) * Electronic automatic temperature control (EATC) module | * | | Powertrain control module (PCM) not communicating with the Ford approved diagnostic tool | * Fuse(s) * Circuit(s) * PCM | * | | Supplemental restraint control module (RCM) not communicating with the Ford approved diagnostic tool | * Fuse(s) * Circuit(s) * Supplemental restraint control module (RCM) | * | | Audio system control panel not communicating with the Ford approved diagnostic tool | * Fuse(s) * Circuit(s) * Audio system control panel | * | | Power steering pump module not communicating with the Ford approved diagnostic tool | * Fuse(s) * Circuit(s) * Power steering pump module | * | | Instrument cluster not communicating with the Ford approved diagnostic tool | * Fuse(s) * Circuit(s) * Instrument cluster | * | | Transmission control module (TCM) not communicating with the Ford approved diagnostic tool | * Fuse(s) * Circuit(s) * TCM | * | | Faulty communications between the modules (MM CAN bus) | * Circuit(s) * Instrument cluster * Audio system control panel * Bluetooth/voice control module * CD changer * DVD drive * Navigation system touch screen | * | | Faulty communications between the modules (HS CAN bus) | * Circuit(s) * ABS module or ESP module * Transmission control unit (TCM) - vehicles with automatic transmission * Power steering pump module * Parking brake module * Yaw rate / lateral acceleration sensor * Lights control module (LCM) * Collision warning module * Generic Electronic Module (GEM) * Steering wheel module * Shock absorber control module * Powertrain control module (PCM) | * | | Faulty communications between the modules (MS CAN bus) | * Circuit(s) * Instrument cluster * Electronic automatic temperature control (EATC) module * Supplemental restraint control module (RCM) * Parking aid module * Trailer coupling module * Auxiliary climate control module * Fuel fired booster heater /programmable fuel fired booster heater * Keyless vehicle module * Passenger's side door module * Driver's side door module * Generic Electronic Module (GEM) | * | System Checks | PINPOINT TEST A : DRIVER'S SIDE DOOR MODULE NOT COMMUNICATING WITH THE FORD APPROVED DIAGNOSTIC TOOL | | TEST CONDITIONS | DETAILS/RESULTS/ACTIONS | | A1: CHECK COMMUNICATIONS WITH THE GENERIC ELECTRONIC MODULE (GEM) | | | 1 Ignition switch in position 0. | | | 2 Connect the diagnostic tool. | | | 3 Select the generic electronic module (GEM) with the Ford approved diagnostic tool. | | | Is it possible to establish communications with the GEM? Yes No | | A2: CHECK FUSE FA1 | | | 1 Ignition switch in position 0. | | | 2 CHECK Fuse FA1 (RJB). | | | Is the fuse OK? Yes No RENEW fuse FA1 (25 A). CHECK the operation of the system. If the fuse blows again, LOCATE and REPAIR the short using the Wiring Diagrams. | | A3: CHECK THE VOLTAGE AT FUSE FA1 | | | 1 Connect Fuse FA1 (RJB). | | | 2 Measure the voltage between fuse FA1 (25 A) and ground. | | | Does the meter display battery voltage? Yes No REPAIR the voltage supply to fuse FA1 with the aid of the wiring diagrams. CHECK the operation of the system. | | A4: CHECK THE VOLTAGE AT THE DRIVER'S SIDE DOOR MODULE | | | 1 Disconnect Connector C5PL01-A from the driver's side door module. | | | 2 Measure the voltage between the driver's side door module, connector C5PL01-A, pin 2, circuit SBR01A (RD), wiring harness side and ground. | | | Does the meter display battery voltage? Yes No | | A5: CHECK THE CIRCUIT BETWEEN THE DRIVER'S SIDE DOOR MODULE AND THE RJB FOR OPEN CIRCUIT | | | 1 Disconnect Connector C4BR02-A from the RJB. | | | 2 Measure the resistance between the driver's side door module, connector C5PL01-A, pin 2, circuit SBR01A (RD), wiring harness side and the RJB, connector C4BR02-A, pin 102, circuit SBR01B (RD), wiring harness side. | | | Is a resistance of less than 2 Ohms registered? Yes CHECK and RENEW the RJB if necessary. CHECK the operation of the system. No LOCATE and REPAIR the break in the circuit between the driver's side door module and the RJB with the aid of the Wiring Diagrams. CHECK the operation of the system. | | A6: CHECK THE GROUND CONNECTION OF THE DRIVER'S SIDE DOOR MODULE | | | 1 Measure the resistance between the driver's side door module, connector C5PL01-A, pin 13, circuit GD134H (BK/VT), wiring harness side and ground. | | | Is a resistance of less than 2 Ohms registered? Yes No LOCATE and REPAIR the break in the circuit between the driver's side door module and soldered connection SP386 with the aid of the Wiring Diagrams. CHECK the operation of the system. | | A7: CHECK FOR OPEN CIRCUIT BETWEEN THE DRIVER'S SIDE DOOR MODULE AND THE DATA LINK CONNECTOR (DLC) | CAUTION:The following measurement must only be performed using the Ford approved diagnostic tool digital multimeter. Failure to observe this instruction can lead to damage. | | | 1 Disconnect Connector C5PL01-B from the driver's side door module. | | | 2 Measure the resistance between the driver's side door module, connector C5PL01-B, pin 15, circuit VDB07L (VT/OG), wiring harness side and the DLC, connector C3DB04, pin 11, circuit VDB07D (VT/OG), wiring harness side. | | | Is a resistance of less than 2 Ohms registered? Yes No LOCATE and RECTIFY the break in the circuit between the driver's side door module and soldered connection SP286 (RHD vehicles: soldered connection SP284) with the aid of the Wiring Diagrams. CHECK the operation of the system. | | A8: CHECK THE CIRCUIT BETWEEN THE DRIVER'S SIDE DOOR MODULE AND THE DLC FOR OPEN CIRCUIT | CAUTION:The following measurement must only be performed using the Ford approved diagnostic tool digital multimeter. Failure to observe this instruction can lead to damage. | | | 1 Measure the resistance between the driver's side door module, connector C5PL01-B, pin 3, circuit VDB06C (GY/OG), wiring harness side and the DLC, connector C3DB04, pin 3, circuit VDB06X (GY/OG), wiring harness side. | | | Is a resistance of less than 2 Ohms registered? Yes CHECK and if necessary RENEW the driver's side door module. CHECK the operation of the system. No LOCATE and RECTIFY the break in the circuit between the driver's side door module and soldered connection SP293 (RHD vehicles: soldered connection SP293) with the aid of the Wiring Diagrams. CHECK the operation of the system. | | PINPOINT TEST B : PASSENGER SIDE DOOR MODULE NOT COMMUNICATING WITH THE FORD APPROVED DIAGNOSTIC TOOL | | TEST CONDITIONS | DETAILS/RESULTS/ACTIONS | | B1: CHECK COMMUNICATIONS WITH THE GENERIC ELECTRONIC MODULE (GEM) | | | 1 Ignition switch in position 0. | | | 2 Connect the diagnostic tool. | | | 3 Select the generic electronic module (GEM) with the Ford approved diagnostic tool. | | | Is it possible to establish communications with the GEM? Yes No | | B2: CHECK FUSE FA2 | | | 1 Ignition switch in position 0. | | | 2 CHECK Fuse FA2 (RJB). | | | Is the fuse OK? Yes No RENEW fuse FA2 (25 A). CHECK the operation of the system. If the fuse blows again, LOCATE and REPAIR the short using the Wiring Diagrams. | | B3: CHECK THE VOLTAGE AT FUSE FA2 | | | 1 Connect Fuse FA2 (RJB). | | | 2 Measure the voltage between fuse FA2 (25 A) and ground. | | | Does the meter display battery voltage? Yes No REPAIR the voltage supply to fuse FA2 with the aid of the wiring diagrams. CHECK the operation of the system. | | B4: CHECK THE VOLTAGE AT THE PASSENGER SIDE DOOR MODULE | | | 1 Disconnect Connector C6PL01-A from the passenger side door module. | | | 2 Measure the voltage between the passenger side door module, connector C6PL01-A, pin 2, circuit SBR02A (YE/RD), wiring harness side and ground. | | | Does the meter display battery voltage? Yes No | | B5: CHECK THE CIRCUIT BETWEEN THE PASSENGER SIDE DOOR MODULE AND THE CENTRAL JUNCTION BOX (RJB) FOR OPEN CIRCUIT | | | 1 Disconnect Connector C4BR02-A from the RJB. | | | 2 Measure the resistance between the passenger side door module, connector C6PL01-A, pin 2, circuit SBR02A (YE/RD), wiring harness side and the RJB, connector C4BR02-A, pin 103, circuit SBR02B (YE/RD), wiring harness side. | | | Is a resistance of less than 2 Ohms registered? Yes CHECK and RENEW the RJB if necessary. CHECK the operation of the system. No LOCATE and REPAIR the break in the circuit between the passenger side door module and the RJB with the aid of the Wiring Diagrams. CHECK the operation of the system. | | B6: CHECK THE GROUND CONNECTION OF THE PASSENGER SIDE DOOR MODULE | | | 1 Measure the resistance between the passenger side door module, connector C6PL01-A, pin 13, circuit GD140D (BK/GN), wiring harness side and ground. | | | Is a resistance of less than 2 Ohms registered? Yes No LOCATE and REPAIR the break in the circuit between the passenger side door module and soldered connection SP392 with the aid of the Wiring Diagrams. CHECK the operation of the system. | | B7: CHECK FOR OPEN CIRCUIT BETWEEN THE PASSENGER SIDE DOOR MODULE AND THE DATA LINK CONNECTOR (DLC) | CAUTION:The following measurement must only be performed using the Ford approved diagnostic tool digital multimeter. Failure to observe this instruction can lead to damage. | | | 1 Disconnect Connector C6PL01-B from the passenger side door module. | | | 2 Measure the resistance between the passenger side door module, connector C6PL01-B, pin 15, circuit VDB07X (VT/OG), wiring harness side and the DLC, connector C3DB04, pin 11, circuit VDB07D (VT/OG), wiring harness side. | | | Is a resistance of less than 2 Ohms registered? Yes No LOCATE and RECTIFY the break in the circuit between the passenger side door module and soldered connection SP284 (RHD vehicles: soldered connection SP286) with the aid of the Wiring Diagrams. CHECK the operation of the system. | | B8: CHECK THE CIRCUIT BETWEEN THE PASSENGER SIDE DOOR MODULE AND THE DLC FOR OPEN CIRCUIT | CAUTION:The following measurement must only be performed using the Ford approved diagnostic tool digital multimeter. Failure to observe this instruction can lead to damage. | | | 1 Measure the resistance between the passenger side door module, connector C6PL01-B, pin 3, circuit VDB06P (GY/OG), wiring harness side and the DLC, connector C3DB04, pin 3, circuit VDB06X (GY/OG), wiring harness side. | | | Is a resistance of less than 2 Ohms registered? Yes CHECK and if necessary RENEW the passenger side door module. CHECK the operation of the system. No LOCATE and RECTIFY the break in the circuit between the passenger side door module and soldered connection SP294 (RHD vehicles: soldered connection SP293) with the aid of the Wiring Diagrams. CHECK the operation of the system. | | PINPOINT TEST C : PARKING AID MODULE NOT COMMUNICATING WITH THE FORD APPROVED DIAGNOSTIC TOOL | | TEST CONDITIONS | DETAILS/RESULTS/ACTIONS | | C1: CHECK COMMUNICATION WITH THE GENERIC ELECTRONIC MODULE (GEM) | | | 1 Ignition switch in position 0. | | | 2 Connect the diagnostic tool. | | | 3 Select the generic electronic module (GEM) with the Ford approved diagnostic tool. | | | Is it possible to establish communications with the GEM? Yes No | | C2: CHECK FUSE FB1 | | | 1 Ignition switch in position 0. | | | 2 CHECK Fuse FB1 (RJB). | | | Is the fuse OK? Yes No RENEW fuse FB1 (5 A). CHECK the operation of the system. If the fuse blows again, LOCATE and REPAIR the short using the Wiring Diagrams. | | C3: CHECK THE VOLTAGE AT FUSE FB1 | | | 1 Connect Fuse FB1 (RJB). | | | 2 Ignition switch in position II. | | | 3 Measure the voltage between fuse FB1 (5 A) and ground. | | | Does the meter display battery voltage? Yes No REPAIR the voltage supply to fuse FB1 with the aid of the Wiring Diagrams. CHECK the operation of the system. | | C4: CHECK THE VOLTAGE AT THE PARKING AID MODULE | | | 1 Ignition switch in position 0. | | | 2 Disconnect Connector C4MP01-A from the parking aid module. | | | 3 Ignition switch in position II. | | | 4 Measure the voltage between the parking aid module, connector C4MP01-A, pin 1, circuit CBR01A (BU), wiring harness side and ground. | | | Does the meter display battery voltage? Yes No | | C5: CHECK FOR OPEN CIRCUIT BETWEEN THE RJB AND THE PARKING AID MODULE | | | 1 Ignition switch in position 0. | | | 2 Disconnect Connector C4BR02-B from the RJB. | | | 3 Measure the resistance between the RJB, connector C4BR02-B, pin 202, circuit CBR01A (BU), wiring harness side and the parking aid module, connector C4MP01-A, pin 1, circuit CBR01A (BU), wiring harness side. | | | Is a resistance of less than 2 Ohms registered? Yes CHECK the CJB and RENEW as necessary. CHECK the operation of the system. No LOCATE and RECTIFY the break in circuit CBR01A (BU) between the parking aid module and the RJB with the aid of the Wiring Diagrams. CHECK the operation of the system. | | C6: CHECK THE GROUND CONNECTION OF THE PARKING AID MODULE | | | 1 Ignition switch in position 0. | | | 2 Measure the resistance between the parking aid module, connector C4MP01-A, pin 8, circuit GND52N (BK/BU), wiring harness side and ground. | | | Is a resistance of less than 2 Ohms registered? Yes No LOCATE and RECTIFY the break in the circuit between the parking aid module and ground connection G4D151 with the aid of the Wiring Diagrams. CHECK the operation of the system. | | C7: CHECK FOR OPEN CIRCUIT BETWEEN THE PARKING AID MODULE AND THE DATA LINK CONNECTOR (DLC) | CAUTION:The following measurement must only be performed using the Ford approved diagnostic tool digital multimeter. Failure to observe this instruction can lead to damage. | | | 1 Measure the resistance between the parking aid module, connector C4MP01-A, pin 14, circuit VDB06G (GY/OG), wiring harness side and the DLC, connector C3DB04, pin 3, circuit VDB06X (GY/OG), wiring harness side. | | | Is a resistance of less than 2 Ohms registered? Yes No LOCATE and RECTIFY the break in the circuit between the parking aid module and soldered connection SP296 with the aid of the Wiring Diagrams. CHECK the operation of the system. | | C8: CHECK FOR OPEN CIRCUIT BETWEEN THE PARKING AID MODULE AND THE DLC | CAUTION:The following measurement must only be performed using the Ford approved diagnostic tool digital multimeter. Failure to observe this instruction can lead to damage. | | | 1 Measure the resistance between the parking aid module, connector C4MP01-A, pin 7, circuit VDB07R (VT/OG), wiring harness side and the DLC, connector C3DB04, pin 11, circuit VDB07D (VT/OG), wiring harness side. | | | Is a resistance of less than 2 Ohms registered? Yes CHECK the parking aid module if necessary INSTALL a new one. CHECK the operation of the system. No LOCATE and RECTIFY the break in the circuit between the parking aid module and soldered connection SP287 with the aid of the Wiring Diagrams. CHECK the operation of the system. | | PINPOINT TEST D : BLUETOOTH/VOICE CONTROL MODULE NOT COMMUNICATING WITH THE FORD APPROVED DIAGNOSTIC TOOL | | TEST CONDITIONS | DETAILS/RESULTS/ACTIONS | | D1: CHECK COMMUNICATION WITH THE INSTRUMENT CLUSTER | | | 1 Ignition switch in position 0. | | | 2 Connect the diagnostic tool. | | | 3 Select the instrument cluster with the Ford approved diagnostic tool. | | | Is it possible to establish communication with the instrument cluster? Yes No | | D2: CHECK FUSE F6 | | | 1 Ignition switch in position 0. | | | 2 CHECK Fuse F6 (CJB). | | | Is the fuse OK? Yes No RENEW fuse F6 (15 A). CHECK the operation of the system. If the fuse blows again, LOCATE and REPAIR the short using the Wiring Diagrams. | | D3: CHECK THE VOLTAGE AT FUSE F6 | | | 1 Connect Fuse F6 (CJB). | | | 2 Measure the voltage between fuse F6 (15 A) and ground. | | | Does the meter display battery voltage? Yes No REPAIR the voltage supply to fuse F6 with the aid of the Wiring Diagrams. CHECK the operation of the system. | | D4: CHECK THE VOLTAGE AT THE BLUETOOTH/VOICE CONTROL MODULE | | | 1 Disconnect Connector C2MM01-A from Bluetooth/voice control module. | | | 2 Measure the voltage between the Bluetooth/voice control module, connector C2MM01, pin 17, circuit SBP06H (BN/RD), wiring harness side and ground. | | | 3 Measure the voltage between the Bluetooth/voice control module, connector C2MM01, pin 18, circuit SBP06G (BN/RD), wiring harness side and ground. | | | Is battery voltage measured in both cases? Yes No - If battery voltage is not measured during one measurement:LOCATE and RECTIFY the break in the affected circuit between the Bluetooth/voice control module and soldered connection SP558 with the aid of the Wiring Diagrams. CHECK the operation of the system. - If battery voltage is not measured during both measurements: LOCATE and RECTIFY the break in the circuit between soldered connection SP558 and the CJB with the aid of the Wiring Diagrams. CHECK the operation of the system. | | D5: CHECK THE GROUND CONNECTION AT THE BLUETOOTH/VOICE CONTROL MODULE | | | 1 Measure the resistance between the Bluetooth/voice control module, connector C2MM01, pin 33, circuit GD138BE (BK/WH), wiring harness side and ground. | | | 2 Measure the resistance between the Bluetooth/voice control module, connector C2MM01, pin 34, circuit GD138BD (BK/WH), wiring harness side and ground. | | | Is a resistance of less than 2 Ohm measured in both cases? Yes No - If a resistance of more than 2 Ohms is measured in one of the measurements:LOCATE and RECTIFY the break in the affected circuit between the Bluetooth/voice control module and soldered connection SP196 with the aid of the Wiring Diagrams. CHECK the operation of the system. - If a resistance greater than 2 Ohm is measured in both cases:LOCATE and RECTIFY the open circuit in the relevant circuit between soldered connection SP196 and ground connection G6D139 with the aid of the Wiring Diagrams. CHECK the operation of the system. | | D6: CHECK FOR OPEN CIRCUIT BETWEEN THE BLUETOOTH/VOICE CONTROL MODULE AND THE DATA LINK CONNECTOR (DLC) | CAUTION:The following measurement must only be performed using the Ford approved diagnostic tool digital multimeter. Failure to observe this instruction can lead to damage. | | | 1 Measure the resistance between the Bluetooth/voice control module, connector C2MM01-A, pin 15, circuit VDB14J (VT/GY), wiring harness side and the DLC, connector C3DB04, pin 8, circuit VDB14F (VT/GY), wiring harness side. | | | Is a resistance of less than 2 Ohms registered? Yes No LOCATE and REPAIR the break in circuit VDB14J (VT/GY) between the Bluetooth/voice control module and soldered connection SP352 with the aid of the Wiring Diagrams. CHECK the operation of the system. | | D7: CHECK FOR OPEN CIRCUIT BETWEEN THE BLUETOOTH/VOICE CONTROL MODULE AND THE DLC | CAUTION:The following measurement must only be performed using the Ford approved diagnostic tool digital multimeter. Failure to observe this instruction can lead to damage. | | | 1 Measure the resistance between the Bluetooth/voice control module, connector C2MM01-A, pin 14, circuit VDB13G (BU/GY), wiring harness side and the DLC, connector C3DB04, pin 1, circuit VDB13F (BU/GY), wiring harness side. | | | Is a resistance of less than 2 Ohms registered? Yes CHECK and if necessary RENEW the Bluetooth/voice control module. CHECK the operation of the system. No LOCATE and REPAIR the break in circuit VDB13G (BU/GY) between the Bluetooth/voice control module and soldered connection SP347 with the aid of the Wiring Diagrams. CHECK the operation of the system. | | PINPOINT TEST E : ELECTRONIC AUTOMATIC TEMPERATURE CONTROL (EATC) MODULE NOT COMMUNICATING WITH FORD APPROVED DIAGNOSTIC TOOL | | TEST CONDITIONS | DETAILS/RESULTS/ACTIONS | | E1: CHECK COMMUNICATION WITH THE GENERIC ELECTRONIC MODULE (GEM) | | | 1 Ignition switch in position 0. | | | 2 Connect the diagnostic tool. | | | 3 Select the generic electronic module (GEM) with the Ford approved diagnostic tool. | | | Is it possible to establish communications with the GEM? Yes No | | E2: CHECK FUSE F27 | | | 1 Ignition switch in position 0. | | | 2 CHECK Fuse F27 (CJB). | | | Is the fuse OK? Yes No RENEW fuse F27 (5 A). CHECK the operation of the system. If the fuse blows again, LOCATE and REPAIR the short using the Wiring Diagrams. | | E3: CHECK THE VOLTAGE AT FUSE F27 | | | 1 Connect Fuse F27 (CJB). | | | 2 Measure the voltage between fuse F27 (5 A) and ground. | | | Does the meter display battery voltage? Yes No REPAIR the voltage supply to fuse F27 with the aid of the Wiring Diagrams. CHECK the operation of the system. | | E4: CHECK VOLTAGE AT THE EATC MODULE | | | 1 Ignition switch in position 0. | | | 2 Disconnect Connector C2H101-B from the EATC module. | | | 3 Measure the voltage between the EATC module, connector C2H101-B, pin 14, circuit SBP27B (BU/RD), wiring harness side and ground. | | | Does the meter display battery voltage? Yes No | | E5: CHECK THE CIRCUIT BETWEEN THE CJB AND THE EATC MODULE FOR OPEN CIRCUIT | | | 1 Ignition switch in position 0. | | | 2 Disconnect Connector C1BP02-C from the CJB. | | | 3 Measure the resistance between the CJB, connector C1BP02-C, pin 74, circuit SBP27B (BU/RD), wiring harness side and the EATC module, connector C2H101-B, pin 14, circuit SBP27B (BU/RD), wiring harness side. | | | Is a resistance of less than 2 Ohms registered? Yes CHECK the CJB and RENEW as necessary. CHECK the operation of the system. No LOCATE and RECTIFY the break in circuit SBP27B (BU/RD) between the EATC module and the CJB with the aid of the Wiring Diagrams. CHECK the operation of the system. | | E6: CHECK GROUND CONNECTION OF THE EATC MODULE | | | 1 Measure the resistance between the EATC module, connector C2H101-B, pin 6, circuit GD133BE (BK), wiring harness side and ground. | | | Is a resistance of less than 2 Ohms registered? Yes No LOCATE and REPAIR the break in the relevant circuit between the EATC module and ground connection G3D134 with the aid of the Wiring Diagrams. CHECK the operation of the system. | | E7: CHECK FOR OPEN CIRCUIT BETWEEN THE EATC MODULE AND THE DATA LINK CONNECTOR (DLC) | CAUTION:The following measurement must only be performed using the Ford approved diagnostic tool digital multimeter. Failure to observe this instruction can lead to damage. | | | 1 Measure the resistance between the EATC module, connector C2H101-B, pin 19, circuit VDB07B (VT/OG), wiring harness side and the DLC, connector C3DB04, pin 11, circuit VDB07D (VT/OG), wiring harness side. | | | Is a resistance of less than 2 Ohms registered? Yes No LOCATE and RECTIFY the break in circuit VDB07B (VT/OG) between the EATC module and soldered connection SP285 with the aid of the Wiring Diagrams. CHECK the operation of the system. | | E8: CHECK FOR OPEN CIRCUIT BETWEEN THE EATC MODULE AND THE DLC | CAUTION:The following measurement must only be performed using the Ford approved diagnostic tool digital multimeter. Failure to observe this instruction can lead to damage. | | | 1 Measure the resistance between the EATC module, connector C2H101-B, pin 18, circuit VDB06M (GY/OG), wiring harness side and the DLC, connector C3DB04, pin 3, circuit VDB06X (GY/OG), wiring harness side. | | | Is a resistance of less than 2 Ohms registered? Yes CHECK and if necessary RENEW the EATC module. CHECK the operation of the system. No LOCATE and RECTIFY the break in circuit VDB06M (GY/OG) between the EATC module and soldered connection SP295 with the aid of the Wiring Diagrams. CHECK the operation of the system. | | PINPOINT TEST F : AUDIO SYSTEM CONTROL PANEL NOT COMMUNICATING WITH THE FORD APPROVED DIAGNOSTIC TOOL | | TEST CONDITIONS | DETAILS/RESULTS/ACTIONS | | F1: CHECK COMMUNICATION WITH THE INSTRUMENT CLUSTER | | | 1 Ignition switch in position 0. | | | 2 Connect the diagnostic tool. | | | 3 Select the instrument cluster with the Ford approved diagnostic tool. | | | Is it possible to establish communication with the instrument cluster? Yes No | | F2: CHECK FUSE F6 | | | 1 CHECK Fuse F6 (CJB). | | | Is the fuse OK? Yes No RENEW fuse F6 (15 A). CHECK the operation of the system. If the fuse blows again, LOCATE and REPAIR the short using the Wiring Diagrams. | | F3: CHECK THE VOLTAGE AT FUSE F6 | | | 1 Connect Fuse F6 (CJB). | | | 2 Measure the voltage between fuse F6 (15 A) and ground. | | | Does the meter display battery voltage? Yes No REPAIR the voltage supply to fuse F6 with the aid of the Wiring Diagrams. CHECK the operation of the system. | | F4: CHECK VOLTAGE AT AUDIO SYSTEM CONTROL PANEL | | | 1 Disconnect Connector C2ME03-A from the audio system control panel. | | | 2 Measure the voltage between the audio system control panel, connector C2ME03-A, pin 15, circuit SBP06D (BN/RD), wiring harness side and ground. | | | Does the meter display battery voltage? Yes No | | F5: CHECK FOR OPEN CIRCUIT BETWEEN THE CJB AND THE AUDIO SYSTEM CONTROL PANEL | | | 1 Ignition switch in position 0. | | | 2 Disconnect Connector C1BP02-C from the CJB. | | | 3 Measure the resistance between the CJB, connector C1BP02-C, pin 64, circuit SBP06E (BN/RD), wiring harness side and the audio system control panel, connector C2ME03-A, pin 15, circuit SBP06D (BN/RD), wiring harness side. | | | Is a resistance of less than 2 Ohms registered? Yes CHECK the CJB and RENEW as necessary. CHECK the operation of the system. No LOCATE and REPAIR the open circuit between the audio system control panel and the CJB using the Wiring Diagrams. CHECK the operation of the system. | | F6: CHECK VOLTAGE AT AUDIO SYSTEM CONTROL PANEL | | | 1 Ignition switch in position I. | | | 2 Measure the voltage between the audio system control panel, connector C2ME03-A, pin 16, circuit CDC33C (VT/GN), wiring harness side and ground. | | | Does the meter display battery voltage? Yes No LOCATE and REPAIR the break in the circuit between the audio system control panel and the ignition switch with the aid of the Wiring Diagrams. CHECK the operation of the system. | | F7: CHECK GROUND CONNECTION OF AUDIO SYSTEM CONTROL PANEL | | | 1 Ignition switch in position 0. | | | 2 Measure the resistance between the audio system control panel, connector C2ME03-A, pin 11, circuit GD103C (BK/BU), wiring harness side and ground. | | | Is a resistance of less than 2 Ohms registered? Yes No LOCATE and RECTIFY the open circuit between the audio system control panel and ground connection G2D114 with the aid of the Wiring Diagrams. CHECK the operation of the system. | | F8: CHECK GROUND CONNECTION OF AUDIO SYSTEM CONTROL PANEL | | | 1 Measure the resistance between the audio system control panel, connector C2ME03-A, pin 12, circuit GD103A (BK/BU), wiring harness side and ground. | | | Is a resistance of less than 2 Ohms registered? Yes No LOCATE and RECTIFY the open circuit between the audio system control panel and ground connection G2D114 with the aid of the Wiring Diagrams. CHECK the operation of the system. | | F9: CHECK FOR OPEN CIRCUIT BETWEEN THE AUDIO SYSTEM CONTROL PANEL AND THE DLC | CAUTION:The following measurement must only be performed using the Ford approved diagnostic tool digital multimeter. Failure to observe this instruction can lead to damage. | | | 1 Measure the resistance between the audio system control panel, connector C2ME03-A, pin 9, circuit VDB13J (BU/GY), wiring harness side and the DLC, connector C3DB04, pin 1, circuit VDB13F (BU/GY), wiring harness side. | | | Is a resistance of less than 2 Ohms registered? Yes No LOCATE and REPAIR the open circuit between the audio system control panel and soldered connection SP349 using the Wiring Diagrams. CHECK the operation of the system. | | F10: CHECK FOR OPEN CIRCUIT BETWEEN THE AUDIO SYSTEM CONTROL PANEL AND THE DLC | CAUTION:The following measurement must only be performed using the Ford approved diagnostic tool digital multimeter. Failure to observe this instruction can lead to damage. | | | 1 Measure the resistance between the audio system control panel, connector C2ME03-A, pin 10, circuit VDB14H (VT/GY), wiring harness side and the DLC, connector C3DB04, pin 8, circuit VDB14F (VT/GY), wiring harness side. | | | Is a resistance of less than 2 Ohms registered? Yes CHECK and if necessary RENEW the audio system control panel. CHECK the operation of the system. No LOCATE and REPAIR the open circuit between the audio system control panel and soldered connection SP355 using the Wiring Diagrams. CHECK the operation of the system. | | PINPOINT TEST G : NAVIGATION SYSTEM TOUCH SCREEN NOT COMMUNICATING WITH THE FORD APPROVED DIAGNOSTIC TOOL - VEHICLES EQUIPPED WITH DVD NAVIGATION SYSTEM WITH TOUCH SCREEN | | TEST CONDITIONS | DETAILS/RESULTS/ACTIONS | | G1: CHECK COMMUNICATION WITH THE INSTRUMENT CLUSTER | | | 1 Ignition switch in position 0. | | | 2 Connect the diagnostic tool. | | | 3 Select the instrument cluster with the Ford approved diagnostic tool. | | | Is it possible to establish communication with the instrument cluster? Yes No | | G2: CHECK FUSE F6 | | | 1 Ignition switch in position 0. | | | 2 CHECK Fuse F6 (CJB). | | | Is the fuse OK? Yes No RENEW fuse F6 (15 A). CHECK the operation of the system. If the fuse blows again, LOCATE and REPAIR the short using the Wiring Diagrams. | | G3: CHECK THE VOLTAGE AT FUSE F6 | | | 1 Connect Fuse F6 (CJB). | | | 2 Measure the voltage between fuse F6 (15 A) and ground. | | | Does the meter display battery voltage? Yes No REPAIR the voltage supply to fuse F6 with the aid of the Wiring Diagrams. CHECK the operation of the system. | | G4: CHECK THE VOLTAGE AT THE NAVIGATION SYSTEM TOUCH SCREEN | | | 1 Disconnect Connector C2ME03-F from the navigation system touch screen. | | | 2 Measure the voltage between the navigation system touch screen, connector C2ME03-F, pin 1, circuit SBP06J (BN/RD), wiring harness side and ground. | | | Does the meter display battery voltage? Yes No | | G5: CHECK FOR OPEN CIRCUIT BETWEEN THE CJB AND THE NAVIGATION SYSTEM TOUCH SCREEN | | | 1 Disconnect Connector C1BP02-C from the CJB. | | | 2 Measure the resistance between the CJB, connector C1BP02-C, pin 64, circuit SBP06E (BN/RD), wiring harness side and the navigation system touch screen, connector C2ME03-F, pin 1, circuit SBP06JD (BN/RD), wiring harness side. | | | Is a resistance of less than 2 Ohms registered? Yes CHECK the CJB and RENEW as necessary. CHECK the operation of the system. No LOCATE and REPAIR the break in the circuit between the navigation system touch screen and the CJB using the Wiring Diagrams. CHECK the operation of the system. | | G6: CHECK THE VOLTAGE AT THE NAVIGATION SYSTEM TOUCH SCREEN | | | 1 Ignition switch in position I. | | | 2 Measure the voltage between the navigation system touch screen, connector C2ME03-F, pin 2, circuit CDC33D (VT/GN), wiring harness side and ground. | | | Does the meter display battery voltage? Yes No LOCATE and RECTIFY the break in the circuit between the navigation system touch screen and the ignition switch with the aid of the Wiring Diagrams. CHECK the operation of the system. | | G7: CHECK THE GROUND CONNECTION OF THE NAVIGATION SYSTEM TOUCH SCREEN | | | 1 Ignition switch in position 0. | | | 2 Measure the resistance between the navigation system touch screen, connector C2ME03-F, pin 11, circuit GD138BF (BK/WH), wiring harness side and ground. | | | 3 Measure the resistance between the navigation system touch screen, connector C2ME03-F, pin 12, circuit GD138BG (BK/WH), wiring harness side and ground. | | | Is a resistance of less than 2 Ohm measured in both cases? Yes No - If a resistance of more than 2 Ohms is measured in one of the measurements:LOCATE and REPAIR the break in the affected circuit between the navigation system touch screen and soldered connection SP196 using the Wiring Diagrams. CHECK the operation of the system. - If a resistance of more than 2 Ohms is measured in both of the measurements:LOCATE and RECTIFY the open circuit in the circuit between soldered connection SP196 and ground connection G6D139 with the aid of the Wiring Diagrams. CHECK the operation of the system. | | G8: CHECK FOR OPEN CIRCUIT BETWEEN THE NAVIGATION SYSTEM TOUCH SCREEN AND THE DATA LINK CONNECTOR (DLC) | CAUTION:The following measurement must only be performed using the Ford approved diagnostic tool digital multimeter. Failure to observe this instruction can lead to damage. | | | 1 Measure the resistance between the navigation system touch screen, connector C2ME03-F, pin 15, circuit VDB14G (VT/GY), wiring harness side and the DLC, connector C3DB04, pin 8, circuit VDB14F (VT/GY), wiring harness side. | | | Is a resistance of less than 2 Ohms registered? Yes No LOCATE and RECTIFY the break in circuit VDB14G (VT/GY) between the navigation system touch screen and soldered connection SP350 with the aid of the Wiring Diagrams. CHECK the operation of the system. | | G9: CHECK FOR OPEN CIRCUIT BETWEEN THE NAVIGATION SYSTEM TOUCH SCREEN AND THE DLC | CAUTION:The following measurement must only be performed using the Ford approved diagnostic tool digital multimeter. Failure to observe this instruction can lead to damage. | | | 1 Measure the resistance between the navigation system touch screen, connector C2ME03-F, pin 5, circuit VDB13H (BU/GY), wiring harness side and the DLC, connector C3DB04, pin 1, circuit VDB13F (BU/GY), wiring harness side. | | | Is a resistance of less than 2 Ohms registered? Yes CHECK and if necessary RENEW the navigation system touch screen. CHECK the operation of the system. No LOCATE and RECTIFY the break in circuit VDB13H (BU/GY) between the navigation system touch screen and soldered connection SP345 with the aid of the Wiring Diagrams. CHECK the operation of the system. | | PINPOINT TEST H : DVD DRIVE NOT COMMUNICATING WITH THE FORD APPROVED DIAGNOSTIC TOOL - VEHICLES EQUIPPED WITH DVD NAVIGATION SYSTEM WITH TOUCH SCREEN | | TEST CONDITIONS | DETAILS/RESULTS/ACTIONS | | H1: CHECK COMMUNICATION WITH THE INSTRUMENT CLUSTER | | | 1 Ignition switch in position 0. | | | 2 Connect the diagnostic tool. | | | 3 Select the instrument cluster with the Ford approved diagnostic tool. | | | Is it possible to establish communication with the instrument cluster? Yes No | | H2: CHECK FUSE F6 | | | 1 Ignition switch in position 0. | | | 2 CHECK Fuse F6 (CJB). | | | Is the fuse OK? Yes No RENEW fuse F6 (15 A). CHECK the operation of the system. If the fuse blows again, LOCATE and REPAIR the short using the Wiring Diagrams. | | H3: CHECK THE VOLTAGE AT FUSE F6 | | | 1 Connect Fuse F6 (CJB). | | | 2 Measure the voltage between fuse F6 (15 A) and ground. | | | Does the meter display battery voltage? Yes No REPAIR the voltage supply to fuse F6 with the aid of the Wiring Diagrams. CHECK the operation of the system. | | H4: CHECK THE VOLTAGE AT THE DVD DRIVE | | | 1 Disconnect Connector C2ME04 from the DVD drive. | | | 2 Measure the voltage between the DVD drive, connector C2ME04, pin 1, circuit SBP06F (BN/RD), wiring harness side and ground. | | | Does the meter display battery voltage? Yes No | | H5: CHECK FOR OPEN CIRCUIT BETWEEN THE CJB AND THE DVD DRIVE. | | | 1 Disconnect Connector C1BP02-C from the CJB. | | | 2 Measure the resistance between the CJB, connector C1BP02-C, pin 64, circuit SBP06E (BN/RD), wiring harness side and the DVD drive, connector C2ME04, pin 1, circuit SBP06F (BN/RD), wiring harness side. | | | Is a resistance of less than 2 Ohms registered? Yes CHECK the CJB and RENEW as necessary. CHECK the operation of the system. No LOCATE and RECTIFY the break in the circuit between the DVD drive and the CJB with the aid of the Wiring Diagrams. CHECK the operation of the system. | | H6: CHECK THE GROUND CONNECTION OF THE DVD DRIVE | | | 1 Measure the resistance between the DVD drive, connector C2ME04, pin 13, circuit GD138BH (BK/WH), wiring harness side and ground. | | | Is a resistance of less than 2 Ohms registered? Yes No LOCATE and RECTIFY the break in the relevant circuit between the DVD drive and ground connection G6D139 with the aid of the Wiring Diagrams. CHECK the operation of the system. | | H7: CHECK FOR OPEN CIRCUIT BETWEEN THE DVD DRIVE AND THE DATA LINK CONNECTOR (DLC) | CAUTION:The following measurement must only be performed using the Ford approved diagnostic tool digital multimeter. Failure to observe this instruction can lead to damage. | | | 1 Measure the resistance between the DVD drive, connector C2ME04, pin 17, circuit VDB14E (VT/GY), wiring harness side and the DLC, connector C3DB04, pin 8, circuit VDB14F (VT/GY), wiring harness side. | | | Is a resistance of less than 2 Ohms registered? Yes No LOCATE and RECTIFY the break in the circuit between the DVD drive and soldered connection SP354 with the aid of the Wiring Diagrams. CHECK the operation of the system. | | H8: CHECK FOR OPEN CIRCUIT BETWEEN THE DVD DRIVE AND THE DLC | CAUTION:The following measurement must only be performed using the Ford approved diagnostic tool digital multimeter. Failure to observe this instruction can lead to damage. | | | 1 Measure the resistance between the DVD drive, connector C2ME04, pin 5, circuit VDB13E (BU/GY), wiring harness side and the DLC, connector C3DB04, pin 1, circuit VDB13F (BU/GY), wiring harness side. | | | Is a resistance of less than 2 Ohms registered? Yes CHECK the DVD drive and RENEW it if necessary. CHECK the operation of the system. No LOCATE and RECTIFY the break in the circuit between the DVD drive and soldered connection SP344 with the aid of the Wiring Diagrams. CHECK the operation of the system. | | PINPOINT TEST I : FUEL-FIRED BOOSTER HEATER/PROGRAMMABLE FUEL-FIRED BOOSTER HEATER NOT COMMUNICATING WITH THE FORD APPROVED DIAGNOSTIC TOOL | | TEST CONDITIONS | DETAILS/RESULTS/ACTIONS | | I1: CHECK COMMUNICATION WITH THE GENERIC ELECTRONIC MODULE (GEM) | | | 1 Ignition switch in position 0. | | | 2 Connect the diagnostic tool. | | | 3 Select the generic electronic module (GEM) with the Ford approved diagnostic tool. | | | Is it possible to establish communications with the GEM? Yes No | | I2: CHECK FUSE F27 | | | 1 Ignition switch in position 0. | | | 2 CHECK Fuse F27 (EJB). | | | Is the fuse OK? Yes No RENEW fuse F27 (30 A). CHECK the operation of the system. If the fuse blows again, LOCATE and REPAIR the short using the Wiring Diagrams. | | I3: CHECK THE VOLTAGE AT FUSE F27 | | | 1 Connect Fuse F27 (EJB). | | | 2 Measure the voltage between fuse F27 (30 A) and ground. | | | Does the meter display battery voltage? Yes No REPAIR the voltage supply to fuse F27 with the aid of the Wiring Diagrams. CHECK the operation of the system. | | I4: CHECK THE VOLTAGE AT THE FUEL-FIRED BOOSTER HEATER / PROGRAMMABLE FUEL-FIRED BOOSTER HEATER | | | 1 Disconnect Connector C1HF01-C from the fuel-fired booster heater / programmable fuel-fired booster heater. | | | 2 Measure the voltage between the fuel-fired booster heater / programmable fuel-fired booster heater, connector C1HF01-C, pin 3, circuit SBB27A (BU/RD), wiring harness side and ground. | | | Does the meter display battery voltage? Yes No LOCATE and RECTIFY the break in circuit SBB27A (BU/RD) between the fuel-fired booster heater / programmable fuel-fired booster heater and the EJB with the aid of the Wiring Diagrams. CHECK the operation of the system. | | I5: CHECK THE GROUND CONNECTION OF THE FUEL-FIRED BOOSTER HEATER / PROGRAMMABLE FUEL-FIRED BOOSTER HEATER | | | 1 Measure the resistance between the fuel-fired booster heater / programmable fuel-fired booster heater, connector C1HF01-C, pin 4, circuit GD132L (BK/VT), wiring harness side and ground. | | | Is a resistance of less than 2 Ohms registered? Yes No LOCATE and RECTIFY the open circuit between the fuel-fired booster heater / programmable fuel-fired booster heater and soldered connection SP380 with the aid of the Wiring Diagrams. CHECK the operation of the system. | | I6: CHECK FOR OPEN CIRCUIT BETWEEN THE FUEL-FIRED BOOSTER HEATER / PROGRAMMABLE FUEL-FIRED BOOSTER HEATER AND THE DATA LINK CONNECTOR (DLC) | CAUTION:The following measurement must only be performed using the Ford approved diagnostic tool digital multimeter. Failure to observe this instruction can lead to damage. | | | 1 Measure the resistance between the fuel-fired booster heater / programmable fuel-fired booster heater, connector C1HF01-C, pin 6, circuit VDB07F (VT/OG), wiring harness side and the DLC, connector C3DB04, pin 11, circuit VDB07D (VT/OG), wiring harness side. | | | Is a resistance of less than 2 Ohms registered? Yes No LOCATE and RECTIFY the open circuit between the fuel-fired booster heater / programmable fuel-fired booster heater and soldered connection SP282 with the aid of the Wiring Diagrams. CHECK the operation of the system. | | I7: CHECK FOR OPEN CIRCUIT BETWEEN THE FUEL-FIRED BOOSTER HEATER / PROGRAMMABLE FUEL-FIRED BOOSTER HEATER AND THE DLC | CAUTION:The following measurement must only be performed using the Ford approved diagnostic tool digital multimeter. Failure to observe this instruction can lead to damage. | | | 1 Measure the resistance between the fuel-fired booster heater / programmable fuel-fired booster heater, connector C1HF01-C, pin 11, circuit VDB06Z (GY/OG), wiring harness side and the DLC, connector C3DB04, pin 3, circuit VDB06X (GY/OG), wiring harness side. | | | Is a resistance of less than 2 Ohms registered? Yes CHECK and if necessary RENEW the fuel-fired booster heater / programmable fuel-fired booster heater. CHECK the operation of the system. No LOCATE and RECTIFY the open circuit between the fuel-fired booster heater / programmable fuel-fired booster heater and soldered connection SP290 with the aid of the Wiring Diagrams. CHECK the operation of the system. | | PINPOINT TEST J : KEYLESS VEHICLE MODULE NOT COMMUNICATING WITH THE FORD APPROVED DIAGNOSTIC TOOL | | TEST CONDITIONS | DETAILS/RESULTS/ACTIONS | | J1: CHECK COMMUNICATIONS WITH THE GENERIC ELECTRONIC MODULE (GEM) | | | 1 Ignition switch in position 0. | | | 2 Connect the diagnostic tool. | | | 3 Select the generic electronic module (GEM) with the Ford approved diagnostic tool. | | | Is it possible to establish communications with the GEM? Yes No | | J2: CHECK FUSE FC8 | | | 1 Ignition switch in position 0. | | | 2 CHECK Fuse FC8 (RJB). | | | Is the fuse OK? Yes No INSTALL A NEW fuse FC8 (20 A). CHECK the operation of the system. If the fuse blows again, LOCATE and REPAIR the short using the Wiring Diagrams. | | J3: CHECK THE VOLTAGE AT FUSE FC8 | | | 1 Connect Fuse FC8 (RJB). | | | 2 Measure the voltage between fuse FC8 (20 A) and ground. | | | Does the meter display battery voltage? Yes No REPAIR the voltage supply to fuse FC8 with the aid of the Wiring Diagrams. CHECK the operation of the system. | | J4: CHECK THE VOLTAGE AT THE KEYLESS VEHICLE MODULE | | | 1 Disconnect Connector C2PK28-C from the keyless vehicle module. | | | 2 Measure the voltage between the keyless vehicle module, connector C2PK28-C, pin 5, circuit SBR08A (VT/RD), wiring harness side and ground. | | | Does the meter display battery voltage? Yes No | | J5: CHECK FOR OPEN CIRCUIT BETWEEN THE RJB AND THE KEYLESS VEHICLE MODULE | | | 1 Disconnect Connector C4BR02-C from the RJB. | | | 2 Measure the resistance between the RJB, connector C4BR02-C, pin 317, circuit SBR08A (VT/RD), wiring harness side and the keyless vehicle module, connector C2PK28-C, pin 5, circuit SBR08A (VT/RD), wiring harness side. | | | Is a resistance of less than 2 Ohms registered? Yes CHECK and RENEW the RJB if necessary. CHECK the operation of the system. No LOCATE and RECTIFY the break in circuit SBR08A (VT/RD) between the keyless vehicle module and the RJB with the aid of the Wiring Diagrams. CHECK the operation of the system. | | J6: CHECK THE GROUND CONNECTION OF THE KEYLESS VEHICLE MODULE | | | 1 Measure the resistance between the keyless vehicle module, connector C2PK28-C, pin 4, circuit GD151H (BK/GN), wiring harness side and ground. | | | Is a resistance of less than 2 Ohms registered? Yes No LOCATE and RECTIFY the break in the circuit between the keyless vehicle module and ground connection G3D127 with the aid of the Wiring Diagrams. CHECK the operation of the system. | | J7: CHECK FOR OPEN CIRCUIT BETWEEN THE KEYLESS VEHICLE MODULE AND THE DATA LINK CONNECTOR (DLC) | CAUTION:The following measurement must only be performed using the Ford approved diagnostic tool digital multimeter. Failure to observe this instruction can lead to damage. | | | 1 Disconnect Connector C2PK28-D from the keyless vehicle module. | | | 2 Measure the resistance between the keyless vehicle module, connector C2PK28-D, pin 4, circuit VDB07CA (VT/OG), wiring harness side and the DLC, connector C3DB04, pin 11, circuit VDB07D (VT/OG), wiring harness side. | | | Is a resistance of less than 2 Ohms registered? Yes No LOCATE and RECTIFY the break in the circuit between the keyless vehicle module and soldered connection SP287 with the aid of the Wiring Diagrams. CHECK the operation of the system. | | J8: CHECK FOR OPEN CIRCUIT BETWEEN THE KEYLESS VEHICLE MODULE AND THE DLC | CAUTION:The following measurement must only be performed using the Ford approved diagnostic tool digital multimeter. Failure to observe this instruction can lead to damage. | | | 1 Measure the resistance between the keyless vehicle module, connector C2PK28-D, pin 3, circuit VDB06CA (GY/OG), wiring harness side and the DLC, connector C3DB04, pin 3, circuit VDB06X (GY/OG), wiring harness side. | | | Is a resistance of less than 2 Ohms registered? Yes CHECK and if necessary RENEW the keyless vehicle module. CHECK the operation of the system. No LOCATE and RECTIFY the break in the circuit between the keyless vehicle module and soldered connection SP296 with the aid of the Wiring Diagrams. CHECK the operation of the system. | | PINPOINT TEST K : AUXILIARY CLIMATE CONTROL MODULE NOT COMMUNICATING WITH THE FORD APPROVED DIAGNOSTIC TOOL | | TEST CONDITIONS | DETAILS/RESULTS/ACTIONS | | K1: CHECK COMMUNICATIONS WITH THE GENERIC ELECTRONIC MODULE (GEM) | | | 1 Ignition switch in position 0. | | | 2 Connect the diagnostic tool. | | | 3 Select the generic electronic module (GEM) with the Ford approved diagnostic tool. | | | Is it possible to establish communications with the GEM? Yes No | | K2: CHECK FUSE FC4 | | | 1 Ignition switch in position 0. | | | 2 CHECK Fuse FC4 (RJB). | | | Is the fuse OK? Yes No INSTALL A NEW fuse FC4 (10 A). CHECK the operation of the system. If the fuse blows again, LOCATE and REPAIR the short using the Wiring Diagrams. | | K3: CHECK THE VOLTAGE AT FUSE FC4 | | | 1 Connect Fuse FC4 (RJB). | | | 2 Measure the voltage between fuse FC4 (10 A) and ground. | | | Does the meter display battery voltage? Yes No REPAIR the voltage supply to fuse FC4 with the aid of the Wiring Diagrams. CHECK the operation of the system. | | K4: CHECK FUSE FB6 | | | 1 CHECK Fuse FB6 (RJB). | | | Is the fuse OK? Yes No RENEW fuse FB6 (10 A). CHECK the operation of the system. If the fuse blows again, LOCATE and REPAIR the short using the Wiring Diagrams. | | K5: CHECK THE VOLTAGE AT FUSE FB6 | | | 1 Connect Fuse FB6 (RJB). | | | 2 Ignition switch in position II. | | | 3 Measure the voltage between fuse FB6 (10 A) and ground. | | | Does the meter display battery voltage? Yes No REPAIR the voltage supply to fuse FB6 with the aid of the Wiring Diagrams. CHECK the operation of the system. | | K6: CHECK THE VOLTAGE AT THE AUXILIARY CLIMATE CONTROL MODULE | | | 1 Ignition switch in position 0. | | | 2 Disconnect Connector C3H101-A from the auxiliary climate control module. | | | 3 Measure the voltage between the auxiliary climate control module, connector C3H101-A, pin 1, circuit SBR04A (GN/RD), wiring harness side and ground. | | | Does the meter display battery voltage? Yes No | | K7: CHECK FOR OPEN CIRCUIT BETWEEN THE RJB AND THE AUXILIARY CLIMATE CONTROL MODULE | | | 1 Disconnect Connector C4BR02-C from the RJB. | | | 2 Measure the resistance between the RJB, connector C4BR02-C, pin 305, circuit SBR04A (GN/RD), wiring harness side and the auxiliary climate control module, connector C3H101-A, pin 1, circuit SBR04A (GN/RD), wiring harness side. | | | Is a resistance of less than 2 Ohms registered? Yes CHECK and RENEW the RJB if necessary. CHECK the operation of the system. No LOCATE and RECTIFY the break in circuit SBR04A (GN/RD) between the auxiliary climate control module and the RJB with the aid of the Wiring Diagrams. CHECK the operation of the system. | | K8: CHECK THE VOLTAGE AT THE AUXILIARY CLIMATE CONTROL MODULE | | | 1 Ignition switch in position II. | | | 2 Measure the voltage between the auxiliary climate control module, connector C3H101-A, pin 6, circuit CBR06B (WH/BU), wiring harness side and ground. | | | Does the meter display battery voltage? Yes No | | K9: CHECK FOR OPEN CIRCUIT BETWEEN THE RJB AND THE AUXILIARY CLIMATE CONTROL MODULE | | | 1 Ignition switch in position 0. | | | 2 Disconnect Connector C4BR02-B from the RJB. | | | 3 Measure the resistance between the RJB, connector C4BR02-B, pin 221, circuit CBR06B (WH/BU), wiring harness side and the auxiliary climate control module, connector C3H101-A, pin 6, circuit CBR06B (WH/BU), wiring harness side. | | | Is a resistance of less than 2 Ohms registered? Yes CHECK and RENEW the RJB if necessary. CHECK the operation of the system. No LOCATE and RECTIFY the break in circuit CBR06B (WH/BU) between the auxiliary climate control module and the RJB with the aid of the Wiring Diagrams. CHECK the operation of the system. | | K10: CHECK THE GROUND CONNECTION OF THE AUXILIARY CLIMATE CONTROL MODULE | | | 1 Ignition switch in position 0. | | | 2 Measure the resistance between the auxiliary climate control module, connector C3H101-A, pin 10, circuit GD150L (BK/WH), wiring harness side and ground. | | | Is a resistance of less than 2 Ohms registered? Yes No LOCATE and RECTIFY the break in the circuit between the auxiliary climate control module and ground connection G4D149 with the aid of the Wiring Diagrams. CHECK the operation of the system. | | K11: CHECK FOR OPEN CIRCUIT BETWEEN THE AUXILIARY CLIMATE CONTROL MODULE AND THE DATA LINK CONNECTOR (DLC) | CAUTION:The following measurement must only be performed using the Ford approved diagnostic tool digital multimeter. Failure to observe this instruction can lead to damage. | | | 1 Measure the resistance between the auxiliary climate control module, connector C3H101-A, pin 4, circuit VDB07T ((VT/OG), wiring harness side and the DLC, connector C3DB04, pin 11, circuit VDB07D (VT/OG), wiring harness side. | | | Is a resistance of less than 2 Ohms registered? Yes No LOCATE and RECTIFY the break in the circuit between the auxiliary climate control module and soldered connection SP278 with the aid of the Wiring Diagrams. CHECK the operation of the system. | | K12: CHECK FOR OPEN CIRCUIT BETWEEN THE AUXILIARY CLIMATE CONTROL MODULE AND THE DLC | CAUTION:The following measurement must only be performed using the Ford approved diagnostic tool digital multimeter. Failure to observe this instruction can lead to damage. | | | 1 Measure the resistance between the auxiliary climate control module, connector C3H101-A, pin 3, circuit VDB06J (GY/OG), wiring harness side and the DLC, connector C3DB04, pin 3, circuit VDB06X (GY/OG), wiring harness side. | | | Is a resistance of less than 2 Ohms registered? Yes CHECK and if necessary RENEW the auxiliary climate control module. CHECK the operation of the system. No LOCATE and RECTIFY the break in the circuit between the auxiliary climate control module and soldered connection SP279 with the aid of the Wiring Diagrams. CHECK the operation of the system. | | PINPOINT TEST L : TRAILER COUPLING MODULE NOT COMMUNICATING WITH THE FORD APPROVED DIAGNOSTIC TOOL | | TEST CONDITIONS | DETAILS/RESULTS/ACTIONS | | L1: CHECK COMMUNICATIONS WITH THE GENERIC ELECTRONIC MODULE (GEM) | | | 1 Ignition switch in position 0. | | | 2 Connect the diagnostic tool. | | | 3 Select the generic electronic module (GEM) with the Ford approved diagnostic tool. | | | Is it possible to establish communications with the GEM? Yes No | | L2: CHECK FUSE FA11 | | | 1 Ignition switch in position 0. | | | 2 CHECK Fuse FA11 (RJB). | | | Is the fuse OK? Yes No RENEW fuse FA11 (40 A). CHECK the operation of the system. If the fuse blows again, LOCATE and REPAIR the short using the Wiring Diagrams. | | L3: CHECK THE VOLTAGE AT FUSE FA11 | | | 1 Connect Fuse FA11 (RJB). | | | 2 Measure the voltage between fuse FA11 (40 A) and ground. | | | Does the meter display battery voltage? Yes No REPAIR the voltage supply to fuse FA11 with the aid of the wiring diagrams. CHECK the operation of the system. | | L4: CHECK THE VOLTAGE AT THE TRAILER COUPLING MODULE | | | 1 Ignition switch in position 0. | | | 2 Disconnect Connector C4AT23-B from the trailer coupling module. | | | 3 Measure the voltage between the trailer coupling module, connector C4AT23-B, pin 2, circuit SBR11A (BU/RD), wiring harness side and ground. | | | Does the meter display battery voltage? Yes No | | L5: CHECK FOR OPEN CIRCUIT BETWEEN THE RJB AND THE TRAILER COUPLING MODULE | | | 1 Disconnect Connector C4BR02-A from the RJB. | | | 2 Measure the resistance between the RJB, connector C4BR02-A, pin 108, circuit SBR11A (BU/RD), wiring harness side and the trailer coupling module, connector C4AT23-B, pin 2, circuit SBR11A (BU/RD), wiring harness side. | | | Is a resistance of less than 2 Ohms registered? Yes CHECK and RENEW the RJB if necessary. CHECK the operation of the system. No LOCATE and RECTIFY the break in circuit SBR11A (BU/RD) between the trailer coupling module and the RJB with the aid of the Wiring Diagrams. CHECK the operation of the system. | | L6: CHECK THE GROUND CONNECTION OF THE TRAILER COUPLING MODULE | | | 1 Ignition switch in position 0. | | | 2 Measure the resistance between the trailer coupling module, connector C4AT23-C, pin 4, circuit GD152C (BK/BU), wiring harness side and ground. | | | Is a resistance of less than 2 Ohms registered? Yes No LOCATE and RECTIFY the break in the circuit between the trailer coupling module and ground connection G4D151 with the aid of the Wiring Diagrams. CHECK the operation of the system. | | L7: CHECK FOR OPEN CIRCUIT BETWEEN THE TRAILER COUPLING MODULE AND THE DATA LINK CONNECTOR (DLC) | CAUTION:The following measurement must only be performed using the Ford approved diagnostic tool digital multimeter. Failure to observe this instruction can lead to damage. | | | 1 Measure the resistance between the trailer coupling module, connector C4AT23-C, pin 2, circuit VDB07V ((VT/OG), wiring harness side and the DLC, connector C3DB04, pin 11, circuit VDB07D (VT/OG), wiring harness side. | | | Is a resistance of less than 2 Ohms registered? Yes No LOCATE and RECTIFY the break in the circuit between the trailer coupling module and soldered connection SP287 with the aid of the Wiring Diagrams. CHECK the operation of the system. | | L8: CHECK FOR OPEN CIRCUIT BETWEEN THE TRAILER COUPLING MODULE AND THE DLC | CAUTION:The following measurement must only be performed using the Ford approved diagnostic tool digital multimeter. Failure to observe this instruction can lead to damage. | | | 1 Measure the resistance between the trailer coupling module, connector C4AT23-C, pin 1, circuit VDB06L (GY/OG), wiring harness side and the DLC, connector C3DB04, pin 3, circuit VDB06X (GY/OG), wiring harness side. | | | Is a resistance of less than 2 Ohms registered? Yes CHECK and if necessary RENEW the trailer coupling module. CHECK the operation of the system. No LOCATE and RECTIFY the break in the circuit between the trailer coupling module and soldered connection SP296 with the aid of the Wiring Diagrams. CHECK the operation of the system. | | PINPOINT TEST M : LIGHTS CONTROL MODULE (LCM) NOT COMMUNICATING WITH THE FORD APPROVED DIAGNOSTIC TOOL - VEHICLES WITH GAS DISCHARGE LAMPS AND VEHICLES WITH ADAPTIVE FRONT LIGHTING | | TEST CONDITIONS | DETAILS/RESULTS/ACTIONS | | M1: CHECK COMMUNICATION WITH THE POWERTRAIN CONTROL MODULE (PCM) | | | 1 Ignition switch in position 0. | | | 2 Connect the diagnostic tool. | | | 3 Select the powertrain control module (PCM) with the Ford approved diagnostic tool. | | | Is it possible to establish communications with the PCM? Yes No | | M2: CHECK FUSE F39 | | | 1 Ignition switch in position 0. | | | 2 CHECK Fuse F39 (EJB). | | | Is the fuse OK? Yes No RENEW fuse F39 (15 A). CHECK the operation of the system. If the fuse blows again, LOCATE and REPAIR the short using the Wiring Diagrams. | | M3: CHECK THE VOLTAGE AT FUSE F39 | | | 1 Connect Fuse F39 (EJB). | | | 2 Ignition switch in position II. | | | 3 Measure the voltage between fuse F39 (15 A) and ground. | | | Does the meter display battery voltage? Yes No REPAIR the voltage supply to fuse F39 with the aid of the Wiring Diagrams. CHECK the operation of the system. | | M4: CHECK THE VOLTAGE AT THE LCM | | | 1 Ignition switch in position 0. | | | 2 Disconnect Connector C2LF23-B from the LCM. | | | 3 Ignition switch in position II. | | | 4 Measure the voltage between the LCM, connector C2LF23-B, pin 1, circuit CBB39D (VT/WH), wiring harness side and ground. | | | 5 Measure the voltage between the LCM, connector C2LF23-B, pin 2, circuit CBB39G (VT/WH), wiring harness side and ground. | | | Is battery voltage measured in both cases? Yes No If battery voltage is not measured during one measurement:LOCATE and RECTIFY the break in the circuit between soldered connection SP174 and the EJB with the aid of the Wiring Diagrams. CHECK the operation of the system. If battery voltage is not measured during either measurement: GO to M5. | | M5: CHECK FOR OPEN CIRCUIT BETWEEN THE EJB AND THE LCM | | | 1 Ignition switch in position 0. | | | 2 Disconnect Connector C1BB01-A from the EJB. | | | 3 Measure the resistance between the EJB, connector C1BB01-A, pin 124, circuit CBB39A (VT/WH), wiring harness side and the LCM, connector C2LF23-B, pin 2, circuit CBB39G (VT/WH), wiring harness side. | | | Is a resistance of less than 2 Ohms registered? Yes CHECK and if necessary RENEW the EJB. CHECK the operation of the system. No LOCATE and REPAIR the break in the circuit between the LCM and the EJB with the aid of the Wiring Diagrams. CHECK the operation of the system. | | M6: CHECK THE GROUND CONNECTION OF THE LCM | | | 1 Ignition switch in position 0. | | | 2 Disconnect Connector C2LF23-A from the LCM. | | | 3 Measure the resistance between the LCM, connector C2LF23-A, pin 1, circuit GD138BU (BK/WH), wiring harness side and ground. | | | Is a resistance of less than 2 Ohms registered? Yes No LOCATE and REPAIR the open circuit between the LCM and ground connection G6D139 with the aid of the Wiring Diagrams. CHECK the operation of the system. | | M7: CHECK FOR OPEN CIRCUIT BETWEEN THE LCM AND THE DATA LINK CONNECTOR (DLC) | CAUTION:The following measurement must only be performed using the Ford approved diagnostic tool digital multimeter. Failure to observe this instruction can lead to damage. | | | 1 Measure the resistance between the LCM, connector C2LF23-A, pin 13, circuit VDB05AK (WH), wiring harness side and the DLC, connector C3DB04, pin 14, circuit VDB05Z (WH), wiring harness side. | | | Is a resistance of less than 2 Ohms registered? Yes No LOCATE and REPAIR the break in the circuit between the LCM and soldered connection SP541 with the aid of the Wiring Diagrams. CHECK the operation of the system. | | M8: CHECK FOR OPEN CIRCUIT BETWEEN THE LCM AND THE DLC | CAUTION:The following measurement must only be performed using the Ford approved diagnostic tool digital multimeter. Failure to observe this instruction can lead to damage. | | | 1 Measure the resistance between the LCM, connector C2LF23-A, pin 14, circuit VDB04AG (WH/BU), wiring harness side and the DLC, connector C3DB04, pin 6, circuit VDB04L (WH/BU), wiring harness side. | | | Is a resistance of less than 2 Ohms registered? Yes CHECK the LCM and RENEW if necessary. CHECK the operation of the system. No LOCATE and REPAIR the break in the circuit between the LCM and soldered connection SP340 with the aid of the Wiring Diagrams. CHECK the operation of the system. | | PINPOINT TEST N : SHOCK ABSORBER CONTROL MODULE NOT COMMUNICATING WITH THE FORD APPROVED DIAGNOSTIC TOOL | | TEST CONDITIONS | DETAILS/RESULTS/ACTIONS | | N1: CHECK COMMUNICATION WITH THE POWERTRAIN CONTROL MODULE (PCM) | | | 1 Ignition switch in position 0. | | | 2 Connect the diagnostic tool. | | | 3 Select the powertrain control module (PCM) with the Ford approved diagnostic tool. | | | Is it possible to establish communications with the PCM? Yes No | | N2: CHECK FUSE FB2 | | | 1 Ignition switch in position 0. | | | 2 CHECK Fuse FB2 (RJB). | | | Is the fuse OK? Yes No RENEW fuse FB2 (15 A). CHECK the operation of the system. If the fuse blows again, LOCATE and REPAIR the short using the Wiring Diagrams. | | N3: CHECK THE VOLTAGE AT FUSE FB2 | | | 1 Connect Fuse FB2 (RJB). | | | 2 Ignition switch in position II. | | | 3 Measure the voltage between fuse FB2 (15 A) and ground. | | | Does the meter display battery voltage? Yes No REPAIR the voltage supply to fuse FB2 with the aid of the Wiring Diagrams. CHECK the operation of the system. | | N4: CHECK THE VOLTAGE AT THE SHOCK ABSORBER CONTROL MODULE | | | 1 Ignition switch in position 0. | | | 2 Disconnect Connector C4CD01-A from the shock absorber control module. | | | 3 Ignition switch in position II. | | | 4 Measure the voltage between the shock absorber control module, connector C4CD01-A, pin 1, circuit CBR02A (GN), harness side and ground. | | | Does the meter display battery voltage? Yes No | | N5: CHECK FOR OPEN CIRCUIT BETWEEN THE RJB AND THE SHOCK ABSORBER CONTROL MODULE | | | 1 Ignition switch in position 0. | | | 2 Disconnect Connector C4BR02-B from the RJB. | | | 3 Measure the resistance between the RJB, connector C4BR02-B, pin 203, circuit CBR02A (GN), wiring harness side and the shock absorber control module, connector C4CD01-A, pin 1, circuit CBR02A (GN), wiring harness side. | | | Is a resistance of less than 2 Ohms registered? Yes CHECK and RENEW the RJB if necessary. CHECK the operation of the system. No LOCATE and RECTIFY the break in circuit CBR02A (GN) between the shock absorber control module and the RJB with the aid of the Wiring Diagrams. CHECK the operation of the system. | | N6: CHECK THE GROUND CONNECTION OF THE SHOCK ABSORBER CONTROL MODULE | | | 1 Ignition switch in position 0. | | | 2 Measure the resistance between the shock absorber control module, connector C4CD01-A, pin 2, circuit GD15ON (BK/BU), wiring harness side and ground. | | | Is a resistance of less than 2 Ohms registered? Yes No LOCATE and RECTIFY the break in the circuit between the shock absorber control module and ground connection G4D151 with the aid of the Wiring Diagrams. CHECK the operation of the system. | | N7: CHECK FOR OPEN CIRCUIT BETWEEN THE SHOCK ABSORBER CONTROL MODULE AND THE DATA LINK CONNECTOR (DLC) | CAUTION:The following measurement must only be performed using the Ford approved diagnostic tool digital multimeter. Failure to observe this instruction can lead to damage. | | | 1 Disconnect Connector C4CD01-B from the shock absorber control module. | | | 2 Measure the resistance between the shock absorber control module, connector C4CD01-B, pin 15, circuit VDB05J (WH), wiring harness side and the DLC, connector C3DB04, pin 14, circuit VDB05Z (WH), wiring harness side. | | | Is a resistance of less than 2 Ohms registered? Yes No LOCATE and RECTIFY the break in the circuit between the shock absorber control module and soldered connection SP333 with the aid of the Wiring Diagrams. CHECK the operation of the system. | | N8: CHECK FOR OPEN CIRCUIT BETWEEN THE SHOCK ABSORBER CONTROL MODULE AND THE DLC | CAUTION:The following measurement must only be performed using the Ford approved diagnostic tool digital multimeter. Failure to observe this instruction can lead to damage. | | | 1 Measure the resistance between the shock absorber control module, connector C4CD01-B, pin 16, circuit VDB04C (WH/BU), wiring harness side and the DLC, connector C3DB04, pin 6, circuit VDB04L (WH/BU), wiring harness side. | | | Is a resistance of less than 2 Ohms registered? Yes CHECK and if necessary RENEW the shock absorber control module. CHECK the operation of the system. No LOCATE and RECTIFY the break in the circuit between the shock absorber control module and soldered connection SP330 with the aid of the Wiring Diagrams. CHECK the operation of the system. | | PINPOINT TEST O : STEERING WHEEL MODULE NOT COMMUNICATING WITH THE FORD APPROVED DIAGNOSTIC TOOL | | TEST CONDITIONS | DETAILS/RESULTS/ACTIONS | | O1: CHECK COMMUNICATION WITH THE POWERTRAIN CONTROL MODULE (PCM) | | | 1 Ignition switch in position 0. | | | 2 Connect the diagnostic tool. | | | 3 Select the powertrain control module (PCM) with the Ford approved diagnostic tool. | | | Is it possible to establish communications with the PCM? Yes No | | O2: CHECK FUSE F7 | | | 1 Ignition switch in position 0. | | | 2 CHECK Fuse F7 (CJB). | | | Is the fuse OK? Yes No RENEW fuse F7 (7.5 A). CHECK the operation of the system. If the fuse blows again, LOCATE and REPAIR the short using the Wiring Diagrams. | | O3: CHECK THE VOLTAGE AT FUSE F7 | | | 1 Connect Fuse F7 (PJB). | | | 2 Measure the voltage between fuse F7 (7.5 A) and ground. | | | Does the meter display battery voltage? Yes No REPAIR the voltage supply to fuse F7 with the aid of the Wiring Diagrams. CHECK the operation of the system. | | O4: CHECK THE VOLTAGE AT THE STEERING WHEEL MODULE | | | 1 Disconnect Connector C2LS41 from the steering wheel. | | | 2 Measure the voltage between the steering wheel module, connector C2LS41, pin 1, circuit SBP07A (WH/RD), wiring harness side and ground. | | | Does the meter display battery voltage? Yes No | | O5: CHECK THE CIRCUIT BETWEEN THE CJB AND THE STEERING WHEEL MODULE FOR OPEN CIRCUIT | | | 1 Disconnect Connector C1BP02-C from the PJB. | | | 2 Measure the resistance between the CJB, connector C1BP02-C, pin 70, circuit SBP07A (WH/RD), wiring harness side and the steering wheel module, connector C2LS41, pin 1, circuit SBP07A (WH/RD), wiring harness side. | | | Is a resistance of less than 2 Ohms registered? Yes CHECK the CJB and RENEW as necessary. CHECK the operation of the system. No LOCATE and RECTIFY the break in circuit SBP07A (WH/RD) between the steering wheel module and the CJB with the aid of the Wiring Diagrams. CHECK the operation of the system. | | O6: CHECK THE GROUND CONNECTION OF THE STEERING WHEEL MODULE | | | 1 Ignition switch in position 0. | | | 2 Measure the resistance between the steering wheel module, connector C2LS41, pin 14, circuit GD138AY (BK/WH), wiring harness side and ground. | | | Is a resistance of less than 2 Ohms registered? Yes No LOCATE and RECTIFY the break in the circuit between the steering wheel module and ground connection G6D139 with the aid of the Wiring Diagrams. CHECK the operation of the system. | | O7: CHECK THE GROUND CONNECTION OF THE STEERING WHEEL MODULE | | | 1 Disconnect Connector C2R115-A from the steering wheel. | | | 2 Measure the resistance between the steering wheel module, connector C2R115-A, pin 7, circuit GD133CJ (BK), wiring harness side and ground. | | | Is a resistance of less than 2 Ohms registered? Yes No LOCATE and RECTIFY the break in the circuit between the steering wheel module and ground connection G3D134 with the aid of the Wiring Diagrams. CHECK the operation of the system. | | O8: CHECK FOR OPEN CIRCUIT BETWEEN THE STEERING WHEEL MODULE AND THE DATA LINK CONNECTOR (DLC) | CAUTION:The following measurement must only be performed using the Ford approved diagnostic tool digital multimeter. Failure to observe this instruction can lead to damage. | | | 1 Measure the resistance between the steering wheel module, connector C2LS41, pin 5, circuit VDB05AA (WH), wiring harness side and the DLC, connector C3DB04, pin 14, circuit VDB05Z (WH), wiring harness side. | | | Is a resistance of less than 2 Ohms registered? Yes No LOCATE and RECTIFY the break in the circuit between the steering wheel module and soldered connection SP594 with the aid of the Wiring Diagrams. CHECK the operation of the system. | | O9: CHECK FOR OPEN CIRCUIT BETWEEN THE STEERING WHEEL MODULE AND THE DLC | CAUTION:The following measurement must only be performed using the Ford approved diagnostic tool digital multimeter. Failure to observe this instruction can lead to damage. | | | 1 Measure the resistance between the steering wheel module, connector C2LS41, pin 4, circuit VDB04T (WH/BU), wiring harness side and the DLC, connector C3DB04, pin 6, circuit VDB04L (WH/BU), wiring harness side. | | | Is a resistance of less than 2 Ohms registered? Yes CHECK and if necessary RENEW the steering wheel module. CHECK the operation of the system. No LOCATE and RECTIFY the break in the circuit between the steering wheel module and soldered connection SP336 with the aid of the Wiring Diagrams. CHECK the operation of the system. | | PINPOINT TEST P : COLLISION WARNING MODULE NOT COMMUNICATING WITH THE FORD APPROVED DIAGNOSTIC TOOL | | TEST CONDITIONS | DETAILS/RESULTS/ACTIONS | | P1: CHECK COMMUNICATION WITH THE POWERTRAIN CONTROL MODULE (PCM) | | | 1 Ignition switch in position 0. | | | 2 Connect the diagnostic tool. | | | 3 Select the powertrain control module (PCM) with the Ford approved diagnostic tool. | | | Is it possible to establish communications with the PCM? Yes No | | P2: CHECK FUSE F15 | | | 1 Ignition switch in position 0. | | | 2 CHECK Fuse F15 (CJB). | | | Is the fuse OK? Yes No RENEW fuse F15 (10 A). CHECK the operation of the system. If the fuse blows again, LOCATE and REPAIR the short using the Wiring Diagrams. | | P3: CHECK THE VOLTAGE AT FUSE F15 | | | 1 Connect Fuse F15 (CJB). | | | 2 Ignition switch in position II. | | | 3 Measure the voltage between fuse F15 (10 A) and ground. | | | Does the meter display battery voltage? Yes No REPAIR the voltage supply to fuse F15 with the aid of the Wiring Diagrams. CHECK the operation of the system. | | P4: CHECK THE VOLTAGE AT THE COLLISION WARNING MODULE | | | 1 Ignition switch in position 0. | | | 2 Disconnect Connector C2MF01 from the collision warning module. | | | 3 Ignition switch in position II. | | | 4 Measure the voltage between the collision warning module, connector C2MF01, pin 15, circuit CBP15A (BN/BU), wiring harness side and ground. | | | Does the meter display battery voltage? Yes No | | P5: CHECK FOR OPEN CIRCUIT BETWEEN THE CJB AND THE COLLISION WARNING MODULE | | | 1 Ignition switch in position 0. | | | 2 Disconnect Connector C1BP02-C from the CJB. | | | 3 Measure the resistance between the CJB, connector C1BP02-C, pin 55, circuit CBP15A (BN/BU), wiring harness side and the collision warning module, connector C2MF01, pin 15, circuit CBP15A (BN/BU), wiring harness side. | | | Is a resistance of less than 2 Ohms registered? Yes CHECK the CJB and RENEW as necessary. CHECK the operation of the system. No LOCATE and RECTIFY the break in circuit CBP15A (BN/BU) between the collision warning module and the CJB with the aid of the Wiring Diagrams. CHECK the operation of the system. | | P6: CHECK THE GROUND CONNECTION OF THE COLLISION WARNING MODULE | | | 1 Ignition switch in position 0. | | | 2 Measure the resistance between the collision warning module, connector C2MF01, pin 12, circuit GD133BL (BK), wiring harness side and ground. | | | Is a resistance of less than 2 Ohms registered? Yes No LOCATE and REPAIR the open circuit between the collision warning module and ground connection G3D134 with the aid of the Wiring Diagrams. CHECK the operation of the system. | | P7: CHECK FOR OPEN CIRCUIT BETWEEN THE COLLISION WARNING MODULE AND THE DATA LINK CONNECTOR (DLC) | CAUTION:The following measurement must only be performed using the Ford approved diagnostic tool digital multimeter. Failure to observe this instruction can lead to damage. | | | 1 Measure the resistance between the collision warning module, connector C2MF01, pin 8, circuit VDB05AC (WH), wiring harness side and the DLC, connector C3DB04, pin 14, circuit VDB05Z (WH), wiring harness side. | | | Is a resistance of less than 2 Ohms registered? Yes No LOCATE and REPAIR the break in the circuit between the collision warning module and soldered connection SP540 with the aid of the Wiring Diagrams. CHECK the operation of the system. | | P8: CHECK FOR OPEN CIRCUIT BETWEEN THE COLLISION WARNING MODULE AND THE DLC | CAUTION:The following measurement must only be performed using the Ford approved diagnostic tool digital multimeter. Failure to observe this instruction can lead to damage. | | | 1 Measure the resistance between the collision warning module, connector C2MF01, pin 9, circuit VDB04Z (WH/BU), wiring harness side and the DLC, connector C3DB04, pin 6, circuit VDB04L (WH/BU), wiring harness side. | | | Is a resistance of less than 2 Ohms registered? Yes CHECK and if necessary RENEW the collision warning module. CHECK the operation of the system. No LOCATE and REPAIR the break in the circuit between the collision warning module and soldered connection SP339 with the aid of the Wiring Diagrams. CHECK the operation of the system. | | PINPOINT TEST Q : YAW RATE/LATERAL ACCELERATION SENSOR NOT COMMUNICATING WITH THE FORD APPROVED DIAGNOSTIC TOOL. | | TEST CONDITIONS | DETAILS/RESULTS/ACTIONS | | Q1: CHECK COMMUNICATION WITH THE POWERTRAIN CONTROL MODULE (PCM) | | | 1 Ignition switch in position 0. | | | 2 Connect the diagnostic tool. | | | 3 Select the powertrain control module (PCM) with the Ford approved diagnostic tool. | | | Is it possible to establish communications with the PCM? Yes No | | Q2: CHECK FUSE F3 | | | 1 Ignition switch in position 0. | | | 2 CHECK Fuse F3 (CJB). | | | Is the fuse OK? Yes No RENEW fuse F3 (5 A). CHECK the operation of the system. If the fuse blows again, LOCATE and REPAIR the short using the Wiring Diagrams. | | Q3: CHECK THE VOLTAGE AT FUSE F3 | | | 1 Connect Fuse F3 (CJB). | | | 2 Ignition switch in position II. | | | 3 Measure the voltage between fuse F3 (5 A) and ground. | | | Does the meter display battery voltage? Yes No REPAIR the voltage supply to fuse F3 with the aid of the Wiring Diagrams. CHECK the operation of the system. | | Q4: CHECK THE VOLTAGE AT THE YAW RATE/LATERAL ACCELERATION SENSOR | | | 1 Ignition switch in position 0. | | | 2 Disconnect Connector C3CA09 from the yaw rate/lateral acceleration sensor. | | | 3 Ignition switch in position II. | | | 4 Measure the voltage between the yaw rate/lateral acceleration sensor, connector C3CA09, pin 1, circuit CBP03A (GY), wiring harness side and ground. | | | Does the meter display battery voltage? Yes No | | Q5: CHECK THE CIRCUIT BETWEEN THE CJB AND THE YAW RATE/LATERAL ACCELERATION SENSOR FOR OPEN CIRCUIT | | | 1 Ignition switch in position 0. | | | 2 Disconnect Connector C1BP02-B from the CJB. | | | 3 Measure the resistance between the CJB, connector C1BP02-B, pin 58, circuit CBP03C (GY), wiring harness side and the yaw rate/lateral acceleration sensor, connector C3CA09, pin 1, circuit CBP03A (GY), wiring harness side. | | | Is a resistance of less than 2 Ohms registered? Yes CHECK the CJB and RENEW as necessary. CHECK the operation of the system. No LOCATE and RECTIFY the break in the circuit between the yaw rate/lateral acceleration sensor and the CJB with the aid of the Wiring Diagrams. CHECK the operation of the system. | | Q6: CHECK THE GROUND CONNECTION AT THE YAW RATE/LATERAL ACCELERATION SENSOR | | | 1 Ignition switch in position 0. | | | 2 Measure the resistance between the yaw rate/lateral acceleration sensor, connector C3CA09, pin 6, circuit GD135L (BK/GY),wiring harness side and ground. | | | Is a resistance of less than 2 Ohms registered? Yes No LOCATE and RECTIFY the break in the circuit between the yaw rate/lateral acceleration sensor and ground connection G3D135 with the aid of the Wiring Diagrams. CHECK the operation of the system. | | Q7: CHECK FOR OPEN CIRCUIT BETWEEN THE YAW RATE/LATERAL ACCELERATION SENSOR AND THE DATA LINK CONNECTOR (DLC) | CAUTION:The following measurement must only be performed using the Ford approved diagnostic tool digital multimeter. Failure to observe this instruction can lead to damage. | | | 1 Measure the resistance between the yaw rate/lateral acceleration sensor, connector C3CA09, pin 3, circuit VDB05V (WH), wiring harness side and the DLC, connector C3DB04, pin 14, circuit VDB05Z (WH), wiring harness side. | | | Is a resistance of less than 2 Ohms registered? Yes No LOCATE and RECTIFY the break in the circuit between the yaw rate/lateral acceleration sensor and soldered connection SP276 with the aid of the Wiring Diagrams. CHECK the operation of the system. | | Q8: CHECK FOR OPEN CIRCUIT BETWEEN THE YAW RATE/LATERAL ACCELERATION SENSOR AND THE DLC | CAUTION:The following measurement must only be performed using the Ford approved diagnostic tool digital multimeter. Failure to observe this instruction can lead to damage. | | | 1 Measure the resistance between the yaw rate/lateral acceleration sensor, connector C3CA09, pin 2, circuit VDB04X (WH/BU), wiring harness side and the DLC, connector C3DB04, pin 6, circuit VDB04L (WH/BU), wiring harness side. | | | Is a resistance of less than 2 Ohms registered? Yes CHECK and if necessary RENEW the yaw rate/lateral acceleration sensor. CHECK the operation of the system. No LOCATE and RECTIFY the break in the circuit between the yaw rate/lateral acceleration sensor and soldered connection SP277 with the aid of the Wiring Diagrams. CHECK the operation of the system. | | PINPOINT TEST R : CD CHANGER NOT COMMUNICATING WITH THE FORD APPROVED DIAGNOSTIC TOOL | | TEST CONDITIONS | DETAILS/RESULTS/ACTIONS | | R1: CHECK COMMUNICATION WITH THE INSTRUMENT CLUSTER | | | 1 Ignition switch in position 0. | | | 2 Connect the diagnostic tool. | | | 3 Select the instrument cluster with the Ford approved diagnostic tool. | | | Is it possible to establish communication with the instrument cluster? Yes No | | R2: CHECK FUSE FC5 | | | 1 Ignition switch in position 0. | | | 2 CHECK Fuse FC5 (RJB). | | | Is the fuse OK? Yes No RENEW fuse FC5 (7.5 A). CHECK the operation of the system. If the fuse blows again, LOCATE and REPAIR the short using the Wiring Diagrams. | | R3: CHECK THE VOLTAGE AT FUSE FC5 | | | 1 Connect Fuse FC5 (RJB). | | | 2 Measure the voltage between fuse FC5 (7.5 A) and ground. | | | Does the meter display battery voltage? Yes No | | R4: CHECK FUSE F20 | | | 1 CHECK Fuse F20 (EJB). | | | Is the fuse OK? Yes No RENEW fuse F20 (60 A). CHECK the operation of the system. If the fuse blows again, LOCATE and REPAIR the short using the Wiring Diagrams. | | R5: CHECK THE VOLTAGE AT FUSE F20 | | | 1 Connect Fuse F20 (EJB). | | | 2 Measure the voltage between fuse F20 (60 A) and ground. | | | Does the meter display battery voltage? Yes LOCATE and RECTIFY the break in the circuit between the EJB and the RJB with the aid of the Wiring Diagrams. CHECK the operation of the system. No REPAIR the voltage supply to fuse F20 with the aid of the Wiring Diagrams. CHECK the operation of the system. | | R6: CHECK VOLTAGE AT CD CHANGER | | | 1 Disconnect Connector C2ME27 from the CD changer. | | | 2 Measure the voltage between the CD changer, connector C2ME27, pin 1, circuit SBR05A (GY/RD), wiring harness side and ground. | | | Does the meter display battery voltage? Yes No | | R7: CHECK FOR OPEN CIRCUIT BETWEEN THE RJB AND THE CD CHANGER | | | 1 Disconnect Connector C4BR2-C from the RJB. | | | 2 Measure the resistance between the RJB, connector C4BR2-C, pin 323, circuit SBR05A (GN/RD), wiring harness side and the CD changer, connector C2ME27, pin 1, circuit SBR05A (GY/RD), wiring harness side. | | | Is a resistance of less than 2 Ohms registered? Yes CHECK and RENEW the RJB if necessary. CHECK the operation of the system. No LOCATE and RECTIFY the break in circuit SBR05A (GY/RD) between the CD changer and the RJB with the aid of the Wiring Diagrams. CHECK the operation of the system. | | R8: CHECK THE GROUND CONNECTION OF THE CD CHANGER | | | 1 Measure the resistance between the CD changer, connector C2ME27, pin 6, circuit GD135M (BK/GY), wiring harness side and ground. | | | Is a resistance of less than 2 Ohms registered? Yes No LOCATE and RECTIFY the open circuit between the CD changer and ground connection G3D135 using the Wiring Diagrams. CHECK the operation of the system. | | R9: CHECK FOR OPEN CIRCUIT BETWEEN THE CD CHANGER AND THE DATA LINK CONNECTOR (DLC) | CAUTION:The following measurement must only be performed using the Ford approved diagnostic tool digital multimeter. Failure to observe this instruction can lead to damage. | | | 1 Measure the resistance between the CD changer, connector C2ME27, pin 5, circuit VDB13C (BU/GY), wiring harness side and the DLC, connector C3DB04, pin 1, circuit VDB13F (BU/GY), wiring harness side. | | | Is a resistance of less than 2 Ohms registered? Yes No LOCATE and RECTIFY the break in circuit VDB13C (BU/GY) between the CD changer and soldered connection SP346 with the aid of the Wiring Diagrams. CHECK the operation of the system. | | R10: CHECK FOR OPEN CIRCUIT BETWEEN THE CD CHANGER AND THE DLC | CAUTION:The following measurement must only be performed using the Ford approved diagnostic tool digital multimeter. Failure to observe this instruction can lead to damage. | | | 1 Measure the resistance between the CD changer, connector C2ME27, pin 10, circuit VDB14C (VT/GY), wiring harness side and the DLC, connector C3DB04, pin 8, circuit VDB14F (VT/GY), wiring harness side. | | | Is a resistance of less than 2 Ohms registered? Yes CHECK and if necessary RENEW CD changer. CHECK the operation of the system. No LOCATE and RECTIFY the break in circuit VDB14C (VT/GY) between the CD changer and soldered connection SP351 with the aid of the Wiring Diagrams. CHECK the operation of the system. | | PINPOINT TEST S : RAIN SENSOR/LIGHT SENSOR NOT COMMUNICATING WITH THE GENERIC ELECTRONIC MODULE (GEM) | | TEST CONDITIONS | DETAILS/RESULTS/ACTIONS | | S1: CHECK COMMUNICATION WITH THE GENERIC ELECTRONIC MODULE (GEM) | | | 1 Ignition switch in position 0. | | | 2 Connect the diagnostic tool. | | | 3 Select the generic electronic module (GEM) with the Ford approved diagnostic tool. | | | Is it possible to establish communications with the GEM? Yes No | | S2: CHECK FUSE F1 | | | 1 Ignition switch in position 0. | | | 2 CHECK Fuse F1 (CJB). | | | Is the fuse OK? Yes No RENEW fuse F1 (5 A). CHECK the operation of the system. If the fuse blows again, LOCATE and REPAIR the short using the Wiring Diagrams. | | S3: CHECK THE VOLTAGE AT FUSE F1 | | | 1 Connect Fuse F1 (CJB). | | | 2 Measure the voltage between fuse F1 (5 A) and ground. | | | Does the meter display battery voltage? Yes No REPAIR the voltage supply to fuse F1 with the aid of the Wiring Diagrams. CHECK the operation of the system. | | S4: CHECK THE VOLTAGE AT THE RAIN SENSOR/LIGHT SENSOR | | | 1 Disconnect Pump Pulley Replacer. | | | 2 Measure the voltage between the rain sensor/light sensor, connector C9RW06, pin 3, circuit CBP01B (BU), wiring harness side and ground. | | | Does the meter display battery voltage? Yes No | | S5: CHECK THE CIRCUIT BETWEEN THE CJB AND THE RAIN SENSOR/LIGHT SENSOR FOR OPEN CIRCUIT | | | 1 Disconnect Connector C1BP02-H from the CJB. | | | 2 Measure the resistance between the CJB, connector C1BP02-H, pin 17, circuit CBP01B (BU), wiring harness side and the rain sensor/light sensor, connector C9RW06, pin 3, circuit CBP01B (BU), wiring harness side. | | | Is a resistance of less than 2 Ohms registered? Yes CHECK the CJB and RENEW as necessary. CHECK the operation of the system. No LOCATE and RECTIFY the break in the circuit between the rain sensor/light sensor and the CJB with the aid of the Wiring Diagrams. CHECK the operation of the system. | | S6: CHECK THE GROUND CONNECTION OF THE RAIN SENSOR/LIGHT SENSOR | | | 1 Measure the resistance between the rain sensor/light sensor, connector C9RW0, pin 2, circuit GD138V (BK/WH), wiring harness side and ground. | | | Is a resistance of less than 2 Ohms registered? Yes No LOCATE and RECTIFY the break in the circuit between the rain sensor/light sensor and ground connection G6D139 with the aid of the Wiring Diagrams. CHECK the operation of the system. | | S7: CHECK THE CIRCUIT BETWEEN THE RAIN SENSOR/LIGHT SENSOR AND THE GEM FOR OPEN CIRCUIT | CAUTION:The following measurement must only be performed using the Ford approved diagnostic tool digital multimeter. Failure to observe this instruction can lead to damage. | | | 1 Disconnect Connector C1BP02-H from the GEM. | | | 2 Measure the resistance between the rain sensor/light sensor, connector C9RW06, pin 1, circuit VRW26A (BN/YE), wiring harness side and the GEM, connector C1BP02-H, pin 8, circuit VRW26A (BN/YE), wiring harness side. | | | Is a resistance of less than 2 Ohms registered? Yes No LOCATE and RECTIFY the break in the circuit between the rain sensor/light sensor and the GEM with the aid of the Wiring Diagrams. CHECK the operation of the system. | | S8: CHECK THE LIN BUS FOR A SHORT TO VOLTAGE SUPPLY | | | 1 Ignition switch in position II. | | | 2 Measure the voltage between the rain sensor/light sensor, connector C9RW06, pin 1, circuit VRW26A (BN/YE), wiring harness side and ground. | | | Is a voltage measured? Yes LOCATE and RECTIFY the short to voltage in the circuit between the rain sensor/light sensor and the GEM with the aid of the Wiring Diagrams. CHECK the operation of the system. No | | S9: CHECK THE LIN BUS FOR A SHORT TO GROUND | | | 1 Ignition switch in position 0. | | | 2 Measure the resistance between the rain sensor/light sensor, connector C9RW06, pin 1, circuit VRW26A (BN/YE), wiring harness side and ground. | | | Is a resistance of more than 10,000 Ohm measured? Yes CHECK and if necessary RENEW the rain sensor/light sensor. CHECK the operation of the system. No LOCATE and RECTIFY the short to ground in the circuit between the rain sensor/light sensor and the GEM with the aid of the Wiring Diagrams. CHECK the operation of the system. | | PINPOINT TEST T : WIPER MOTOR MODULE NOT COMMUNICATING WITH THE FORD APPROVED DIAGNOSTIC TOOL | | TEST CONDITIONS | DETAILS/RESULTS/ACTIONS | | T1: CHECK COMMUNICATION WITH THE GENERIC ELECTRONIC MODULE (GEM) | | | 1 Ignition switch in position 0. | | | 2 Connect the diagnostic tool. | | | 3 Select the generic electronic module (GEM) with the Ford approved diagnostic tool. | | | Is it possible to establish communications with the GEM? Yes No | | T2: CHECK FUSE F22 | | | 1 Ignition switch in position 0. | | | 2 CHECK Fuse F22 (EJB). | | | Is the fuse OK? Yes No RENEW fuse F22 (30 A). CHECK the operation of the system. If the fuse blows again, LOCATE and REPAIR the short using the Wiring Diagrams. | | T3: CHECK THE VOLTAGE AT FUSE F22 | | | 1 Connect Fuse F22 (EJB). | | | 2 Measure the voltage between fuse F22 (30 A) and ground. | | | Does the meter display battery voltage? Yes No REPAIR the voltage supply to fuse F22 with the aid of the Wiring Diagrams. CHECK the operation of the system. | | T4: CHECK THE VOLTAGE AT THE WIPER MOTOR MODULE | | | 1 Disconnect Connector C1RW01-B from the wiper motor module. | | | 2 Measure the voltage between the wiper motor module, connector C1RW01-B, pin 1, circuit SBB22A (BN/RD), wiring harness side and ground. | | | Does the meter display battery voltage? Yes No | | T5: CHECK FOR OPEN CIRCUIT BETWEEN THE EJB AND THE WIPER MOTOR MODULE | | | 1 Disconnect Connector C1BB01-A from the EJB. | | | 2 Measure the resistance between the EJB, connector C1BB01-A, pin 74, circuit SBB22A (BN/RD), wiring harness side and the wiper motor module, connector C1RW01-B, pin 1, circuit SBB22A (BN/RD), wiring harness side. | | | Is a resistance of less than 2 Ohms registered? Yes CHECK and if necessary RENEW the EJB. CHECK the operation of the system. No LOCATE and RECTIFY the break in circuit SBB22A (BN/RD) between the wiper motor module and the EJB with the aid of the Wiring Diagrams. CHECK the operation of the system. | | T6: CHECK THE GROUND CONNECTION OF THE WIPER MOTOR MODULE | | | 1 Measure the resistance between the wiper motor module, connector C1RW01-B, pin 2, circuit GD131H (BK/GY), wiring harness side and ground. | | | Is a resistance of less than 2 Ohms registered? Yes No LOCATE and RECTIFY the break in the circuit between the wiper motor module and ground connection G1D130D with the aid of the Wiring Diagrams. CHECK the operation of the system. | | T7: CHECK FOR OPEN CIRCUIT BETWEEN THE WIPER MOTOR MODULE AND THE GEM | CAUTION:The following measurement must only be performed using the Ford approved diagnostic tool digital multimeter. Failure to observe this instruction can lead to damage. | | | 1 Disconnect Connector C1BP02-A from the GEM. | | | 2 Measure the resistance between the wiper motor module, connector C1RW01-B, pin 4, circuit VRW27A (YE/BU), wiring harness side and the GEM, connector C1BP02-A, pin 36, circuit VRW27A (YE/BU), wiring harness side. | | | Is a resistance of less than 2 Ohms registered? Yes No LOCATE and RECTIFY the break in circuit VRW27A (YE/BU) between the wiper motor module and the GEM with the aid of the Wiring Diagrams. CHECK the operation of the system. | | T8: CHECK THE LIN BUS FOR A SHORT TO VOLTAGE SUPPLY | | | 1 Ignition switch in position II. | | | 2 Measure the voltage between the wiper motor module, connector C1RW01-B, pin 4, circuit VRW27A (YE/BU), wiring harness side and ground. | | | Is a voltage measured? Yes LOCATE and RECTIFY the short to voltage in the circuit between the wiper motor module and the GEM with the aid of the Wiring Diagrams. CHECK the operation of the system. No | | T9: CHECK THE LIN BUS FOR A SHORT TO GROUND | | | 1 Ignition switch in position 0. | | | 2 Measure the resistance between the wiper motor module, connector C1RW01-B, pin 4, circuit VRW27A (YE/BU), wiring harness side and ground. | | | Is a resistance of more than 10,000 Ohm measured? Yes CHECK and if necessary RENEW the wiper motor module. CHECK the operation of the system. No LOCATE and RECTIFY the short to ground in the circuit between the wiper motor module and the GEM with the aid of the Wiring Diagrams. CHECK the operation of the system. | | PINPOINT TEST U : LIGHT SWITCH UNIT NOT COMMUNICATING WITH THE FORD APPROVED DIAGNOSTIC TOOL | | TEST CONDITIONS | DETAILS/RESULTS/ACTIONS | | U1: CHECK COMMUNICATION WITH THE GENERIC ELECTRONIC MODULE (GEM) | | | 1 Ignition switch in position 0. | | | 2 Connect the diagnostic tool. | | | 3 Select the generic electronic module (GEM) with the Ford approved diagnostic tool. | | | Is it possible to establish communications with the GEM? Yes No | | U2: CHECK FUSE F33 | | | 1 Ignition switch in position 0. | | | 2 CHECK Fuse F33 (EJB). | | | Is the fuse OK? Yes No RENEW fuse F33 (5 A). CHECK the operation of the system. If the fuse blows again, LOCATE and REPAIR the short using the Wiring Diagrams. | | U3: CHECK THE VOLTAGE AT FUSE F33 | | | 1 Connect Fuse F33 (EJB). | | | 2 Measure the voltage between fuse F33 (5 A) and ground. | | | Does the meter display battery voltage? Yes No REPAIR the voltage supply to fuse F33 with the aid of the Wiring Diagrams. CHECK the operation of the system. | | U4: CHECK THE VOLTAGE AT THE LIGHT SWITCH UNIT | | | 1 Disconnect Connector C2LF23-D from the light switch unit. | | | 2 Measure the voltage between the light switch unit, connector C2LF23-D, pin 1, circuit SBB33B (RD), wiring harness side and ground. | | | Does the meter display battery voltage? Yes No | | U5: CHECK FOR OPEN CIRCUIT BETWEEN THE EJB AND THE LIGHT SWITCH UNIT | | | 1 Disconnect Connector C1BB01-A from the EJB. | | | 2 Measure the resistance between the EJB, connector C1BB01-A, pin 92, circuit SBB33D (RD), wiring harness side and the light switch unit, connector C2LF23-D, pin 1, circuit SBB33B (RD), wiring harness side. | | | Is a resistance of less than 2 Ohms registered? Yes CHECK and if necessary RENEW the EJB. CHECK the operation of the system. No LOCATE and RECTIFY the break in circuit SBB22A (BN/RD) between the light switch unit and the EJB with the aid of the Wiring Diagrams. CHECK the operation of the system. | | U6: CHECK THE GROUND CONNECTION OF THE LIGHT SWITCH UNIT | | | 1 Measure the resistance between the light switch unit, connector C2LF23-D, pin 5, circuit GD133BT (BK), wiring harness side and ground. | | | Is a resistance of less than 2 Ohms registered? Yes No LOCATE and REPAIR the open circuit between the light switch unit and ground connection G3D134 with the aid of the Wiring Diagrams. CHECK the operation of the system. | | U7: CHECK THE CIRCUIT BETWEEN THE LIGHT SWITCH UNIT AND THE GEM FOR OPEN CIRCUIT | CAUTION:The following measurement must only be performed using the Ford approved diagnostic tool digital multimeter. Failure to observe this instruction can lead to damage. | | | 1 Disconnect Connector C1BP02-C from the GEM. | | | 2 Measure the resistance between the light switch unit, connector C2LF23-D, pin 6, circuit VLF25A (GN/VT), wiring harness side and the GEM, connector C1BP02-C, pin 52, circuit VLF25A (GN/VT), wiring harness side. | | | Is a resistance of less than 2 Ohms registered? Yes No LOCATE and RECTIFY the break in circuit VLF25A (GN/VT) between the light switch unit and the GEM with the aid of the Wiring Diagrams. CHECK the operation of the system. | | U8: CHECK THE LIN BUS FOR A SHORT TO VOLTAGE SUPPLY | | | 1 Ignition switch in position II. | | | 2 Measure the voltage between the light switch unit, connector C2LF23-D, pin 6, circuit VLF25A (GN/VT), wiring harness side and ground. | | | Is a voltage measured? Yes LOCATE and RECTIFY the short to voltage in circuit VLF25A (GN/VT) between the light switch unit and the GEM with the aid of the Wiring Diagrams. CHECK the operation of the system. No | | U9: CHECK THE LIN BUS FOR A SHORT TO GROUND | | | 1 Ignition switch in position 0. | | | 2 Measure the resistance between the light switch unit, connector C2LF23-D, pin 6, circuit VLF25A (GN/VT), wiring harness side and ground. | | | Is a resistance of more than 10,000 Ohm measured? Yes CHECK and if necessary RENEW the light switch unit. CHECK the operation of the system. No LOCATE and RECTIFY the short to ground in circuit VLF25A (GN/VT) between the light switch unit and the GEM with the aid of the Wiring Diagrams. CHECK the operation of the system. | | PINPOINT TEST V : REMOTE CONTROL/TIRE PRESSURE MONITORING RECEIVER MODULE NOT COMMUNICATING WITH THE GENERIC ELECTRONIC MODULE (GEM) | | TEST CONDITIONS | DETAILS/RESULTS/ACTIONS | | V1: CHECK COMMUNICATION WITH THE GENERIC ELECTRONIC MODULE (GEM) | | | 1 Ignition switch in position 0. | | | 2 Connect the diagnostic tool. | | | 3 Select the generic electronic module (GEM) with the Ford approved diagnostic tool. | | | Is it possible to establish communications with the GEM? Yes No | | V2: CHECK FUSE F21 | | | 1 Ignition switch in position 0. | | | 2 CHECK Fuse F21 (CJB). | | | Is the fuse OK? Yes No RENEW fuse F21 (5 A). CHECK the operation of the system. If the fuse blows again, LOCATE and REPAIR the short using the Wiring Diagrams. | | V3: CHECK THE VOLTAGE AT FUSE F21 | | | 1 Connect Fuse F21 (CJB). | | | 2 Measure the voltage between fuse F21 (5 A) and ground. | | | Does the meter display battery voltage? Yes No REPAIR the voltage supply to fuse F21 with the aid of the Wiring Diagrams. CHECK the operation of the system. | | V4: CHECK THE VOLTAGE AT THE REMOTE CONTROL/TIRE PRESSURE MONITORING RECEIVER MODULE | | | 1 Disconnect Connector C3PL56 from the remote control/tire pressure monitoring receiver module. | | | 2 Measure the voltage between the remote control/tire pressure monitoring receiver module, connector C3PL56, pin 3, circuit SBP21A (GY/RD), wiring harness side and ground. | | | Does the meter display battery voltage? Yes No | | V5: CHECK THE CIRCUIT BETWEEN THE CJB AND THE REMOTE CONTROL/TIRE PRESSURE MONITORING RECEIVER MODULE FOR OPEN CIRCUIT | | | 1 Disconnect Connector C1BP02-H from the CJB. | | | 2 Measure the resistance between the CJB, connector C1BP02-H, pin 15, circuit SBP21A (GY/RD), wiring harness side and the remote control/tire pressure monitoring receiver module, connector C3PL56, pin 3, circuit SBP21A (GY/RD), wiring harness side. | | | Is a resistance of less than 2 Ohms registered? Yes CHECK the CJB and RENEW as necessary. CHECK the operation of the system. No LOCATE and RECTIFY the break in circuit SBP21A (GY/RD) between the remote control/tire pressure monitoring receiver module and the CJB with the aid of the Wiring Diagrams. CHECK the operation of the system. | | V6: CHECK THE GROUND CONNECTION OF THE REMOTE CONTROL/TIRE PRESSURE MONITORING RECEIVER MODULE | | | 1 Measure the resistance between the remote control/tire pressure monitoring receiver module, connector C3PL56, pin 2, circuit GD138AD (BK/WH), wiring harness side and ground. | | | Is a resistance of less than 2 Ohms registered? Yes No LOCATE and RECTIFY the open circuit in the circuit between the remote control/tire pressure monitoring receiver module and ground connection G6D139 with the aid of the Wiring Diagrams. CHECK the operation of the system. | | V7: CHECK THE CIRCUIT BETWEEN THE REMOTE CONTROL/TIRE PRESSURE MONITORING RECEIVER MODULE AND THE GEM FOR OPEN CIRCUIT | CAUTION:The following measurement must only be performed using the Ford approved diagnostic tool digital multimeter. Failure to observe this instruction can lead to damage. | | | 1 Disconnect Connector C1BP02-H from the GEM. | | | 2 Measure the resistance between the remote control/tire pressure monitoring receiver module, connector C3PL56, pin 1, circuit VRT22A (GN/BN), wiring harness side and the GEM, connector C1BP02-H, pin 5, circuit VRT22A (GN/BN), wiring harness side. | | | Is a resistance of less than 2 Ohms registered? Yes No LOCATE and RECTIFY the break in circuit VRT22A (GN/BN) between the remote control/tire pressure monitoring receiver module and the GEM with the aid of the Wiring Diagrams. CHECK the operation of the system. | | V8: CHECK THE LIN BUS FOR A SHORT TO VOLTAGE SUPPLY | | | 1 Ignition switch in position II. | | | 2 Measure the voltage between the remote control/tire pressure monitoring receiver module, connector C3PL56, pin 1, circuit VRT22A (GN/BN), wiring harness side and ground. | | | Is a voltage measured? Yes LOCATE and RECTIFY the short to voltage in circuit VRT22A (GN/BN) between the remote control/tire pressure monitoring receiver module and the GEM with the aid of the Wiring Diagrams. CHECK the operation of the system. No | | V9: CHECK THE LIN BUS FOR A SHORT TO GROUND | | | 1 Ignition switch in position 0. | | | 2 Measure the resistance between the remote control/tire pressure monitoring receiver module, connector C3PL56, pin 1, circuit VRT22A (GN/BN), wiring harness side and ground. | | | Is a resistance of more than 10,000 Ohm measured? Yes CHECK and if necessary RENEW the remote control/tire pressure monitoring receiver module. CHECK the operation of the system. No LOCATE and RECTIFY the short to ground in circuit VRT22A (GN/BN) between the remote control/tire pressure monitoring receiver module and the GEM with the aid of the Wiring Diagrams. CHECK the operation of the system. | | PINPOINT TEST W : DRIVER'S SIDE REAR DOOR MODULE NOT COMMUNICATING WITH THE DRIVER'S SIDE DOOR MODULE | | TEST CONDITIONS | DETAILS/RESULTS/ACTIONS | | W1: CHECK THE COMMUNICATIONS WITH THE DOOR MODULE ON THE DRIVER'S SIDE | | | 1 Ignition switch in position 0. | | | 2 Connect the diagnostic tool. | | | 3 Select the driver's side door module with the Ford approved diagnostic tool. | | | Is it possible to establish communications with the driver's side door module? Yes No | | W2: CHECK FUSE FA3 | | | 1 Ignition switch in position 0. | | | 2 CHECK Fuse FA3 (RJB). | | | Is the fuse OK? Yes No RENEW fuse FA3 (25 A). CHECK the operation of the system. If the fuse blows again, LOCATE and REPAIR the short using the Wiring Diagrams. | | W3: CHECK THE VOLTAGE AT FUSE FA3 | | | 1 Connect Fuse FA3 (RJB). | | | 2 Measure the voltage between fuse FA3 (25 A) and ground. | | | Does the meter display battery voltage? Yes No REPAIR the voltage supply to fuse FA3 with the aid of the Wiring Diagrams. CHECK the operation of the system. | | W4: CHECK THE VOLTAGE AT THE DRIVER'S SIDE REAR DOOR MODULE | | | 1 Disconnect Connector C7PL01 from the driver's side rear door module. | | | 2 Measure the voltage between the driver's side rear door module, connector C7PL01, pin 2, circuit SBR03A (BU/RD), wiring harness side and ground. | | | Does the meter display battery voltage? Yes No | | W5: CHECK THE CIRCUIT BETWEEN THE RJB AND THE DRIVER'S SIDE REAR DOOR MODULE FOR OPEN CIRCUIT | | | 1 Disconnect Connector C4BR02-A from the RJB. | | | 2 Measure the resistance between the RJB, connector C4BR02-A, pin 104, circuit SBR03B (BU/RD), wiring harness side and the driver's side rear door module, connector C7PL01, pin 2, circuit SBR03A (BU/RD), wiring harness side. | | | Is a resistance of less than 2 Ohms registered? Yes CHECK and RENEW the RJB if necessary. CHECK the operation of the system. No LOCATE and REPAIR the break in the circuit between the driver's side rear door module and the RJB with the aid of the Wiring Diagrams. CHECK the operation of the system. | | W6: CHECK THE GROUND CONNECTION OF THE DRIVER'S SIDE REAR DOOR MODULE | | | 1 Measure the resistance between the driver's side rear door module, connector C7PL01, pin 13, circuit GD134B (BK/VT), wiring harness side and ground. | | | Is a resistance of less than 2 Ohms registered? Yes No LOCATE and RECTIFY the break in the circuit between the driver's side rear door module and ground connection G3D133 with the aid of the Wiring Diagrams. CHECK the operation of the system. | | W7: CHECK FOR OPEN CIRCUIT BETWEEN THE DRIVER'S SIDE REAR DOOR MODULE AND THE DRIVER'S SIDE DOOR MODULE | CAUTION:The following measurement must only be performed using the Ford approved diagnostic tool digital multimeter. Failure to observe this instruction can lead to damage. | | | 1 Disconnect Connector C5PL01-A from the driver's side door module. | | | 2 Measure the resistance between the driver's side rear door module, connector C7PL01, pin 20, circuit VPW32C (GY/BU), wiring harness side and the driver's side door module, connector C5PL01-A, pin 20, circuit VPW32A (GY/BU), wiring harness side. | | | Is a resistance of less than 2 Ohms registered? Yes No LOCATE and REPAIR the break in the circuit between the driver's side rear door module and the driver's side door module with the aid of the Wiring Diagrams. CHECK the operation of the system. | | W8: CHECK THE LIN BUS FOR A SHORT TO VOLTAGE SUPPLY | | | 1 Ignition switch in position II. | | | 2 Measure the voltage between the driver's side rear door module, connector C7PL01, pin 20, circuit VPW32C (GY/BU), wiring harness side and ground. | | | Is a voltage measured? Yes LOCATE and REPAIR the short to voltage in the circuit between the driver's side rear door module and the driver's side door module with the aid of the Wiring Diagrams. CHECK the operation of the system. No | | W9: CHECK THE LIN BUS FOR A SHORT TO GROUND | | | 1 Ignition switch in position 0. | | | 2 Measure the resistance between the driver's side rear door module, connector C7PL01, pin 20, circuit VPW32C (GY/BU), wiring harness side and ground. | | | Is a resistance of more than 10,000 Ohm measured? Yes CHECK and if necessary RENEW the driver's side rear door module. CHECK the operation of the system. No LOCATE and REPAIR the short to ground in the circuit between the driver's side rear door module and the driver's side door module with the aid of the Wiring Diagrams. CHECK the operation of the system. | | PINPOINT TEST X : PASSENGER SIDE REAR DOOR MODULE NOT COMMUNICATING WITH THE PASSENGER SIDE DOOR MODULE | | TEST CONDITIONS | DETAILS/RESULTS/ACTIONS | | X1: CHECK THE COMMUNICATIONS WITH THE DOOR MODULE ON THE PASSENGER SIDE | | | 1 Ignition switch in position 0. | | | 2 Connect the diagnostic tool. | | | 3 Select the passenger side door module with the Ford approved diagnostic tool. | | | Is it possible to establish communications with the passenger side door module? Yes No | | X2: CHECK FUSE FA4 | | | 1 Ignition switch in position 0. | | | 2 CHECK Fuse FA4 (RJB). | | | Is the fuse OK? Yes No RENEW fuse FA4 (25 A). CHECK the operation of the system. If the fuse blows again, LOCATE and REPAIR the short using the Wiring Diagrams. | | X3: CHECK THE VOLTAGE AT FUSE FA4 | | | 1 Connect Fuse FA4 (RJB). | | | 2 Measure the voltage between fuse FA4 (25 A) and ground. | | | Does the meter display battery voltage? Yes No REPAIR the voltage supply to fuse FA4 with the aid of the Wiring Diagrams. CHECK the operation of the system. | | X4: CHECK THE VOLTAGE AT THE PASSENGER SIDE REAR DOOR MODULE | | | 1 Disconnect Connector C8PL01 from the passenger side rear door module. | | | 2 Measure the voltage between the passenger side rear door module, connector C8PL01, pin 2, circuit SBR04B (GN/RD), wiring harness side and ground. | | | Does the meter display battery voltage? Yes No | | X5: CHECK THE CIRCUIT BETWEEN THE RJB AND THE PASSENGER SIDE REAR DOOR MODULE FOR OPEN CIRCUIT | | | 1 Disconnect Connector C4BR02-A from the RJB. | | | 2 Measure the resistance between the RJB, connector C4BR02-A, pin 105, circuit SBR04A (GN/RD), wiring harness side and the passenger side rear door module, connector C8PL01, pin 2, circuit SBR04B (GN/RD), wiring harness side. | | | Is a resistance of less than 2 Ohms registered? Yes CHECK and RENEW the RJB if necessary. CHECK the operation of the system. No LOCATE and REPAIR the break in the circuit between the passenger side rear door module and the RJB with the aid of the Wiring Diagrams. CHECK the operation of the system. | | X6: CHECK THE GROUND CONNECTION OF THE PASSENGER SIDE REAR DOOR MODULE | | | 1 Measure the resistance between the passenger side rear door module, connector C8PL01, pin 13, circuit GD140F (BK/GN), wiring harness side and ground. | | | Is a resistance of less than 2 Ohms registered? Yes No LOCATE and RECTIFY the break in the circuit between the passenger side rear door module and ground connection G3D138 with the aid of the Wiring Diagrams. CHECK the operation of the system. | | X7: CHECK FOR OPEN CIRCUIT BETWEEN THE PASSENGER SIDE REAR DOOR MODULE AND THE PASSENGER SIDE DOOR MODULE | CAUTION:The following measurement must only be performed using the Ford approved diagnostic tool digital multimeter. Failure to observe this instruction can lead to damage. | | | 1 Disconnect Connector C6PL01-A from the passenger side door module. | | | 2 Measure the resistance between the passenger side rear door module, connector C8PL01, pin 20, circuit VPW33C (VT/BN), wiring harness side and the passenger side door module, connector C6PL01-A, pin 20, circuit VPW33A (VT/BN), wiring harness side. | | | Is a resistance of less than 2 Ohms registered? Yes No LOCATE and REPAIR the break in the circuit between the passenger side rear door module and the passenger side door module with the aid of the Wiring Diagrams. CHECK the operation of the system. | | X8: CHECK THE LIN BUS FOR A SHORT TO VOLTAGE SUPPLY | | | 1 Ignition switch in position II. | | | 2 Measure the voltage between the passenger side rear door module, connector C8PL01, pin 20, circuit VPW33C (VT/BN), wiring harness side and ground. | | | Is a voltage measured? Yes LOCATE and REPAIR the short to voltage in the circuit between the passenger side rear door module and the passenger side door module with the aid of the Wiring Diagrams. CHECK the operation of the system. No | | X9: CHECK THE LIN BUS FOR A SHORT TO GROUND | | | 1 Ignition switch in position 0. | | | 2 Measure the resistance between the passenger side rear door module, connector C8PL01, pin 20, circuit VPW33C (VT/BN), wiring harness side and ground. | | | Is a resistance of more than 10,000 Ohm measured? Yes CHECK and if necessary RENEW the passenger side rear door module. CHECK the operation of the system. No LOCATE and REPAIR the short to ground in the circuit between the passenger side rear door module and the passenger side door module with the aid of the Wiring Diagrams. CHECK the operation of the system. | | PINPOINT TEST Y : GEAR LEVER MODULE NOT COMMUNICATING WITH THE TRANSMISSION CONTROL UNIT (TCM) | | TEST CONDITIONS | DETAILS/RESULTS/ACTIONS | | Y1: CHECK THE COMMUNICATIONS WITH THE TRANSMISSION CONTROL MODULE (TCM) | | | 1 Ignition switch in position 0. | | | 2 Connect the diagnostic tool. | | | 3 Select the transmission control module (TCM) with the Ford approved diagnostic tool. | | | Is it possible to establish communications with the transmission control module (TCM)? Yes No | | Y2: CHECK THE VOLTAGE AT THE GEAR LEVER MODULE | | | 1 Disconnect Connector C3ET42 from the gear lever module. | | | 2 Measure the voltage between the gear lever module, connector C3ET42, pin 1, circuit CET39A (BU/GY), wiring harness side and ground. | | | Does the meter display battery voltage? Yes No | | Y3: CHECK THE CIRCUIT BETWEEN THE TRANSMISSION CONTROL MODULE (TCM) AND THE GEAR LEVER MODULE FOR OPEN CIRCUIT | | | 1 Disconnect Connector C1ET34 from the transmission control module (TCM). | | | 2 Measure the resistance between the transmission control module (TCM), connector C1ET34, pin 16, circuit CET39C (BU/GY), wiring harness side and the gear lever module, connector C3ET42, pin 1, circuit CET39A (BU/GY), wiring harness side. | | | Is a resistance of less than 2 Ohms registered? Yes CHECK the transmission control module (TCM) and RENEW as required. CHECK the operation of the system. No LOCATE and RECTIFY the break in the circuit between the rear gear lever module and the transmission control module (TCM) with the aid of the Wiring Diagrams. CHECK the operation of the system. | | Y4: CHECK THE GROUND CONNECTION OF THE REAR GEAR LEVER MODULE | | | 1 Measure the resistance between the gear lever module, connector C3ET42, pin 6, circuit GD133AX (BK), wiring harness side and ground. | | | Is a resistance of less than 2 Ohms registered? Yes No LOCATE and RECTIFY the break in the circuit between the gear lever module and ground connection G3D134 with the aid of the Wiring Diagrams. CHECK the operation of the system. | | Y5: CHECK THE CIRCUIT BETWEEN THE GEAR LEVER MODULE AND THE TRANSMISSION CONTROL MODULE (TCM) FOR OPEN CIRCUIT | CAUTION:The following measurement must only be performed using the Ford approved diagnostic tool digital multimeter. Failure to observe this instruction can lead to damage. | | | 1 Disconnect Connector C1ET34 from the transmission control module (TCM). | | | 2 Measure the resistance between the gear lever module, connector C3ET42, pin 2, circuit VET54A (BU/OG), wiring harness side and the transmission control module (TCM), connector C1ET34, pin 7, circuit VET54C (BN/VT), wiring harness side. | | | Is a resistance of less than 2 Ohms registered? Yes No LOCATE and RECTIFY the break in the circuit between the gear lever module and the transmission control module (TCM) with the aid of the Wiring Diagrams. CHECK the operation of the system. | | Y6: CHECK THE LIN BUS FOR A SHORT TO VOLTAGE SUPPLY | | | 1 Ignition switch in position II. | | | 2 Measure the voltage between the gear lever module, connector C3ET42, pin 2, circuit VET54A (BU/OG), wiring harness side and ground. | | | Is a voltage measured? Yes LOCATE and RECTIFY the short to voltage in the circuit between the gear lever module and the transmission control module (TCM) with the aid of the Wiring Diagrams. CHECK the operation of the system. No | | Y7: CHECK THE LIN BUS FOR A SHORT TO GROUND | | | 1 Ignition switch in position 0. | | | 2 Measure the resistance between the gear lever module, connector C3ET42, pin 2, circuit VET54A (BU/OG), wiring harness side and ground. | | | Is a resistance of more than 10,000 Ohm measured? Yes CHECK and if necessary RENEW the gear lever module. CHECK the operation of the system. No LOCATE and RECTIFY the short to ground in the circuit between the gear lever module and the transmission control module (TCM) with the aid of the Wiring Diagrams. CHECK the operation of the system. | | PINPOINT TEST Z : ANTI-THEFT ALARM SIGNAL HORN WITH INTEGRATED BATTERY NOT COMMUNICATING WITH THE GENERIC ELECTRONIC MODULE (GEM) | | TEST CONDITIONS | DETAILS/RESULTS/ACTIONS | | Z1: CHECK COMMUNICATION WITH THE GENERIC ELECTRONIC MODULE (GEM) | | | 1 Ignition switch in position 0. | | | 2 Connect the diagnostic tool. | | | 3 Select the generic electronic module (GEM) with the Ford approved diagnostic tool. | | | Is it possible to establish communications with the GEM? Yes No | | Z2: CHECK FUSE F26 | | | 1 Ignition switch in position 0. | | | 2 CHECK Fuse F26 (CJB). | | | Is the fuse OK? Yes No RENEW fuse F26 (5 A). CHECK the operation of the system. If the fuse blows again, LOCATE and REPAIR the short using the Wiring Diagrams. | | Z3: CHECK THE VOLTAGE AT FUSE F26 | | | 1 Connect Fuse F26 (CJB). | | | 2 Measure the voltage between fuse F26 (5 A) and ground. | | | Does the meter display battery voltage? Yes No REPAIR the voltage supply to fuse F26 with the aid of the Wiring Diagrams. CHECK the operation of the system. | | Z4: CHECK THE VOLTAGE AT THE ANTI-THEFT ALARM SIGNAL HORN WITH INTEGRATED BATTERY | | | 1 Disconnect Connector C1RT16 from the anti-theft alarm signal horn with integrated battery. | | | 2 Measure the voltage between the anti-theft alarm signal horn with integrated battery, connector C1RT16 , pin 3, circuit SBP26B (YE/RD), wiring harness side and ground. | | | Does the meter display battery voltage? Yes No | | Z5: CHECK THE CIRCUIT BETWEEN THE CJB AND THE ANTI-THEFT ALARM SIGNAL HORN WITH INTEGRATED BATTERY FOR OPEN CIRCUIT | | | 1 Disconnect Connector C1BP02-A from the CJB. | | | 2 Measure the resistance between the CJB, connector C1BP02-A, pin 67, circuit SBP26A (YE/RD), wiring harness side and the anti-theft alarm signal horn with integrated battery, connector C1RT16, pin 3, circuit SBP26B (YE/RD), wiring harness side. | | | Is a resistance of less than 2 Ohms registered? Yes CHECK the CJB and RENEW as necessary. CHECK the operation of the system. No LOCATE and RECTIFY the break in the circuit between the anti-theft alarm signal horn with integrated battery and the CJB with the aid of the Wiring Diagrams. CHECK the operation of the system. | | Z6: CHECK THE GROUND CONNECTION OF THE ANTI-THEFT ALARM SIGNAL HORN WITH INTEGRATED BATTERY | | | 1 Measure the resistance between the anti-theft alarm signal horn with integrated battery, connector C1RT16, pin 1, circuit GD120N (BK/GN), wiring harness side and ground. | | | Is a resistance of less than 2 Ohms registered? Yes No LOCATE and RECTIFY the break in the circuit between the anti-theft alarm signal horn with integrated battery and ground connection G1D130B with the aid of the Wiring Diagrams. CHECK the operation of the system. | | Z7: CHECK THE CIRCUIT BETWEEN THE ANTI-THEFT ALARM SIGNAL HORN WITH INTEGRATED BATTERY AND THE GEM FOR OPEN CIRCUIT | CAUTION:The following measurement must only be performed using the Ford approved diagnostic tool digital multimeter. Failure to observe this instruction can lead to damage. | | | 1 Disconnect Connector C1BP02-A from the GEM. | | | 2 Measure the resistance between the anti-theft alarm signal horn with integrated battery, connector C1RT16, pin 2, circuit VRT27B (BN/BU), wiring harness side and the GEM, connector C1BP02-A, pin 35, circuit VRT27A (BN/BU), wiring harness side. | | | Is a resistance of less than 2 Ohms registered? Yes No LOCATE and RECTIFY the break in the circuit between the anti-theft alarm signal horn with integrated battery and the GEM with the aid of the Wiring Diagrams. CHECK the operation of the system. | | Z8: CHECK THE LIN BUS FOR A SHORT TO VOLTAGE SUPPLY | | | 1 Ignition switch in position II. | | | 2 Measure the voltage between the anti-theft alarm signal horn with integrated battery, connector C1RT16 , pin 2, circuit VRT27B (BN/BU), wiring harness side and ground. | | | Is a voltage measured? Yes LOCATE and RECTIFY the short to voltage in the circuit between the anti-theft alarm signal horn with integrated battery and the GEM with the aid of the Wiring Diagrams. CHECK the operation of the system. No | | Z9: CHECK THE LIN BUS FOR A SHORT TO GROUND | | | 1 Ignition switch in position 0. | | | | | | 2 Measure the resistance between the anti-theft alarm signal horn with integrated battery, connector C1RT16 , pin 2, circuit VRT27B (BN/BU), wiring harness side and ground. | | | Is a resistance of more than 10,000 Ohm measured? Yes CHECK and if necessary RENEW the anti-theft alarm signal horn with integrated battery. CHECK the operation of the system. No LOCATE and RECTIFY the short to ground in the circuit between the anti-theft alarm signal horn with integrated battery and the GEM with the aid of the Wiring Diagrams. CHECK the operation of the system. | | PINPOINT TEST AA : INTERIOR MONITORING SENSOR NOT COMMUNICATING WITH THE GENERIC ELECTRONIC MODULE (GEM) | | TEST CONDITIONS | DETAILS/RESULTS/ACTIONS | | AA1: CHECK COMMUNICATION WITH THE GENERIC ELECTRONIC MODULE (GEM) | | | 1 Ignition switch in position 0. | | | 2 Connect the diagnostic tool. | | | 3 Select the generic electronic module (GEM) with the Ford approved diagnostic tool. | | | Is it possible to establish communications with the GEM? Yes No | | AA2: CHECK FUSE F21 | | | 1 Ignition switch in position 0. | | | 2 CHECK Fuse F21 (CJB). | | | Is the fuse OK? Yes No RENEW fuse F21 (5 A). CHECK the operation of the system. If the fuse blows again, LOCATE and REPAIR the short using the Wiring Diagrams. | | AA3: CHECK THE VOLTAGE AT FUSE F21 | | | 1 Connect Fuse F21 (CJB). | | | 2 Measure the voltage between fuse F21 (5 A) and ground. | | | Does the meter display battery voltage? Yes No REPAIR the voltage supply to fuse F21 with the aid of the Wiring Diagrams. CHECK the operation of the system. | | AA4: CHECK THE VOLTAGE AT THE INTERIOR MONITORING SENSOR | | | 1 Disconnect Connector C3RT03 from the interior monitoring sensor. | | | 2 Measure the voltage between the interior monitoring sensor, connector C3RT03, pin 3, circuit SBP21A (GY/RD), wiring harness side and ground. | | | Does the meter display battery voltage? Yes No | | AA5: CHECK THE CIRCUIT BETWEEN THE CJB AND THE INTERIOR MONITORING SENSOR FOR OPEN CIRCUIT | | | 1 Disconnect Connector C1BP02-H from the CJB. | | | 2 Measure the resistance between the CJB, connector C1BP02-H, pin 16, circuit SBP21A (GY/RD), wiring harness side and the interior monitoring sensor, connector C3RT03, pin 3, circuit SBP21A (GY/RD), wiring harness side. | | | Is a resistance of less than 2 Ohms registered? Yes CHECK the CJB and RENEW as necessary. CHECK the operation of the system. No LOCATE and REPAIR the break in the circuit between the interior monitoring sensor and the CJB with the aid of the Wiring Diagrams. CHECK the operation of the system. | | AA6: CHECK THE GROUND CONNECTION OF THE INTERIOR MONITORING SENSOR | | | 1 Measure the resistance between the interior monitoring sensor, connector C3RT03, pin 1, circuit GD138T (BK/WH), wiring harness side and ground. | | | Is a resistance of less than 2 Ohms registered? Yes No LOCATE and REPAIR the break in the circuit between the interior monitoring sensor and ground connection G6D139 with the aid of the Wiring Diagrams. CHECK the operation of the system. | | AA7: CHECK THE CIRCUIT BETWEEN THE INTERIOR MONITORING SENSOR AND THE GEM FOR OPEN CIRCUIT | CAUTION:The following measurement must only be performed using the Ford approved diagnostic tool digital multimeter. Failure to observe this instruction can lead to damage. | | | 1 Disconnect Connector C1BP02-H from the GEM. | | | 2 Measure the resistance between the interior monitoring sensor, connector C3RT03, pin 2, circuit VRT26A (VT), wiring harness side and the GEM, connector C1BP02-H, pin 7, circuit VRT26A (VT), wiring harness side. | | | Is a resistance of less than 2 Ohms registered? Yes No LOCATE and REPAIR the break in the circuit between the interior monitoring sensor and the GEM with the aid of the Wiring Diagrams. CHECK the operation of the system. | | AA8: CHECK THE LIN BUS FOR A SHORT TO VOLTAGE SUPPLY | | | 1 Ignition switch in position II. | | | 2 Measure the voltage between the interior monitoring sensor, connector C3RT03, pin 2, circuit VRT26A (VT), wiring harness side and ground. | | | Is a voltage measured? Yes LOCATE and RECTIFY the short to voltage in the circuit between the interior monitoring sensor and the GEM with the aid of the Wiring Diagrams. CHECK the operation of the system. No | | AA9: CHECK THE LIN BUS FOR A SHORT TO GROUND | | | 1 Ignition switch in position 0. | | | 2 Measure the resistance between the interior monitoring sensor, connector C3RT03, pin 2, circuit VRT26A (VT), wiring harness side and ground. | | | Is a resistance of more than 10,000 Ohm measured? Yes CHECK and if necessary RENEW the interior monitoring sensor. CHECK the operation of the system. No LOCATE and RECTIFY the short to ground in the circuit between the interior monitoring sensor and the GEM with the aid of the Wiring Diagrams. CHECK the operation of the system. | | PINPOINT TEST AB : RESTRAINTS CONTROL MODULE (RCM) NOT COMMUNICATING WITH THE FORD APPROVED DIAGNOSTIC TOOL | WARNING:The backup power supply must be depleted to prevent the risk of accidental airbag deployment. After disconnecting the battery, wait at least 1 minute before starting work on the supplemental restraint system. Failure to follow this instruction may result in personal injury. | WARNING:In order to prevent the risk of accidental deployment, do not program any keycodes while working on the supplemental restraint system. Failure to follow this instruction may result in personal injury. | WARNING:Only test the connectors of airbags or other supplemental restraint systems using the correct test probe adapter. Failure to follow this instruction may result in personal injury. | | TEST CONDITIONS | DETAILS/RESULTS/ACTIONS | | AB1: DETERMINE THE CONDITIONS UNDER WHICH THE FAULT OCCURS | | | 1 Ignition switch in position 0. | | | 2 Connect the diagnostic tool. | | | 3 Select the generic electronic module (GEM) with the Ford approved diagnostic tool. | | | Is it possible to establish communications with the GEM? Yes No | | AB2: CHECK FUSE F2 | | | 1 Ignition switch in position 0. | | | 2 CHECK Fuse F2 (CJB). | | | Is the fuse OK? Yes No RENEW fuse F2 (10 A). CHECK the operation of the system. If the fuse blows again, LOCATE and REPAIR the short using the Wiring Diagrams. | | AB3: CHECK THE VOLTAGE AT FUSE F2 | | | 1 Connect Fuse F2 (CJB). | | | 2 Ignition switch in position II. | | | 3 Measure the voltage between fuse F2 (10 A) and ground. | | | Does the meter display battery voltage? Yes No REPAIR the voltage supply to fuse F2 with the aid of the Wiring Diagrams. CHECK the operation of the system. | | AB4: CHECK THE VOLTAGE AT THE SAFETY RESTRAINT CONTROL MODULE (RCM) | | | 1 Ignition switch in position 0. | | | 2 Disconnect the ground cable from the battery. | | | 3 Disconnect connector C2R114-A from restraints control module (RCM). | | | 4 Connect the ground cable to the battery. | | | 5 Ignition switch in position II. | | | 6 Measure the voltage between the restraints control module (RCM), connector C2R114-A, pin 24, circuit CBP02A (GN), harness side and ground. | | | Does the meter display battery voltage? Yes No | | AB5: CHECK FOR OPEN CIRCUIT BETWEEN THE CJB AND THE RESTRAINTS CONTROL MODULE (RCM) | | | 1 Ignition switch in position 0. | | | 2 Disconnect Connector C1BP02-C from the CJB. | | | 3 Measure the resistance between the CJB, connector C1BP02-C, pin 66, circuit CBP02A (GN), wiring harness side and the restraints control module (RCM), connector C2R114-A, pin 24, circuit CBP02A (GN), wiring harness side. | | | Is a resistance of less than 2 Ohms registered? Yes CHECK the CJB and RENEW as necessary. CHECK the operation of the system. No LOCATE and REPAIR the break in circuit CBP02A (GN) between the restraints control module (RCM) and the CJB with the aid of the Wiring Diagrams. CHECK the operation of the system. | | AB6: CHECK FOR OPEN CIRCUIT BETWEEN THE RESTRAINTS CONTROL MODULE (RCM) AND THE DLC | CAUTION:The following measurement must only be performed using the Ford approved diagnostic tool digital multimeter. Failure to observe this instruction can lead to damage. | | | 1 Measure the resistance between the DLC, connector C3DB04, pin 11, circuit VDB07D (VT/OG), wiring harness side and the restraints control module (RCM), connector C2R114-A, pin 20, circuit VDB07H (VT/OG), wiring harness side. | | | Is a resistance of less than 2 Ohms registered? Yes No LOCATE and RECTIFY the break in circuit VDB07H (VT/OG) between the restraints control module (RCM) and soldered connection SP280 with the aid of the Wiring Diagrams. CHECK the operation of the system. | | AB7: CHECK FOR OPEN CIRCUIT BETWEEN THE RESTRAINTS CONTROL MODULE (RCM) AND THE DLC | CAUTION:The following measurement must only be performed using the Ford approved diagnostic tool digital multimeter. Failure to observe this instruction can lead to damage. | | | 1 Measure the resistance between the DLC, connector C3DB04, pin 3, circuit VDB06X (GY/OG), wiring harness side and the restraints control module (RCM), connector C2R114-A, pin 19, circuit VDB06AB (GY/OG), wiring harness side. | | | Is a resistance of less than 2 Ohms registered? Yes CHECK and if necessary RENEW the safety restraint control module (RCM). CHECK the operation of the system. No LOCATE and RECTIFY the break in circuit VDB06AB (GY//OG) between the restraints control module (RCM) and soldered connection SP297 with the aid of the Wiring Diagrams. CHECK the operation of the system. | | PINPOINT TEST AC : ESP MODULE NOT COMMUNICATING WITH THE FORD APPROVED DIAGNOSTIC TOOL | | TEST CONDITIONS | DETAILS/RESULTS/ACTIONS | | AC1: CHECK COMMUNICATION WITH THE POWERTRAIN CONTROL MODULE (PCM) | | | 1 Ignition switch in position 0. | | | 2 Connect the diagnostic tool. | | | 3 Select the powertrain control module (PCM) with the Ford approved diagnostic tool. | | | Is it possible to establish communications with the PCM? Yes No | | AC2: CHECK FUSE F25 | | | 1 Ignition switch in position 0. | | | 2 CHECK Fuse F25 (EJB). | | | Is the fuse OK? Yes No RENEW fuse F25 (30 A). CHECK the operation of the system. If the fuse blows again, LOCATE and REPAIR the short using the Wiring Diagrams. | | AC3: CHECK THE VOLTAGE AT FUSE F25 | | | 1 Connect Fuse F25 (EJB). | | | 2 Measure the voltage between fuse F25 (30 A) and ground. | | | Does the meter display battery voltage? Yes No | | AC4: CHECK FUSE F26 | | | 1 Ignition switch in position 0. | | | 2 CHECK fuse F26 (BJB). | | | Is the fuse OK? Yes No RENEW fuse F26 (40 A). CHECK the operation of the system. If the fuse blows again, LOCATE and REPAIR the short using the Wiring Diagrams. | | AC5: CHECK THE VOLTAGE AT FUSE F26 | | | 1 Connect Fuse F26 (EJB). | | | 2 Measure the voltage between fuse F26 (40 A) and ground. | | | Does the meter display battery voltage? Yes No REPAIR the voltage supply to fuse F26 with the aid of the Wiring Diagrams. CHECK the operation of the system. | | AC6: CHECK FUSE F36 | | | 1 CHECK Fuse F36 (EJB). | | | Is the fuse OK? Yes No RENEW fuse F36 (5 A). CHECK the operation of the system. If the fuse blows again, LOCATE and REPAIR the short using the Wiring Diagrams. | | AC7: CHECK THE VOLTAGE AT FUSE F36 | | | 1 Connect Fuse F36 (CJB). | | | 2 Ignition switch in position II. | | | 3 Measure the voltage between fuse F36 (5 A) and ground. | | | Does the meter display battery voltage? Yes No REPAIR the voltage supply to fuse F36 with the aid of the Wiring Diagrams. CHECK the operation of the system. | | AC8: CHECK FUSE F3 | | | 1 CHECK Fuse F3 (CJB). | | | Is the fuse OK? Yes No RENEW fuse F3 (5 A). CHECK the operation of the system. If the fuse blows again, LOCATE and REPAIR the short using the Wiring Diagrams. | | AC9: CHECK THE VOLTAGE AT FUSE F3 | | | 1 Connect Fuse F3 (CJB). | | | 2 Ignition switch in position II. | | | 3 Measure the voltage between fuse F3 (5 A) and ground. | | | Does the meter display battery voltage? Yes No | | AC10: CHECK FUSE F41 | | | 1 CHECK Fuse F41 (EJB). | | | Is the fuse OK? Yes No RENEW fuse F41 (20 A). CHECK the operation of the system. If the fuse blows again, LOCATE and REPAIR the short using the Wiring Diagrams. | | AC11: CHECK THE VOLTAGE AT FUSE F41 | | | 1 Connect Fuse F41 (EJB). | | | 2 Ignition switch in position II. | | | 3 Measure the voltage between fuse F41 (20 A) and ground. | | | Does the meter display battery voltage? Yes No | | AC12: CHECK THE VOLTAGE AT THE CJB | | | 1 Ignition switch in position 0. | | | 2 Disconnect CJB from socket C1BP02-A. | | | 3 Measure the voltage between the CJB, socket C1BP02-A, pin 65, circuit CBB41A (VT/GY), wiring harness side and ground. | | | Does the meter display battery voltage? Yes CHECK the CJB and RENEW as necessary. CHECK the operation of the system. No | | AC13: CHECK FOR OPEN CIRCUIT BETWEEN THE CJB AND THE EJB | | | 1 Ignition switch in position 0. | | | 2 Disconnect Connector C1BB01-A from the EJB. | | | 3 Measure the resistance between the CJB, connector C1BP02-A, pin 65, circuit CBB41A (VT/GY), wiring harness side and the EJB, connector C1BB01-A, pin 98, circuit CBB41A (VT/GY), wiring harness side. | | | Is a resistance of less than 2 Ohms registered? Yes CHECK and if necessary RENEW the EJB. CHECK the operation of the system. No LOCATE and REPAIR the break in circuit CBB41A (VT/GY) between the electronic stability program module and the CJB with the aid of the Wiring Diagrams. CHECK the operation of the system. | | AC14: CHECK THE VOLTAGE AT RELAY DC21 | | | 1 Ignition switch in position 0. | | | 2 Disconnect Relay DC21 from socket C1BB01-A. | | | 3 Measure the voltage between relay DC21, socket C1BB01-A, pin 1, circuit CDC01A (GN/VT), wiring harness side and ground. | | | Does the meter display battery voltage? Yes No LOCATE and REPAIR the break in the circuit between relay DC21 and the CJB using the Wiring Diagrams. CHECK the operation of the system. | | AC15: CHECK THE VOLTAGE AT RELAY DC21 | | | 1 Measure the voltage between relay DC21, socket C1BB01-A, pin 3, circuit SDC02H (RD), wiring harness side and ground. | | | Does the meter display battery voltage? Yes No CHECK and if necessary RENEW the EJB. CHECK the operation of the system. | | AC16: CHECK THE CIRCUIT BETWEEN RELAY DC21 AND FUSE F41 FOR OPEN CIRCUIT | | | 1 Ignition switch in position 0. | | | 2 Measure the resistance between relay DC21, socket C1BB01-A, pin 105, circuit CDC21F (GY/BN), wiring harness side and fuse F41. | | | Is a resistance of less than 2 Ohms registered? Yes No LOCATE and REPAIR the break in the circuit between relay DC21 and fuse F41 using the Wiring Diagrams. CHECK the operation of the system. | | AC17: CHECK THE GROUND CONNECTION OF DC21 | | | 1 Ignition switch in position 0. | | | 2 Measure the resistance between DC21, connector C1BB01-A, pin 106, circuit GD120P (BK/GN), wiring harness side and ground. | | | Is a resistance of less than 2 Ohms registered? Yes RENEW relay DC21. CHECK the operation of the system. No LOCATE and RECTIFY the break in the corresponding circuit between DC21 and soldered connection SP358 with the aid of the Wiring Diagrams. CHECK the operation of the system. | | AC18: CHECK THE VOLTAGE AT THE EJB | | | 1 Disconnect Connector C1BB01-B from the EJB. | | | 2 Measure the voltage between the EJB, connector C1BB01-B, pin 1, circuit SDC02A (RD), wiring harness side and ground. | | | Does the meter display battery voltage? Yes CHECK and if necessary RENEW the EJB. CHECK the operation of the system. No LOCATE and RECTIFY the break in circuit SDC02A (RD) between the EJB and the battery with the aid of the Wiring Diagrams. CHECK the operation of the system. | | AC19: CHECK THE VOLTAGE AT THE ESP MODULE | | | 1 Ignition switch in position 0. | | | 2 Disconnect Connector C1CA01 from the electronic stability program module. | | | 3 Measure the voltage between the ESP module, connector C1CA01, pin 1, circuit SBB26A (YE/RD), wiring harness side and ground. | | | Does the meter display battery voltage? Yes No | | AC20: CHECK FOR OPEN CIRCUIT BETWEEN THE EJB AND THE ESP MODULE | | | 1 Disconnect Connector C1BB01-A from the EJB. | | | 2 Measure the resistance between the EJB, connector C1BB01-A, pin 112, circuit SBB26A (YE/RD), wiring harness side and the ESP module, connector C1CA01, pin 1, circuit SBB26A (YE/RD), wiring harness side. | | | Is a resistance of less than 2 Ohms registered? Yes CHECK and if necessary RENEW the EJB. CHECK the operation of the system. No LOCATE and RECTIFY the break in circuit SBB26A (YE/RD) between the ESP module and the EJB with the aid of the Wiring Diagrams. CHECK the operation of the system. | | AC21: CHECK THE VOLTAGE AT THE ESP MODULE | | | 1 Measure the voltage between the ESP module, connector C1CA01, pin 25, circuit SBB25A (RD), wiring harness side and ground. | | | Does the meter display battery voltage? Yes No | | AC22: CHECK FOR OPEN CIRCUIT BETWEEN THE EJB AND THE ESP MODULE | | | 1 Disconnect Connector C1BB01-A from the EJB. | | | 2 Measure the resistance between the EJB, connector C1BB01-A, pin 113, circuit SBB25AB (RD), wiring harness side and the ESP module, connector C1CA01, pin 25, circuit SBB25A (RD), wiring harness side. | | | Is a resistance of less than 2 Ohms registered? Yes CHECK and if necessary RENEW the EJB. CHECK the operation of the system. No LOCATE and REPAIR the break in the circuit between the electronic stability program module and the EJB using the Wiring Diagrams. CHECK the operation of the system. | | AC23: CHECK THE VOLTAGE AT THE ESP MODULE | | | 1 Measure the voltage between the ESP module, connector C1CA01, pin 7, circuit SBB36A (GN/RD), wiring harness side and ground. | | | Does the meter display battery voltage? Yes No | | AC24: CHECK FOR OPEN CIRCUIT BETWEEN THE EJB AND THE ESP MODULE | | | 1 Disconnect Connector C1BB01-A from the EJB. | | | 2 Measure the resistance between the EJB, connector C1BB01-A, pin 41, circuit SBB36AB (GN/RD), wiring harness side and the ESP module, connector C1CA01, pin 7, circuit SBB36A (GN/RD), wiring harness side. | | | Is a resistance of less than 2 Ohms registered? Yes CHECK and if necessary RENEW the EJB. CHECK the operation of the system. No LOCATE and REPAIR the break in the circuit between the electronic stability program module and the EJB using the Wiring Diagrams. CHECK the operation of the system. | | AC25: CHECK THE VOLTAGE AT THE ESP MODULE | | | 1 Ignition switch in position II. | | | 2 Measure the voltage between the ESP module, connector C1CA01, pin 33, circuit CBP03A (GY), wiring harness side and ground. | | | Does the meter display battery voltage? Yes No | | AC26: CHECK FOR OPEN CIRCUIT BETWEEN THE CJB AND THE ESP MODULE | | | 1 Ignition switch in position 0. | | | 2 Disconnect Connector C1BP02-A from the CJB. | | | 3 Measure the resistance between the CJB, connector C1BP02-A, pin 55, circuit CBP03AB (GY), wiring harness side and the ESP module, connector C1CA01, pin 33, circuit CBP03A (GY), wiring harness side. | | | Is a resistance of less than 2 Ohms registered? Yes CHECK the CJB and RENEW as necessary. CHECK the operation of the system. No LOCATE and REPAIR the break in the circuit between the electronic stability program module and the CJB using the Wiring Diagrams. CHECK the operation of the system. | | AC27: CHECK THE GROUND CONNECTION OF THE ELECTRONIC STABILITY PROGRAM MODULE | | | 1 Ignition switch in position 0. | | | 2 Measure the resistance between the ESP module, connector C1CA01, pin 38, circuit GD122X (BK), wiring harness side and ground. | | | 3 Measure the resistance between the ESP module, connector C1CA01, pin 13, circuit GD122V (BK), wiring harness side and ground. | | | Is a resistance of less than 2 Ohm measured in both cases? Yes No - If a resistance of more than 2 Ohms is measured in one of the measurements:LOCATE and REPAIR the break in the relevant circuit between the ESP module and soldered connection SP200 with the aid of the Wiring Diagrams. CHECK the operation of the system. - If a resistance of more than 2 Ohms is measured in both of the measurements:LOCATE and REPAIR the break in circuit GD122Y (BK) between soldered connection SP200 and ground connection G1D130C with the aid of the Wiring Diagrams. CHECK the operation of the system. | | AC28: CHECK FOR OPEN CIRCUIT BETWEEN THE ELECTRONIC STABILITY PROGRAM MODULE AND THE DLC | CAUTION:The following measurement must only be performed using the Ford approved diagnostic tool digital multimeter. Failure to observe this instruction can lead to damage. | | | 1 Measure the resistance between the ESP module, connector C1CA01, pin 5, circuit VDB04S (WH/BU), wiring harness side and the DLC, connector C3DB04, pin 6, circuit VDB04L (WH/BU), wiring harness side. | | | Is a resistance of less than 2 Ohms registered? Yes No LOCATE and REPAIR the break in the circuit between the ESP module and soldered connection SP335 with the aid of the Wiring Diagrams. CHECK the operation of the system. | | AC29: CHECK FOR OPEN CIRCUIT BETWEEN THE ELECTRONIC STABILITY PROGRAM MODULE AND THE DATA LINK CONNECTOR (DLC) | CAUTION:The following measurement must only be performed using the Ford approved diagnostic tool digital multimeter. Failure to observe this instruction can lead to damage. | | | 1 Measure the resistance between the ESP module, connector C1CA01, pin 6, circuit VDB05S (WH), wiring harness side and the DLC, connector C3DB04, pin 14, circuit VDB05Z (WH), wiring harness side. | | | Is a resistance of less than 2 Ohms registered? Yes CHECK and if necessary RENEW the electronic stability program module. CHECK the operation of the system. No LOCATE and REPAIR the break in the circuit between the ESP module and soldered connection SP334 with the aid of the Wiring Diagrams. CHECK the operation of the system. | | PINPOINT TEST AD : POWER STEERING PUMP MODULE NOT COMMUNICATING WITH THE FORD APPROVED DIAGNOSTIC TOOL - VEHICLES WITH 2.0L DIESEL ENGINE | | TEST CONDITIONS | DETAILS/RESULTS/ACTIONS | | AD1: DETERMINE THE CONDITIONS UNDER WHICH THE FAULT OCCURS | | | 1 Ignition switch in position 0. | | | 2 Connect the diagnostic tool. | | | 3 Select the powertrain control module (PCM) with the Ford approved diagnostic tool. | | | Is it possible to establish communications with the PCM? Yes No | | AD2: CHECK FUSE F3 | | | 1 Ignition switch in position 0. | | | 2 CHECK Fuse F3 (EJB). | | | Is the fuse OK? Yes No RENEW fuse F3 (80 A). CHECK the operation of the system. If the fuse blows again, LOCATE and REPAIR the short using the Wiring Diagrams. | | AD3: CHECK THE VOLTAGE AT FUSE F3 | | | 1 Connect Fuse F3 (EJB). | | | 2 Measure the voltage between fuse F3 (80 A) and ground. | | | Does the meter display battery voltage? Yes No REPAIR the voltage supply to fuse F3 with the aid of the Wiring Diagrams. CHECK the operation of the system. | | AD4: CHECK FUSE F42 | | | 1 Ignition switch in position 0. | | | 2 CHECK Fuse F42 (EJB). | | | Is the fuse OK? Yes No RENEW fuse F42 (5 A). CHECK the operation of the system. If the fuse blows again, LOCATE and REPAIR the short using the Wiring Diagrams. | | AD5: CHECK THE VOLTAGE AT FUSE F42 | | | 1 Connect Fuse F42 (EJB). | | | 2 Ignition switch in position II. | | | 3 Measure the voltage between fuse F42 (5 A) and ground. | | | Does the meter display battery voltage? Yes No REPAIR the voltage supply to fuse F42 with the aid of the Wiring Diagrams. CHECK the operation of the system. | | AD6: CHECK THE VOLTAGE AT THE POWER STEERING PUMP MODULE | | | 1 Ignition switch in position 0. | | | 2 Disconnect Connector C1CS10 from the power steering pump module. | | | 3 Measure the voltage between the power steering pump module, connector C1CS10, pin 1, circuit SBB03A (BU), wiring harness side and ground. | | | Does the meter display battery voltage? Yes No | | AD7: CHECK FOR OPEN CIRCUIT BETWEEN THE EJB AND THE POWER STEERING PUMP MODULE | | | 1 Disconnect Connector C1BB03-C from the EJB. | | | 2 Measure the resistance between the EJB, connector C1BB03-C, pin 1, circuit SBB03A (BU), wiring harness side and the power steering pump module, connector C1CS10, pin 1, circuit SBB03A (BU), wiring harness side. | | | Is a resistance of less than 2 Ohms registered? Yes CHECK and if necessary RENEW the EJB. CHECK the operation of the system. No LOCATE and REPAIR the break in the circuit between the power steering pump module and the EJB using the Wiring Diagrams. CHECK the operation of the system. | | AD8: CHECK THE VOLTAGE AT THE POWER STEERING PUMP MODULE | | | 1 Disconnect Connector C1CS04 from the power steering pump module. | | | 2 Ignition switch in position II. | | | 3 Measure the voltage between the power steering pump module, connector C1CS04, pin 1, circuit CBB44A (VT), wiring harness side and ground. | | | Does the meter display battery voltage? Yes No | | AD9: CHECK FOR OPEN CIRCUIT BETWEEN THE EJB AND THE POWER STEERING PUMP MODULE | | | 1 Ignition switch in position 0. | | | 2 Disconnect Connector CBB01-A from the EJB. | | | 3 Measure the resistance between the EJB, connector CBB01-A, pin 101, circuit CBB44B (VT), wiring harness side and the power steering pump module, connector C1CS04, pin 1, circuit CBB44A (VT), wiring harness side. | | | Is a resistance of less than 2 Ohms registered? Yes CHECK and if necessary RENEW the EJB. CHECK the operation of the system. No LOCATE and REPAIR the break in the circuit between the power steering pump module and the EJB using the Wiring Diagrams. CHECK the operation of the system. | | AD10: CHECK THE GROUND CONNECTION OF THE POWER STEERING PUMP MODULE | | | 1 Ignition switch in position 0. | | | 2 Measure the resistance between the power steering pump module, connector C1CS10, pin 2, circuit GD120A (BK), wiring harness side and ground. | | | Is a resistance of less than 2 Ohms registered? Yes No LOCATE and REPAIR the break in circuit GD120A (BK) between the power steering pump module and ground connection G1D108B with the aid of the Wiring Diagrams. CHECK the operation of the system. | | AD11: CHECK FOR OPEN CIRCUIT BETWEEN THE POWER STEERING PUMP MODULE AND THE DATA LINK CONNECTOR (DLC) | CAUTION:The following measurement must only be performed using the Ford approved diagnostic tool digital multimeter. Failure to observe this instruction can lead to damage. | | | 1 Measure the resistance between the power steering pump module, connector C1CS04, pin 3, circuit VDB04F (WH/BU), wiring harness side and the DLC, connector C3DB04, pin 6, circuit VDB04L (WH/BU), wiring harness side. | | | Is a resistance of less than 2 Ohms registered? Yes No LOCATE and REPAIR the break in circuit VDB04F (WH/BU) between the power steering pump module and soldered connection SP328 using the Wiring Diagrams. CHECK the operation of the system. | | AD12: CHECK FOR OPEN CIRCUIT BETWEEN THE POWER STEERING PUMP MODULE AND THE DATA LINK CONNECTOR (DLC) | CAUTION:The following measurement must only be performed using the Ford approved diagnostic tool digital multimeter. Failure to observe this instruction can lead to damage. | | | 1 Measure the resistance between the power steering pump module, connector C1CS04, pin 2, circuit VDB05M (WH), wiring harness side and the DLC, connector C3DB04, pin 14, circuit VDB05Z (WH), wiring harness side. | | | Is a resistance of less than 2 Ohms registered? Yes CHECK and if necessary RENEW the power steering pump module. CHECK the operation of the system. No LOCATE and REPAIR the break in circuit VDB05M (WH) between the power steering pump module and soldered connection SP331 using the Wiring Diagrams. CHECK the operation of the system. | | PINPOINT TEST AE : PARKING BRAKE MODULE NOT COMMUNICATING WITH THE FORD APPROVED DIAGNOSTIC TOOL | | TEST CONDITIONS | DETAILS/RESULTS/ACTIONS | | AE1: CHECK COMMUNICATION WITH THE POWERTRAIN CONTROL MODULE (PCM) | | | 1 Ignition switch in position 0. | | | 2 Connect the diagnostic tool. | | | 3 Select the powertrain control module (PCM) with the Ford approved diagnostic tool. | | | Is it possible to establish communications with the PCM? Yes No | | AE2: CHECK FUSE FC2 | | | 1 Ignition switch in position 0. | | | 2 CHECK Fuse FC2 (RJB). | | | Is the fuse OK? Yes No RENEW fuse FC2 (30 A). CHECK the operation of the system. If the fuse blows again, LOCATE and REPAIR the short using the Wiring Diagrams. | | AE3: CHECK THE VOLTAGE AT FUSE FC2 | | | 1 Connect Fuse FC2 (RJB). | | | 2 Measure the voltage between fuse FC2 (30 A) and ground. | | | Does the meter display battery voltage? Yes No REPAIR the voltage supply to fuse FC2 with the aid of the Wiring Diagrams. CHECK the operation of the system. | | AE4: CHECK FUSE FC3 | | | 1 CHECK Fuse FC3 (RJB). | | | Is the fuse OK? Yes No RENEW fuse FC3 (30 A). CHECK the operation of the system. If the fuse blows again, LOCATE and REPAIR the short using the Wiring Diagrams. | | AE5: CHECK THE VOLTAGE AT FUSE FC3 | | | 1 Connect Fuse FC3 (RJB). | | | 2 Measure the voltage between fuse FC3 (30 A) and ground. | | | Does the meter display battery voltage? Yes No REPAIR the voltage supply to fuse FC3 with the aid of the Wiring Diagrams. CHECK the operation of the system. | | AE6: CHECK FUSE F3 | | | 1 CHECK Fuse F3 (CJB). | | | Is the fuse OK? Yes No RENEW fuse F3 (5 A). CHECK the operation of the system. If the fuse blows again, LOCATE and REPAIR the short using the Wiring Diagrams. | | AE7: CHECK THE VOLTAGE AT FUSE F3 | | | 1 Connect Fuse F3 (CJB). | | | 2 Ignition switch in position II. | | | 3 Measure the voltage between fuse F3 (5 A) and ground. | | | Does the meter display battery voltage? Yes No REPAIR the voltage supply to fuse F3 with the aid of the Wiring Diagrams. CHECK the operation of the system. | | AE8: CHECK THE VOLTAGE AT THE PARKING BRAKE MODULE (TERMINAL 30) | | | 1 Ignition switch in position 0. | | | 2 Disconnect Connector C4CB01 from the parking brake module. | | | 3 Measure the voltage between the parking brake module, connector C4CB01, pin 15, circuit SBR02A (YE/RD), wiring harness side and ground. | | | Is battery voltage measured in both cases? Yes No | | AE9: CHECK FOR OPEN CIRCUIT BETWEEN THE RJB AND THE PARKING BRAKE MODULE | | | 1 Disconnect Connector C4BR02-C from the RJB. | | | 2 Measure the resistance between the RJB, connector C4BR02-C, pin 303, circuit SBR02A (YE/RD), wiring harness side and the parking brake module, connector C4CB01, pin 15, circuit SBR02A (YE/RD), wiring harness side. | | | Is a resistance of less than 2 Ohms registered? Yes CHECK and RENEW the RJB if necessary. CHECK the operation of the system. No LOCATE and REPAIR the break in the circuit between the parking brake module and the RJB using the Wiring Diagrams. CHECK the operation of the system. | | AE10: CHECK THE VOLTAGE AT THE PARKING BRAKE MODULE (TERMINAL 30) | | | 1 Measure the voltage between the parking brake module, connector C4CB01, pin 13, circuit SBR03A (BU/RD), wiring harness side and ground. | | | Does the meter display battery voltage? Yes No | | AE11: CHECK FOR OPEN CIRCUIT BETWEEN THE RJB AND THE PARKING BRAKE MODULE | | | 1 Disconnect Connector C4BR02-C from the RJB. | | | 2 Measure the resistance between the RJB, connector C4BR02-C, pin 304, circuit SBR03A (BU/RD), wiring harness side and the parking brake module, connector C4CB01, pin 13, circuit SBR03A (BU/RD), wiring harness side. | | | Is a resistance of less than 2 Ohms registered? Yes CHECK and RENEW the RJB if necessary. CHECK the operation of the system. No LOCATE and REPAIR the break in the circuit between the parking brake module and the RJB using the Wiring Diagrams. CHECK the operation of the system. | | AE12: CHECK THE VOLTAGE AT THE PARKING BRAKE MODULE (TERMINAL 15) | | | 1 Ignition switch in position II. | | | 2 Measure the voltage between the parking brake module, connector C4CB01, pin 22, circuit CBP03B (GY), wiring harness side and ground. | | | Does the meter display battery voltage? Yes No | | AE13: CHECK FOR OPEN CIRCUIT BETWEEN THE CJB AND THE PARKING BRAKE MODULE. | | | 1 Ignition switch in position 0. | | | 2 Disconnect Connector C1BP02-B from the CJB. | | | 3 Measure the resistance between the CJB, connector C1BP02-B, pin 58, circuit CBP03C (GY), wiring harness side and the parking brake module, connector C4CB01, pin 22, circuit CBP03B (GY), wiring harness side. | | | Is a resistance of less than 2 Ohms registered? Yes CHECK the CJB and RENEW as necessary. CHECK the operation of the system. No LOCATE and REPAIR the break in the circuit between the parking brake module and the CJB using the Wiring Diagrams. CHECK the operation of the system. | | AE14: CHECK THE GROUND CONNECTION OF THE PARKING BRAKE MODULE | | | 1 Ignition switch in position 0. | | | 2 Measure the resistance between the parking brake module, connector C4CB01, pin 28, circuit GD147B (BK/VT), wiring harness side and ground. | | | 3 Measure the resistance between the parking brake module, connector C4CB01, pin 30, circuit GD147A (BK/VT), wiring harness side and ground. | | | Is a resistance of less than 2 Ohms measured in both cases? Yes No - If a resistance of more than 2 Ohms is measured in one of the measurements:LOCATE and REPAIR the break in the relevant circuit between the parking brake module and soldered connection SP551 using the Wiring Diagrams. CHECK the operation of the system. - If a resistance greater than 2 Ohm is measured in both cases:LOCATE and REPAIR the break in circuit GD147C (BK/VT) between soldered connection SP551 and ground connection G3D149 with the aid of the Wiring Diagrams. CHECK the operation of the system. | | AE15: CHECK FOR OPEN CIRCUIT BETWEEN THE PARKING BRAKE MODULE AND THE DATA LINK CONNECTOR (DLC) | CAUTION:The following measurement must only be performed using the Ford approved diagnostic tool digital multimeter. Failure to observe this instruction can lead to damage. | | | 1 Measure the resistance between the parking brake module, connector C4CB01, pin 16, circuit VDB04N (WH/BU), wiring harness side and the DLC, connector C3DB04, pin 6, circuit VDB04L (WH/BU), wiring harness side. | | | Is a resistance of less than 2 Ohms registered? Yes No LOCATE and RECTIFY the break in the circuit between the parking brake module and soldered connection SP343 with the aid of the Wiring Diagrams. CHECK the operation of the system. | | AE16: CHECK FOR OPEN CIRCUIT BETWEEN THE PARKING BRAKE MODULE AND THE DLC | CAUTION:The following measurement must only be performed using the Ford approved diagnostic tool digital multimeter. Failure to observe this instruction can lead to damage. | | | 1 Measure the resistance between the parking brake module, connector C4CB01, pin 17, circuit VDB05E (WH), wiring harness side and the DLC, connector C3DB04, pin 14, circuit VDB05Z (WH), wiring harness side. | | | Is a resistance of less than 2 Ohms registered? Yes CHECK and if necessary RENEW the parking brake module. CHECK the operation of the system. No LOCATE and REPAIR the break in the relevant circuit between the parking brake module and soldered connection SP342 using the Wiring Diagrams. CHECK the operation of the system. | | PINPOINT TEST AF : GENERIC ELECTRONIC MODULE (GEM) NOT COMMUNICATING WITH THE FORD APPROVED DIAGNOSTIC TOOL | | TEST CONDITIONS | DETAILS/RESULTS/ACTIONS | | AF1: CHECK COMMUNICATION WITH THE POWERTRAIN CONTROL MODULE (PCM) | | | 1 Ignition switch in position 0. | | | 2 Connect the diagnostic tool. | | | 3 Select the powertrain control module (PCM) with the Ford approved diagnostic tool. | | | Is it possible to establish communications with the PCM? Yes No | | AF2: CHECK FUSE F17 | | | 1 Ignition switch in position 0. | | | 2 CHECK Fuse F17 (EJB). | | | Is the fuse OK? Yes No RENEW fuse F17 (60 A). CHECK the operation of the system. If the fuse blows again, LOCATE and REPAIR the short using the Wiring Diagrams. | | AF3: CHECK THE VOLTAGE AT FUSE F17 | | | 1 Connect Fuse F17 (EJB). | | | 2 Measure the voltage between fuse F17 (60 A) and ground. | | | Does the meter display battery voltage? Yes No REPAIR the voltage supply to fuse F17 with the aid of the Wiring Diagrams. CHECK the operation of the system. | | AF4: CHECK FUSE F18 | | | 1 CHECK Fuse F18 (EJB). | | | Is the fuse OK? Yes No RENEW fuse F18 (60 A). CHECK the operation of the system. If the fuse blows again, LOCATE and REPAIR the short using the Wiring Diagrams. | | AF5: CHECK THE VOLTAGE AT FUSE F18 | | | 1 Connect Fuse F18 (EJB). | | | 2 Measure the voltage between fuse F18 (60 A) and ground. | | | Does the meter display battery voltage? Yes No REPAIR the voltage supply to fuse F18 with the aid of the Wiring Diagrams. CHECK the operation of the system. | | AF6: CHECK FUSE F41 | | | 1 CHECK Fuse F41 (EJB). | | | Is the fuse OK? Yes No RENEW fuse F41 (20 A). CHECK the operation of the system. If the fuse blows again, LOCATE and REPAIR the short using the Wiring Diagrams. | | AF7: CHECK THE VOLTAGE AT FUSE F41 | | | 1 Connect Fuse F41 (EJB). | | | 2 Ignition switch in position II. | | | 3 Measure the voltage between fuse F41 (20 A) and ground. | | | Does the meter display battery voltage? Yes No | | AF8: CHECK THE VOLTAGE AT RELAY DC21 | | | 1 Ignition switch in position 0. | | | 2 Disconnect Relay DC21 from socket C1BB01A. | | | 3 Measure the voltage between relay DC21, socket C1BB01A pin 107, circuit CDC01A (GN/VT), wiring harness side and ground. | | | Does the meter display battery voltage? Yes No LOCATE and REPAIR the break in the circuit between relay DC21 and the CJB using the Wiring Diagrams. CHECK the operation of the system. | | AF9: CHECK THE VOLTAGE AT RELAY DC21 | | | 1 Measure the voltage between relay DC21, socket C1BB01A, pin 104, circuit SDC02H (RD), wiring harness side and ground. | | | Does the meter display battery voltage? Yes No CHECK and if necessary RENEW the EJB. CHECK the operation of the system. | | AF10: CHECK THE CIRCUIT BETWEEN RELAY DC21 AND FUSE F41 FOR OPEN CIRCUIT | | | 1 Ignition switch in position 0. | | | 2 Measure the resistance between relay DC21, socket C1BB01A, pin 105, circuit CDC21F (GY/BN), wiring harness side and fuse F42. | | | Is a resistance of less than 2 Ohms registered? Yes No LOCATE and REPAIR the break in the circuit between relay DC21 and fuse F41 using the Wiring Diagrams. CHECK the operation of the system. | | AF11: CHECK THE GROUND CONNECTION OF DC21 | | | 1 Ignition switch in position 0. | | | 2 Measure the resistance between DC21, connector C1BB01-A, pin 106, circuit GD120P (BK/GN), wiring harness side and ground. | | | Is a resistance of less than 2 Ohms registered? Yes RENEW relay DC21. CHECK the operation of the system. No LOCATE and RECTIFY the break in the corresponding circuit between DC21 and soldered connection SP358 with the aid of the Wiring Diagrams. CHECK the operation of the system. | | AF12: CHECK THE VOLTAGE AT THE GEM | | | 1 Disconnect Connector C1BP02-G from the GEM. | | | 2 Measure the voltage between the GEM, connector C1BP02-G, pin 1, circuit SBB17A (RD), wiring harness side and ground. | | | Does the meter display battery voltage? Yes No | | AF13: CHECK FOR OPEN CIRCUIT BETWEEN THE CJB AND THE EJB | | | 1 Disconnect Connector C1BB03-G from the EJB. | | | 2 Measure the resistance between the CJB, connector C1BP02-G, pin 1, circuit SBB17A (RD), wiring harness side and the EJB, connector C1BB03-G, pin 1, circuit SBB17A (RD), wiring harness side. | | | Is a resistance of less than 2 Ohms registered? Yes CHECK and if necessary RENEW the EJB. CHECK the operation of the system. No LOCATE and RECTIFY the break in circuit SBB17A (RD) between the EJB and the CJB with the aid of the Wiring Diagrams. CHECK the operation of the system. | | AF14: CHECK THE VOLTAGE AT THE GEM | | | 1 Measure the voltage between the GEM, connector C1BP02-G, pin 2, circuit SBB18A (YE), wiring harness side and ground. | | | Does the meter display battery voltage? Yes No | | AF15: CHECK FOR OPEN CIRCUIT BETWEEN THE CJB AND THE EJB | | | 1 Disconnect Connector C1BP03-H from the EJB. | | | 2 Measure the resistance between the CJB, connector C1BP02-G, pin 2, circuit SBB18A (YE), wiring harness side and the EJB, connector C1BB03-H, pin 1, circuit SBB18A (YE), wiring harness side. | | | Is a resistance of less than 2 Ohms registered? Yes CHECK and if necessary RENEW the EJB. CHECK the operation of the system. No LOCATE and RECTIFY the break in circuit SBB18A (YE) between the GEM and the EJB with the aid of the Wiring Diagrams. CHECK the operation of the system. | | AF16: CHECK THE VOLTAGE AT THE GEM | | | 1 Disconnect Connector C1BP02-A from the GEM. | | | 2 Ignition switch in position II. | | | 3 Measure the voltage between the GEM, connector C1BP02-A, pin 65, circuit CBB41A (BU), wiring harness side and ground. | | | Does the meter display battery voltage? Yes No | | AF17: CHECK FOR OPEN CIRCUIT BETWEEN THE CJB AND THE EJB | | | 1 Ignition switch in position 0. | | | 2 Disconnect Connector C1BB01-A from the EJB. | | | 3 Measure the resistance between the CJB, connector C1BP02-A, pin 65, circuit CBB41A (BU), wiring harness side and the EJB, connector C1BB01-A, pin 98, circuit CBB41A (BU), wiring harness side. | | | Is a resistance of less than 2 Ohms registered? Yes CHECK and if necessary RENEW the EJB. CHECK the operation of the system. No LOCATE and RECTIFY the break in circuit CBB41A (BU) between the EJB and the CJB with the aid of the Wiring Diagrams. CHECK the operation of the system. | | AF18: TEST THE GEM GROUND CONNECTION | | | 1 Ignition switch in position 0. | | | 2 Measure the resistance between the GEM, connector C1BP02-A, pin 54, circuit GD123F (BK/GY), wiring harness side and ground. | | | Is a resistance of less than 2 Ohms registered? Yes No LOCATE and REPAIR the break in circuit GD123F (BK/GY) between the GEM and ground connection GD123 with the aid of the Wiring Diagrams. CHECK the operation of the system. | | AF19: TEST THE GEM GROUND CONNECTION | | | 1 Disconnect Connector C1BP02-B from the GEM. | | | 2 Measure the resistance between the GEM, connector C1BP02-B, pin 65, circuit GD134U (BK/VT), wiring harness side and ground. | | | Is a resistance of less than 2 Ohms registered? Yes No LOCATE and REPAIR the break in circuit GD134U (BK/VT) between the GEM and ground connection GD134 with the aid of the Wiring Diagrams. CHECK the operation of the system. | | AF20: CHECK FOR OPEN CIRCUIT BETWEEN THE GEM AND THE DATA LINK CONNECTOR (DLC) | CAUTION:The following measurement must only be performed using the Ford approved diagnostic tool digital multimeter. Failure to observe this instruction can lead to damage. | | | 1 Measure the resistance between the GEM, connector C1BP02-A, pin 50, circuit VDB07J (VT/OG), wiring harness side and the DLC, connector C3DB04, pin 11, circuit VDB07D (GY/OG), wiring harness side. | | | Is a resistance of less than 2 Ohms registered? Yes No LOCATE and REPAIR the break in the circuit between the GEM and the DLC using the Wiring Diagrams. CHECK the operation of the system. | | AF21: CHECK FOR OPEN CIRCUIT BETWEEN THE GEM AND THE DLC | CAUTION:The following measurement must only be performed using the Ford approved diagnostic tool digital multimeter. Failure to observe this instruction can lead to damage. | | | 1 Measure the resistance between the GEM, connector C1BP02-A, pin 49, circuit VDB06AC (GY/OG), wiring harness side and the DLC, connector C3DB04, pin 3, circuit VDB06X (GY/OG), wiring harness side. | | | Is a resistance of less than 2 Ohms registered? Yes No LOCATE and REPAIR the break in the circuit between the GEM and the DLC using the Wiring Diagrams. CHECK the operation of the system. | | AF22: CHECK FOR OPEN CIRCUIT BETWEEN THE GEM AND THE DATA LINK CONNECTOR (DLC) | CAUTION:The following measurement must only be performed using the Ford approved diagnostic tool digital multimeter. Failure to observe this instruction can lead to damage. | | | 1 Disconnect Connector C1BP02-C from the GEM. | | | 2 Measure the resistance between the GEM, connector C1BP02-C, pin 47, circuit VDB04Y (WH/BU), wiring harness side and the DLC, connector C3DB04, pin 6, circuit VDB04L (WH/BU), wiring harness side. | | | Is a resistance of less than 2 Ohms registered? Yes No LOCATE and REPAIR the break in the circuit between the GEM and the DLC using the Wiring Diagrams. CHECK the operation of the system. | | AF23: CHECK FOR OPEN CIRCUIT BETWEEN THE GEM AND THE DLC | CAUTION:The following measurement must only be performed using the Ford approved diagnostic tool digital multimeter. Failure to observe this instruction can lead to damage. | | | 1 Measure the resistance between the GEM, connector C1BP02-C, pin 48, circuit VDB05AB (WH), wiring harness side and the DLC, connector C3DB04, pin 14, circuit VDB05Z (WH), wiring harness side. | | | Is a resistance of less than 2 Ohms registered? Yes TEST the GEM and RENEW as necessary. CHECK the operation of the system. No LOCATE and RECTIFY the break in the corresponding circuit between the GEM and the DLC using the Wiring Diagrams. CHECK the operation of the system. | | PINPOINT TEST AG : POWERTRAIN CONTROL MODULE (PCM) NOT COMMUNICATING WITH THE FORD APPROVED DIAGNOSTIC TOOL | | TEST CONDITIONS | DETAILS/RESULTS/ACTIONS | | AG1: DETERMINE THE CONDITIONS UNDER WHICH THE FAULT OCCURS | | | 1 Ignition switch in position 0. | | | 2 Connect the diagnostic tool. | | | 3 Select the instrument cluster with the Ford approved diagnostic tool. | | | Is it possible to establish communication with the instrument cluster? Yes - All except vehicles with a 2.0L engine: GO to AG2. No | | AG2: CHECK FUSE F10 | | | 1 Ignition switch in position 0. | | | 2 CHECK Fuse F10 (EJB). | | | Is the fuse OK? Yes No RENEW fuse F10 (10 A). CHECK the operation of the system. If the fuse blows again, LOCATE and REPAIR the short using the Wiring Diagrams. | | AG3: CHECK THE VOLTAGE AT FUSE F10 | | | 1 Connect Fuse F10 (EJB). | | | 2 Measure the voltage between fuse F10 (10 A) and ground. | | | Does the meter display battery voltage? Yes No | | AG4: CHECK FUSE F8 | | | 1 CHECK Fuse F8 (EJB). | | | Is the fuse OK? Yes No RENEW fuse F8 (10 A). CHECK the operation of the system. If the fuse blows again, LOCATE and REPAIR the short using the Wiring Diagrams. | | AG5: CHECK THE VOLTAGE AT FUSE F8 | | | 1 Connect Fuse F8 (EJB). | | | 2 Ignition switch in position II. | | | 3 Measure the voltage between fuse F8 (10 A) and ground. | | | Does the meter display battery voltage? Yes No | | AG6: CHECK FUSE F7 | | | 1 CHECK Fuse F7 (EJB). | | | Is the fuse OK? Yes No RENEW fuse F7 (5 A). CHECK the operation of the system. If the fuse blows again, LOCATE and REPAIR the short using the Wiring Diagrams. | | AG7: CHECK THE VOLTAGE AT FUSE F7 | | | 1 Connect Fuse F7 (EJB). | | | 2 Measure the voltage between fuse F7 (5 A) and ground. | | | Does the meter display battery voltage? Yes No CHECK and if necessary RENEW the EJB. CHECK the operation of the system. | | AG8: CHECK THE VOLTAGE AT RELAY E612 | | | 1 Disconnect Relay E612 from socket C1BB03-A. | | | 2 Measure the voltage between relay E612, socket C1BB03-A, pin 10, circuit SBB07B (WH/RD), wiring harness side and ground. | | | Does the meter display battery voltage? Yes No LOCATE and REPAIR the break in the circuit between relay E612 and fuse F7 using the Wiring Diagrams. CHECK the operation of the system. | | AG9: CHECK THE VOLTAGE AT RELAY E612 | | | 1 Measure the voltage between relay E612, socket C1BB03-A, pin 7, circuit SDC02A (RD), wiring harness side and ground. | | | Does the meter display battery voltage? Yes No CHECK and if necessary RENEW the EJB. CHECK the operation of the system. | | AG10: CHECK THE CIRCUIT BETWEEN RELAY E612 AND FUSE F8 FOR OPEN CIRCUIT | | | 1 Ignition switch in position 0. | | | 2 Measure the resistance between relay E612, socket C1BB03-A, pin 37, circuit CE612J (GY/VT), wiring harness side and fuse F8. | | | Is a resistance of less than 2 Ohms registered? Yes - Vehicles with a 1.6L Duratec-16V (Sigma) engine: GO to AG15. - Vehicles with a 3.0L Duratec-VE (VE6) engine: GO to AG16. - Vehicles with a 3.0L Duratec-VE (VE6) engine: GO to AG17. No LOCATE and REPAIR the break in the circuit between relay E612 and fuse F8 using the Wiring Diagrams. CHECK the operation of the system. | | AG11: CHECK THE CIRCUIT BETWEEN RELAY E612 AND THE PCM FOR CONTINUITY. | | | 1 Disconnect Connector C1E108-D from the PCM. | | | 2 Measure the resistance between relay E612, socket C1BB03-A, pin 9, circuit CE302A (YE/BU), wiring harness side and the PCM, connector C1E108-D, pin C1, circuit CE302A (YE/BU), wiring harness side. | | | Is a resistance of less than 2 Ohms registered? Yes No LOCATE and REPAIR the break in the circuit between relay E612 and the PCM using the Wiring Diagrams. CHECK the operation of the system. | | AG12: CHECK THE CIRCUIT BETWEEN RELAY E612 AND THE PCM FOR CONTINUITY. | | | 1 Disconnect Connector C1E104-E from the PCM. | | | 2 Measure the resistance between relay E612, socket C1BB03-A, pin 9, circuit CE302E (YE/BU), wiring harness side and the PCM, connector C1E104-E, pin G1, circuit CE302E (YE/BU), wiring harness side. | | | Is a resistance of less than 2 Ohms registered? Yes No LOCATE and REPAIR the break in the circuit between relay E612 and the PCM using the Wiring Diagrams. CHECK the operation of the system. | | AG13: CHECK THE CIRCUIT BETWEEN RELAY E612 AND THE PCM FOR CONTINUITY. | | | 1 Disconnect Connector C1E108-B from the PCM. | | | 2 Measure the resistance between relay E612, socket C1BB03-A, pin 9, circuit CE302A (YE/BU), wiring harness side and the PCM, connector C1E108-B, pin 27, circuit CE302A (YE/BU), wiring harness side. | | | Is a resistance of less than 2 Ohms registered? Yes No LOCATE and REPAIR the break in the circuit between relay E612 and the PCM using the Wiring Diagrams. CHECK the operation of the system. | | AG14: CHECK THE CIRCUIT BETWEEN RELAY E612 AND THE PCM FOR CONTINUITY. | | | 1 Disconnect Connector C1E108-K from the PCM. | | | 2 Measure the resistance between relay E612, socket C1BB03A, pin 9, circuit CE302B(YE/BU), wiring harness side and the PCM, connector C1E108-K, pin C1, circuit CE302BA (YE/BU), wiring harness side. | | | Is a resistance of less than 2 Ohms registered? Yes No LOCATE and REPAIR the break in the circuit between relay E612 and the PCM using the Wiring Diagrams. CHECK the operation of the system. | | AG15: CHECK THE CIRCUIT BETWEEN RELAY E612 AND THE PCM FOR CONTINUITY. | | | 1 Disconnect Connector C1E104-G from the PCM. | | | 2 Measure the resistance between relay E612, socket C1BB03-A, pin 9, circuit CE302A (YE/BU), wiring harness side and the PCM, connector C1E104-G, pin B1, circuit CE302A (YE/BU), wiring harness side. | | | Is a resistance of less than 2 Ohms registered? Yes No LOCATE and REPAIR the break in the circuit between relay E612 and the PCM using the Wiring Diagrams. CHECK the operation of the system. | | AG16: CHECK THE CIRCUIT BETWEEN RELAY E612 AND THE PCM FOR CONTINUITY. | | | 1 Disconnect Connector C1E109-B from the PCM. | | | 2 Measure the resistance between relay E612, socket C1BB03-A, pin 9, circuit CE302A (YE/BU), wiring harness side and the PCM, connector C1E109-B, pin 27, circuit CE302A (YE/BU), wiring harness side. | | | Is a resistance of less than 2 Ohms registered? Yes No LOCATE and REPAIR the break in the circuit between relay E612 and the PCM using the Wiring Diagrams. CHECK the operation of the system. | | AG17: CHECK THE CIRCUIT BETWEEN RELAY E612 AND THE PCM FOR CONTINUITY. | | | 1 Disconnect Connector C1E108-H from the PCM. | | | 2 Measure the resistance between relay E612, socket C1BB03-A, pin 9, circuit CE302A (YE/BU), wiring harness side and the PCM, connector C1E108-H, pin A3, circuit CE302A (YE/BU), wiring harness side. | | | Is a resistance of less than 2 Ohms registered? Yes No LOCATE and REPAIR the break in the circuit between relay E612 and the PCM using the Wiring Diagrams. CHECK the operation of the system. | | AG18: CHECK RELAY E612 | | | 1 Check relay E612 according to the component test at the end of this section. | | | Is relay E612 OK? Yes CHECK the PCM and RENEW if necessary. CHECK the operation of the system. No RENEW relay E612. CHECK the operation of the system. | | AG19: CHECK THE VOLTAGE AT THE EJB | | | 1 Disconnect Connector C1BB01-B from the EJB. | | | 2 Measure the voltage between the EJB, connector C1BB01-B, pin 1, circuit SDC02A (RD), wiring harness side and ground. | | | Does the meter display battery voltage? Yes CHECK and if necessary RENEW the EJB. CHECK the operation of the system. No LOCATE and RECTIFY the break in circuit SDC02A (RD) between the EJB and the battery with the aid of the Wiring Diagrams. CHECK the operation of the system. | | AG20: CHECK FUSE F42 | | | 1 CHECK Fuse F42 (EJB). | | | Is the fuse OK? Yes No RENEW fuse F42 (10 A). CHECK the operation of the system. If the fuse blows again, LOCATE and REPAIR the short using the Wiring Diagrams. | | AG21: CHECK THE VOLTAGE AT FUSE F42 | | | 1 Connect Fuse F42 (EJB). | | | 2 Ignition switch in position II. | | | 3 Measure the voltage between fuse F42 (10 A) and ground. | | | Does the meter display battery voltage? Yes - Vehicles with a 1.6L Duratec-16V (Sigma) engine: GO to AG59. - Vehicles with a 3.0L Duratec-VE (VE6) engine: GO to AG67. No | | AG22: CHECK THE VOLTAGE AT RELAY DC21 | | | 1 Ignition switch in position 0. | | | 2 Disconnect Relay DC21 from socket C1BB01-A. | | | 3 Measure the voltage between relay DC21, socket C1BB01-A, pin 107, circuit CDC01A (GN/VT), wiring harness side and ground. | | | Does the meter display battery voltage? Yes No LOCATE and REPAIR the break in the circuit between relay DC21 and the CJB using the Wiring Diagrams. CHECK the operation of the system. | | AG23: CHECK THE VOLTAGE AT RELAY DC21 | | | 1 Measure the voltage between relay DC21, socket C1BB01-A, pin 104, circuit SDC02H (RD), wiring harness side and ground. | | | Does the meter display battery voltage? Yes No CHECK and if necessary RENEW the EJB. CHECK the operation of the system. | | AG24: CHECK THE CIRCUIT BETWEEN RELAY DC21 AND FUSE F42 FOR OPEN CIRCUIT | | | 1 Measure the resistance between relay DC21, socket C1BB01-A, pin 105, circuit CDC21F (GY/BN), wiring harness side and fuse F42. | | | Is a resistance of less than 2 Ohms registered? Yes No LOCATE and REPAIR the break in the circuit between relay DC21 and fuse F42 using the Wiring Diagrams. CHECK the operation of the system. | | AG25: CHECK THE GROUND CONNECTION OF DC21 | | | 1 Measure the resistance between DC21, connector C1BB01-A, pin 106, circuit GD120P (BK/GN), wiring harness side and ground. | | | Is a resistance of less than 2 Ohms registered? Yes RENEW relay E612. CHECK the operation of the system. No LOCATE and RECTIFY the break in the corresponding circuit between DC21 and soldered connection SP358 with the aid of the Wiring Diagrams. CHECK the operation of the system. | | AG26: CHECK THE VOLTAGE AT THE PCM | | | 1 Disconnect Connector C1E108-C from the PCM. | | | 2 Measure the voltage between the PCM, connector C1E108-C, pin G4, circuit SBB10B (YE/RD), wiring harness side and ground. | | | Does the meter display battery voltage? Yes No | | AG27: CHECK FOR OPEN CIRCUIT BETWEEN THE PCM AND THE EJB | | | 1 Disconnect Connector C4BR03-A from the EJB. | | | 2 Measure the resistance between the PCM, connector C1E108-C, pin G4, circuit SBB10B (YE/RD), wiring harness side and the RJB, connector C1BB03-A, pin 26, circuit SBB10B (YE/RD), wiring harness side. | | | Is a resistance of less than 2 Ohms registered? Yes CHECK and if necessary RENEW the EJB. CHECK the operation of the system. No LOCATE and RECTIFY the break in circuit SBB10B (YE/RD) between the PCM and the EJB with the aid of the Wiring Diagrams. CHECK the operation of the system. | | AG28: CHECK THE VOLTAGE AT THE PCM | | | 1 Disconnect Connector C1E108-D from the PCM. | | | 2 Ignition switch in position II. | | | 3 Measure the voltage between the PCM, connector C1E108-D, pin C3, circuit CBB42A (GN), wiring harness side and ground. | | | Does the meter display battery voltage? Yes No | | AG29: CHECK FOR OPEN CIRCUIT BETWEEN THE PCM AND THE EJB | | | 1 Ignition switch in position 0. | | | 2 Disconnect Connector C1BB01-A from the EJB. | | | 3 Measure the resistance between the PCM, connector C1E108-D, pin C3, circuit CBB42A (GN), wiring harness side and the RJB, connector C1BB01-A, pin 99, circuit CBB42B (GN), wiring harness side. | | | Is a resistance of less than 2 Ohms registered? Yes CHECK and if necessary RENEW the EJB. CHECK the operation of the system. No LOCATE and REPAIR the break in the circuit between the PCM and the EJB with the aid of the Wiring Diagrams. CHECK the operation of the system. | | AG30: CHECK THE VOLTAGE AT THE PCM | | | 1 Ignition switch in position 0. | | | 2 Disconnect Connector C1E108-E from the PCM. | | | 3 Use a fused test lead (1 A) at the PCM to bridge connector C1E108-D, pin C1, circuit CE302A (YE/BU), wiring harness side and ground. | | | 4 Measure the voltage between the PCM, connector C1E108-E, pin K1, circuit CBB08D (GY/YE), wiring harness side and ground. | | | 5 Measure the voltage between the PCM, connector C1E108-E, pin K2, circuit CBB08C (GY/YE), wiring harness side and ground. | | | 6 Measure the voltage between the PCM, connector C1E108-E, pin J1, circuit CBB08E (GY/YE), wiring harness side and ground. | | | Is battery voltage measured in all cases? Yes No - If no voltage is measured during a measurement:LOCATE and REPAIR the break in the relevant circuit between the PCM and soldered connection SP482 using the Wiring Diagrams. CHECK the operation of the system. - If battery voltage is not measured during all measurements: GO to AG31. | | AG31: CHECK FOR OPEN CIRCUIT BETWEEN THE PCM AND THE EJB | | | 1 Disconnect Connector C1BB03-A from the EJB. | | | 2 Measure the resistance between the PCM, connector C1E108-E, pin K1, circuit CBB08D (GY/YE), wiring harness side and the RJB, connector C1BB03-A, pin 16, circuit CBB08A (GY/YE), wiring harness side. | | | Is a resistance of less than 2 Ohms registered? Yes CHECK and if necessary RENEW the EJB. CHECK the operation of the system. No LOCATE and RECTIFY the break in circuit CBB08A (GY/YE) between soldered connection SP482 and the EJB with the aid of the Wiring Diagrams. CHECK the operation of the system. | | AG32: CHECK THE GROUND CONNECTION OF THE PCM | | | 1 Measure the resistance between the PCM, connector C1E108-D, pin G4, circuit GD120P (BK/GN), wiring harness side and ground. | | | 2 Measure the resistance between the PCM, connector C1E108-D, pin H4, circuit GD120Y (BK/GN), wiring harness side and ground. | | | 3 Measure the resistance between the PCM, connector C1E108-C, pin L4, circuit GD120W (BK/GN), wiring harness side and ground. | | | 4 Measure the resistance between the PCM, connector C1E108-C, pin M4, circuit GD120R (BK/GN), wiring harness side and ground. | | | 5 Measure the resistance between the PCM, connector C1E108-E, pin J2, circuit GD120AC (BK/GN), wiring harness side and ground. | | | 6 Measure the resistance between the PCM, connector C1E108-E, pin K4, circuit GD120N (BK/GN), wiring harness side and ground. | | | Is a resistance of less than 2 Ohms measured in all of the cases? Yes No - If a resistance of more than 2 Ohms is measured in one of the measurements:LOCATE and REPAIR the break in the relevant circuit between the PCM and soldered connection SP301 using the Wiring Diagrams. CHECK the operation of the system. - If a resistance of more than 2 Ohms is measured in all of the measurements:LOCATE and RECTIFY the open circuit in the corresponding circuit between soldered connection SP301 and ground connection G1D108D with the aid of the Wiring Diagrams. CHECK the operation of the system. | | AG33: CHECK FOR OPEN CIRCUIT BETWEEN THE PCM AND THE DATA LINK CONNECTOR (DLC) | CAUTION:The following measurement must only be performed using the Ford approved diagnostic tool digital multimeter. Failure to observe this instruction can lead to damage. | | | 1 Measure the resistance between the PCM, connector C1E108-D, pin A4, circuit VDB04E (WH/BU), wiring harness side and the DLC, connector C3DB04, pin 6, circuit VDB04L (WH/BU), wiring harness side. | | | Is a resistance of less than 2 Ohms registered? Yes No LOCATE and REPAIR the open circuit between the PCM and the DLC using the Wiring Diagrams. CHECK the operation of the system. | | AG34: CHECK THE CIRCUIT BETWEEN THE PCM AND THE DLC FOR OPEN CIRCUIT | CAUTION:The following measurement must only be performed using the Ford approved diagnostic tool digital multimeter. Failure to observe this instruction can lead to damage. | | | 1 Measure the resistance between the PCM, connector C1E108-D, pin A3, circuit VDB05L (WH), wiring harness side and the DLC, connector C3DB04, pin 14, circuit VDB05Z (WH), wiring harness side. | | | Is a resistance of less than 2 Ohms registered? Yes CHECK the PCM and RENEW if necessary. CHECK the operation of the system. No LOCATE and REPAIR the open in the respective circuit between the PCM and DLC by using the wiring diagrams. CHECK the operation of the system. | | AG35: CHECK THE VOLTAGE AT THE PCM | | | 1 Disconnect Connector C1E104-E from the PCM. | | | 2 Ignition switch in position II. | | | 3 Measure the voltage between the PCM, connector C1E108-E, pin G2, circuit CBB42A (GN), wiring harness side and ground. | | | Does the meter display battery voltage? Yes No | | AG36: CHECK FOR OPEN CIRCUIT BETWEEN THE PCM AND THE EJB | | | 1 Ignition switch in position 0. | | | 2 Disconnect Connector C1BB01-A from the EJB. | | | 3 Measure the resistance between the PCM, connector C1E104-E, pin G2, circuit CBB42A (GN), wiring harness side and the EJB, connector C1BB01-A, pin 99, circuit CBB42B (GN), wiring harness side. | | | Is a resistance of less than 2 Ohms registered? Yes CHECK and if necessary RENEW the EJB. CHECK the operation of the system. No LOCATE and REPAIR the break in the circuit between the PCM and the EJB with the aid of the Wiring Diagrams. CHECK the operation of the system. | | AG37: CHECK THE VOLTAGE AT THE PCM | | | 1 Ignition switch in position 0. | | | 2 Use a fused test lead (1 A) at the PCM to bridge connector C1E104-ED, pin G1, circuit CE302E (YE/BU), wiring harness side and ground. | | | 3 Measure the voltage between the PCM, connector C1E104-E, pin M2, circuit CBB08N (GY/YE), wiring harness side and ground. | | | 4 Measure the voltage between the PCM, connector C1E104-E, pin M3, circuit CBB08L (GY/YE), wiring harness side and ground. | | | Is battery voltage measured in all cases? Yes No LOCATE and REPAIR the break in the relevant circuit between the PCM and the EJB with the aid of the wiring diagrams. CHECK the operation of the system. | | AG38: CHECK THE GROUND CONNECTION OF THE PCM | | | 1 Disconnect Connector C1E104-D from the PCM. | | | 2 Disconnect Connector C1E104-F from the PCM. | | | 3 Measure the resistance between the PCM, connector C1E104-E, pin M4, circuit GD120BM (BK/GN), wiring harness side and ground. | | | 4 Measure the resistance between the PCM, connector C1E104-E, pin F4, circuit GD120AK (BK/GN), wiring harness side and ground. | | | 5 Measure the resistance between the PCM, connector C1E104-E, pin B3, circuit GD120AJ (BK/GN), wiring harness side and ground. | | | 6 Measure the resistance between the PCM, connector C1E104-D, pin G1, circuit GD120AH (BK/GN), wiring harness side and ground. | | | 7 Measure the resistance between the PCM, connector C1E104-F, pin H1, circuit GD120BN (BK/GN), wiring harness side and ground. | | | Is a resistance of less than 2 Ohms measured in all of the cases? Yes No - If a resistance of more than 2 Ohms is measured in one of the measurements:LOCATE and REPAIR the break in the relevant circuit between the PCM and soldered connection SP185 using the Wiring Diagrams. CHECK the operation of the system. - If a resistance of more than 2 Ohms is measured in all of the measurements:LOCATE and RECTIFY the open circuit in the corresponding circuit between soldered connection SP185 and ground connection G1D108D with the aid of the Wiring Diagrams. CHECK the operation of the system. | | AG39: CHECK THE GROUND CONNECTION OF THE PCM | | | 1 Measure the resistance between the PCM, connector C1E104-E, pin L4, circuit GD120BL (BK/GN), wiring harness side and ground. | | | Is a resistance of less than 2 Ohms measured in all of the cases? Yes No LOCATE and REPAIR the open circuit between the PCM and ground connection G1D108B using the Wiring Diagrams. CHECK the operation of the system. | | AG40: CHECK FOR OPEN CIRCUIT BETWEEN THE PCM AND THE DATA LINK CONNECTOR (DLC) | CAUTION:The following measurement must only be performed using the Ford approved diagnostic tool digital multimeter. Failure to observe this instruction can lead to damage. | | | 1 Measure the resistance between the PCM, connector C1E104-E, pin A4, circuit VDB04AH (WH/BU), wiring harness side and the DLC, connector C3DB04, pin 6, circuit VDB04L (WH/BU), wiring harness side. | | | Is a resistance of less than 2 Ohms registered? Yes No LOCATE and REPAIR the open circuit between the PCM and the DLC using the Wiring Diagrams. CHECK the operation of the system. | | AG41: CHECK THE CIRCUIT BETWEEN THE PCM AND THE DLC FOR OPEN CIRCUIT | CAUTION:The following measurement must only be performed using the Ford approved diagnostic tool digital multimeter. Failure to observe this instruction can lead to damage. | | | 1 Measure the resistance between the PCM, connector C1E104-E, pin B4, circuit VDB05AL (WH), wiring harness side and the DLC, connector C3DB04, pin 14, circuit VDB05Z (WH), wiring harness side. | | | Is a resistance of less than 2 Ohms registered? Yes CHECK the PCM and RENEW if necessary. CHECK the operation of the system. No LOCATE and REPAIR the open in the respective circuit between the PCM and DLC by using the wiring diagrams. CHECK the operation of the system. | | AG42: CHECK THE VOLTAGE AT THE PCM | | | 1 Disconnect Connector C1E108-B from the PCM. | | | 2 Measure the voltage between the PCM, connector C1E108-B, pin 16, circuit SBB10A (YE/RD), wiring harness side and ground. | | | Does the meter display battery voltage? Yes No | | AG43: CHECK FOR OPEN CIRCUIT BETWEEN THE PCM AND THE EJB | | | 1 Disconnect Connector C4BR03-A from the EJB. | | | 2 Measure the resistance between the PCM, connector C1E108-B, pin 16, circuit SBB10A (YE/RD), wiring harness side and the EJB, connector C1BB03-A, pin 26, circuit SBB10A (YE/RD), wiring harness side. | | | Is a resistance of less than 2 Ohms registered? Yes CHECK and if necessary RENEW the EJB. CHECK the operation of the system. No LOCATE and RECTIFY the break in circuit SBB10A (YE/RD) between the PCM and the EJB with the aid of the Wiring Diagrams. CHECK the operation of the system. | | AG44: CHECK THE VOLTAGE AT THE PCM | | | 1 Ignition switch in position II. | | | 2 Measure the voltage between the PCM, connector C1E108-B, pin 15, circuit CBB42A (GN), wiring harness side and ground. | | | Does the meter display battery voltage? Yes No | | AG45: CHECK FOR OPEN CIRCUIT BETWEEN THE PCM AND THE EJB | | | 1 Ignition switch in position 0. | | | 2 Disconnect Connector C1BB01-A from the EJB. | | | 3 Measure the resistance between the PCM, connector C1E108-B, pin 15, circuit CBB42A (GN), wiring harness side and the EJB, connector C1BB01-A, pin 99, circuit CBB42B (GN), wiring harness side. | | | Is a resistance of less than 2 Ohms registered? Yes CHECK and if necessary RENEW the EJB. CHECK the operation of the system. No LOCATE and REPAIR the break in the circuit between the PCM and the EJB with the aid of the Wiring Diagrams. CHECK the operation of the system. | | AG46: CHECK THE VOLTAGE AT THE PCM | | | 1 Ignition switch in position 0. | | | 2 Use a fused test lead (1 A) at the PCM to bridge connector C1E108-B, pin 27, circuit CE302A (YE/BU), wiring harness side and ground. | | | 3 Measure the voltage between the PCM, connector C1E108-B, pin 5, circuit CBB08A (GY/YE), wiring harness side and ground. | | | 4 Measure the voltage between the PCM, connector C1E108-B, pin 3, circuit CBB08B (GY/YE), wiring harness side and ground. | | | Is battery voltage measured in all cases? Yes No LOCATE and REPAIR the break in the relevant circuit between the PCM and the EJB with the aid of the wiring diagrams. CHECK the operation of the system. | | AG47: CHECK THE GROUND CONNECTION OF THE PCM | | | 1 Measure the resistance between the PCM, connector C1E108-B, pin 6, circuit GD120AP (BK/GN), wiring harness side and ground. | | | 2 Measure the resistance between the PCM, connector C1E108-B, pin 4, circuit GD120U (BK/GN), wiring harness side and ground. | | | 3 Measure the resistance between the PCM, connector C1E108-B, pin 2, circuit GD120T (BK/GN), wiring harness side and ground. | | | Is a resistance of less than 2 Ohms measured in all of the cases? Yes No - If a resistance of more than 2 Ohms is measured in one of the measurements:LOCATE and REPAIR the break in the relevant circuit between the PCM and soldered connection SP803 using the Wiring Diagrams. CHECK the operation of the system. - If a resistance of more than 2 Ohms is measured in all of the measurements:LOCATE and RECTIFY the open circuit in the corresponding circuit between soldered connection SP803 and ground connection G1D108D with the aid of the Wiring Diagrams. CHECK the operation of the system. | | AG48: CHECK FOR OPEN CIRCUIT BETWEEN THE PCM AND THE DATA LINK CONNECTOR (DLC) | CAUTION:The following measurement must only be performed using the Ford approved diagnostic tool digital multimeter. Failure to observe this instruction can lead to damage. | | | 1 Measure the resistance between the PCM, connector C1E108-B, pin 57, circuit VDB04AK (WH/BU), wiring harness side and the DLC, connector C3DB04, pin 6, circuit VDB04L (WH/BU), wiring harness side. | | | Is a resistance of less than 2 Ohms registered? Yes No LOCATE and REPAIR the open circuit between the PCM and the DLC using the Wiring Diagrams. CHECK the operation of the system. | | AG49: CHECK THE CIRCUIT BETWEEN THE PCM AND THE DLC FOR OPEN CIRCUIT | CAUTION:The following measurement must only be performed using the Ford approved diagnostic tool digital multimeter. Failure to observe this instruction can lead to damage. | | | 1 Measure the resistance between the PCM, connector C1E108-B, pin 44, circuit VDB05A (WH), wiring harness side and the DLC, connector C3DB04, pin 14, circuit VDB05Z (WH), wiring harness side. | | | Is a resistance of less than 2 Ohms registered? Yes CHECK the PCM and RENEW if necessary. CHECK the operation of the system. No LOCATE and REPAIR the open in the respective circuit between the PCM and DLC by using the wiring diagrams. CHECK the operation of the system. | | AG50: CHECK THE VOLTAGE AT THE PCM | | | 1 Disconnect Connector C1E108-J from the PCM. | | | 2 Measure the voltage between the PCM, connector C1E108-J, pin G4, circuit SBB10C (YE/RD), wiring harness side and ground. | | | Does the meter display battery voltage? Yes No | | AG51: CHECK FOR OPEN CIRCUIT BETWEEN THE PCM AND THE EJB | | | 1 Disconnect Connector C1BB03-A from the EJB. | | | 2 Measure the resistance between the PCM, connector C1E108-J, pin G4, circuit SBB10C (YE/RD), wiring harness side and the EJB, connector C1BB03-A, pin 26, circuit SBB10B (YE/RD), wiring harness side. | | | Is a resistance of less than 2 Ohms registered? Yes CHECK and if necessary RENEW the EJB. CHECK the operation of the system. No LOCATE and REPAIR the break in the circuit between the PCM and the EJB with the aid of the Wiring Diagrams. CHECK the operation of the system. | | AG52: CHECK THE VOLTAGE AT THE PCM | | | 1 Ignition switch in position II. | | | 2 Measure the voltage between the PCM, connector C1E108-J, pin C3, circuit CBB42A (GN), wiring harness side and ground. | | | Does the meter display battery voltage? Yes No | | AG53: CHECK FOR OPEN CIRCUIT BETWEEN THE PCM AND THE EJB | | | 1 Ignition switch in position 0. | | | 2 Disconnect Connector C1BB01-A from the EJB. | | | 3 Measure the resistance between the PCM, connector C1E108-J, pin C3, circuit CBB42A (GN), wiring harness side and the EJB, connector C1BB01-A, pin 99, circuit CBB42B (GN), wiring harness side. | | | Is a resistance of less than 2 Ohms registered? Yes CHECK and if necessary RENEW the EJB. CHECK the operation of the system. No LOCATE and REPAIR the break in the circuit between the PCM and the EJB with the aid of the Wiring Diagrams. CHECK the operation of the system. | | AG54: CHECK THE VOLTAGE AT THE PCM | | | 1 Ignition switch in position 0. | | | 2 Disconnect Connector C1E108-L from the PCM. | | | 3 Disconnect Connector C1E108-K from the PCM. | | | 4 Use a fused test lead (1 A) at the PCM to bridge connector C1E108-K, pin C1, circuit CE302B (YE/BU), wiring harness side and ground. | | | 5 Measure the voltage between the PCM, connector C1E108-L, pin K1, circuit CBB08D (GY/YE), wiring harness side and ground. | | | 6 Measure the voltage between the PCM, connector C1E108-L, pin K2, circuit CBB08C (GY/YE), wiring harness side and ground. | | | 7 Measure the voltage between the PCM, connector C1E108-L, pin J1, circuit CBB08E (GY/YE), wiring harness side and ground. | | | Is battery voltage measured in all cases? Yes No - If no voltage is measured during a measurement:LOCATE and REPAIR the break in the relevant circuit between the PCM and soldered connection SP482 using the Wiring Diagrams. CHECK the operation of the system. - If battery voltage is not measured during all measurements: GO to AG55. | | AG55: CHECK FOR OPEN CIRCUIT BETWEEN THE PCM AND THE EJB | | | 1 Disconnect Connector C1BB03-A from the EJB. | | | 2 Measure the resistance between the PCM, connector C1E108-L, pin J1, circuit CBB08E (GY/YE), wiring harness side and the EJB, connector C1BB03-A, pin 16, circuit CBB08A (GY/YE), wiring harness side. | | | Is a resistance of less than 2 Ohms registered? Yes CHECK and if necessary RENEW the EJB. CHECK the operation of the system. No LOCATE and RECTIFY the break in the circuit between soldered connection SP482 and the EJB with the aid of the Wiring Diagrams. CHECK the operation of the system. | | AG56: CHECK THE GROUND CONNECTION OF THE PCM | | | 1 Measure the resistance between the PCM, connector C1E108-K, pin G4, circuit GD120AD (BK/GN), wiring harness side and ground. | | | 2 Measure the resistance between the PCM, connector C1E108-K, pin H4, circuit GD120Y (BK/GN), wiring harness side and ground. | | | 3 Measure the resistance between the PCM, connector C1E108-J, pin L4, circuit GD120W (BK/GN), wiring harness side and ground. | | | 4 Measure the resistance between the PCM, connector C1E108-J, pin M4, circuit GD120AE (BK/GN), wiring harness side and ground. | | | 5 Measure the resistance between the PCM, connector C1E108-L, pin J2, circuit GD120AC (BK/GN), wiring harness side and ground. | | | 6 Measure the resistance between the PCM, connector C1E108-L, pin K4, circuit GD120AA (BK/GN), wiring harness side and ground. | | | Is a resistance of less than 2 Ohms measured in all of the cases? Yes No - If a resistance of more than 2 Ohms is measured in one of the measurements:LOCATE and REPAIR the break in the relevant circuit between the PCM and soldered connection SP190 using the Wiring Diagrams. CHECK the operation of the system. - If a resistance of more than 2 Ohms is measured in all of the measurements:LOCATE and RECTIFY the open circuit in the corresponding circuit between soldered connection SP190 and ground connection G1D108D with the aid of the Wiring Diagrams. CHECK the operation of the system. | | AG57: CHECK FOR OPEN CIRCUIT BETWEEN THE PCM AND THE DATA LINK CONNECTOR (DLC) | CAUTION:The following measurement must only be performed using the Ford approved diagnostic tool digital multimeter. Failure to observe this instruction can lead to damage. | | | 1 Measure the resistance between the PCM, connector C1E108-K, pin A4, circuit VDB04AE (WH/BU), wiring harness side and the DLC, connector C3DB04, pin 6, circuit VDB04L (WH/BU), wiring harness side. | | | Is a resistance of less than 2 Ohms registered? Yes No LOCATE and REPAIR the open circuit between the PCM and the DLC using the Wiring Diagrams. CHECK the operation of the system. | | AG58: CHECK THE CIRCUIT BETWEEN THE PCM AND THE DLC FOR OPEN CIRCUIT | CAUTION:The following measurement must only be performed using the Ford approved diagnostic tool digital multimeter. Failure to observe this instruction can lead to damage. | | | 1 Measure the resistance between the PCM, connector C1E108-K, pin A3, circuit VDB05AH (WH), wiring harness side and the DLC, connector C3DB04, pin 14, circuit VDB05Z (WH), wiring harness side. | | | Is a resistance of less than 2 Ohms registered? Yes CHECK the PCM and RENEW if necessary. CHECK the operation of the system. No LOCATE and REPAIR the open in the respective circuit between the PCM and DLC by using the wiring diagrams. CHECK the operation of the system. | | AG59: CHECK THE VOLTAGE AT THE PCM | | | 1 Disconnect Connector C1E104-H from the PCM. | | | 2 Measure the voltage between the PCM, connector C1E104-H, pin L1, circuit SBB10A (YE/RD), wiring harness side and ground. | | | Does the meter display battery voltage? Yes No | | AG60: CHECK FOR OPEN CIRCUIT BETWEEN THE PCM AND THE EJB | | | 1 Disconnect Connector C1BB03-A from the EJB. | | | 2 Measure the resistance between the PCM, connector C1E104-H, pin L1, circuit SBB10A (YE/RD), wiring harness side and the EJB, connector C1BB03-A, pin 26, circuit SBB10B (YE/RD), wiring harness side. | | | Is a resistance of less than 2 Ohms registered? Yes CHECK and if necessary RENEW the EJB. CHECK the operation of the system. No LOCATE and REPAIR the break in the circuit between the PCM and the EJB with the aid of the Wiring Diagrams. CHECK the operation of the system. | | AG61: CHECK THE VOLTAGE AT THE PCM | | | 1 Disconnect Connector C1E104-G from the PCM. | | | 2 Ignition switch in position II. | | | 3 Measure the voltage between the PCM, connector C1E108-G, pin E1, circuit CBB42A (GN), wiring harness side and ground. | | | Does the meter display battery voltage? Yes No | | AG62: CHECK FOR OPEN CIRCUIT BETWEEN THE PCM AND THE EJB | | | 1 Ignition switch in position 0. | | | 2 Disconnect Connector C1BB01-A from the EJB. | | | 3 Measure the resistance between the PCM, connector C1E104-G, pin E1, circuit CBB42A (GN), wiring harness side and the EJB, connector C1BB01-A, pin 99, circuit CBB42B (GN), wiring harness side. | | | Is a resistance of less than 2 Ohms registered? Yes CHECK and if necessary RENEW the EJB. CHECK the operation of the system. No LOCATE and REPAIR the break in the circuit between the PCM and the EJB with the aid of the Wiring Diagrams. CHECK the operation of the system. | | AG63: CHECK THE VOLTAGE AT THE PCM | | | 1 Ignition switch in position 0. | | | 2 Disconnect Connector C1E104-J from the PCM. | | | 3 Use a fused test lead (1 A) at the PCM to bridge connector C1E104-G, pin B1, circuit CE302A (YE/BU), wiring harness side and ground. | | | 4 Measure the voltage between the PCM, connector C1E104-J, pin G1, circuit CBB08A (GY/YE), wiring harness side and ground. | | | 5 Measure the voltage between the PCM, connector C1E104-J, pin H1, circuit CBB08B (GY/YE), wiring harness side and ground. | | | Is battery voltage measured in all cases? Yes No LOCATE and REPAIR the break in the circuit between the PCM and the EJB with the aid of the Wiring Diagrams. CHECK the operation of the system. | | AG64: CHECK THE GROUND CONNECTION OF THE PCM | | | 1 Measure the resistance between the PCM, connector C1E104-J, pin G4, circuit GD120K (BK/GN), wiring harness side and ground. | | | 2 Measure the resistance between the PCM, connector C1E104-H, pin L3, circuit GD120J (BK/GN), wiring harness side and ground. | | | 3 Measure the resistance between the PCM, connector C1E104-H, pin L4, circuit GD120H (BK/GN), wiring harness side and ground. | | | 4 Measure the resistance between the PCM, connector C1E104-H, pin L2, circuit GD120M (BK/GN), wiring harness side and ground. | | | 5 Measure the resistance between the PCM, connector C1E104-J, pin G3, circuit GD120L (BK/GN), wiring harness side and ground. | | | Is a resistance of less than 2 Ohms measured in all of the cases? Yes No - If a resistance of more than 2 Ohms is measured in one of the measurements:LOCATE and REPAIR the break in the relevant circuit between the PCM and soldered connection SP918 using the Wiring Diagrams. CHECK the operation of the system. - If a resistance of more than 2 Ohms is measured in all of the measurements:LOCATE and RECTIFY the open circuit in the corresponding circuit between soldered connection SP918 and ground connection G1D108D with the aid of the Wiring Diagrams. CHECK the operation of the system. | | AG65: CHECK FOR OPEN CIRCUIT BETWEEN THE PCM AND THE DATA LINK CONNECTOR (DLC) | CAUTION:The following measurement must only be performed using the Ford approved diagnostic tool digital multimeter. Failure to observe this instruction can lead to damage. | | | 1 Measure the resistance between the PCM, connector C1E104-J, pin D4, circuit VDB04AX (WH/BU), wiring harness side and the DLC, connector C3DB04, pin 6, circuit VDB04L (WH/BU), wiring harness side. | | | Is a resistance of less than 2 Ohms registered? Yes No LOCATE and REPAIR the open circuit between the PCM and the DLC using the Wiring Diagrams. CHECK the operation of the system. | | AG66: CHECK THE CIRCUIT BETWEEN THE PCM AND THE DLC FOR OPEN CIRCUIT | CAUTION:The following measurement must only be performed using the Ford approved diagnostic tool digital multimeter. Failure to observe this instruction can lead to damage. | | | 1 Measure the resistance between the PCM, connector C1E104-J, pin E3, circuit VDB05BA (WH), wiring harness side and the DLC, connector C3DB04, pin 14, circuit VDB05Z (WH), wiring harness side. | | | Is a resistance of less than 2 Ohms registered? Yes CHECK the PCM and RENEW if necessary. CHECK the operation of the system. No LOCATE and REPAIR the open in the respective circuit between the PCM and DLC by using the wiring diagrams. CHECK the operation of the system. | | AG67: CHECK THE VOLTAGE AT THE PCM | | | 1 Disconnect Connector C1E109-B from the PCM. | | | 2 Measure the voltage between the PCM, connector C1E109-B, pin 16, circuit SBB10A (YE/RD), wiring harness side and ground. | | | Does the meter display battery voltage? Yes No | | AG68: CHECK FOR OPEN CIRCUIT BETWEEN THE PCM AND THE EJB | | | 1 Disconnect Connector C1BB03-A from the EJB. | | | 2 Measure the resistance between the PCM, connector C1E109-B, pin 16, circuit SBB10A (YE/RD), wiring harness side and the EJB, connector C1BB03-A, pin 26, circuit SBB10A (YE/RD), wiring harness side. | | | Is a resistance of less than 2 Ohms registered? Yes CHECK and if necessary RENEW the EJB. CHECK the operation of the system. No LOCATE and REPAIR the break in the circuit between the PCM and the EJB with the aid of the Wiring Diagrams. CHECK the operation of the system. | | AG69: CHECK THE VOLTAGE AT THE PCM | | | 1 Ignition switch in position II. | | | 2 Measure the voltage between the PCM, connector C1E109-B, pin 15, circuit CBB42A (GN), wiring harness side and ground. | | | Does the meter display battery voltage? Yes No | | AG70: CHECK FOR OPEN CIRCUIT BETWEEN THE PCM AND THE EJB | | | 1 Ignition switch in position 0. | | | 2 Disconnect Connector C1BB01-A from the EJB. | | | 3 Measure the resistance between the PCM, connector C1E109-B, pin 15, circuit CBB42A (GN), wiring harness side and the EJB, connector C1BB01-A, pin 99, circuit CBB42B (GN), wiring harness side. | | | Is a resistance of less than 2 Ohms registered? Yes CHECK and if necessary RENEW the EJB. CHECK the operation of the system. No LOCATE and REPAIR the break in the circuit between the PCM and the EJB with the aid of the Wiring Diagrams. CHECK the operation of the system. | | AG71: CHECK THE VOLTAGE AT THE PCM | | | 1 Ignition switch in position 0. | | | 2 Disconnect Connector C1E109-B from the PCM. | | | 3 Use a fused test lead (1 A) at the PCM to bridge connector C1E109-B, pin 27, circuit CE302A (YE/BU), wiring harness side and ground. | | | 4 Measure the voltage between the PCM, connector C1E109-A, pin 73, circuit CBB08A (GY/YE), wiring harness side and ground. | | | Does the meter display battery voltage? Yes No | | AG72: CHECK FOR OPEN CIRCUIT BETWEEN THE PCM AND THE EJB | | | 1 Disconnect Connector C1BB03-A from the EJB. | | | 2 Measure the resistance between the PCM, connector C1E109-A, pin 73, circuit CBB08A (GY/YE), wiring harness side and the EJB, connector C1BB03-A, pin 16, circuit CBB08A (GY/YE), wiring harness side. | | | Is a resistance of less than 2 Ohms registered? Yes CHECK and if necessary RENEW the EJB. CHECK the operation of the system. No LOCATE and REPAIR the break in the circuit between the PCM and the EJB with the aid of the Wiring Diagrams. CHECK the operation of the system. | | AG73: CHECK THE GROUND CONNECTION OF THE PCM | | | 1 Measure the resistance between the PCM, connector C1E109-B, pin 2, circuit GD120T (BK/GN), wiring harness side and ground. | | | 2 Measure the resistance between the PCM, connector C1E109-B, pin 4, circuit GD120U (BK/GN), wiring harness side and ground. | | | 3 Measure the resistance between the PCM, connector C1E109-B, pin 6, circuit GD120AP (BK/GN), wiring harness side and ground. | | | Is a resistance of less than 2 Ohms measured in all of the cases? Yes No - If a resistance of more than 2 Ohms is measured in one of the measurements:LOCATE and REPAIR the break in the relevant circuit between the PCM and soldered connection SP803 using the Wiring Diagrams. CHECK the operation of the system. - If a resistance of more than 2 Ohms is measured in all of the measurements:LOCATE and RECTIFY the open circuit in the corresponding circuit between soldered connection SP803 and ground connection G1D108D with the aid of the Wiring Diagrams. CHECK the operation of the system. | | AG74: CHECK FOR OPEN CIRCUIT BETWEEN THE PCM AND THE DATA LINK CONNECTOR (DLC) | CAUTION:The following measurement must only be performed using the Ford approved diagnostic tool digital multimeter. Failure to observe this instruction can lead to damage. | | | 1 Measure the resistance between the PCM, connector C1E109-B, pin 54, circuit VDB04BC (WH/BU), wiring harness side and the DLC, connector C3DB04, pin 6, circuit VDB04L (WH/BU), wiring harness side. | | | Is a resistance of less than 2 Ohms registered? Yes No LOCATE and REPAIR the open circuit between the PCM and the DLC using the Wiring Diagrams. CHECK the operation of the system. | | AG75: CHECK THE CIRCUIT BETWEEN THE PCM AND THE DLC FOR OPEN CIRCUIT | CAUTION:The following measurement must only be performed using the Ford approved diagnostic tool digital multimeter. Failure to observe this instruction can lead to damage. | | | 1 Measure the resistance between the PCM, connector C1E109-B, pin 41, circuit VDB05BC (WH), wiring harness side and the DLC, connector C3DB04, pin 14, circuit VDB05Z (WH), wiring harness side. | | | Is a resistance of less than 2 Ohms registered? Yes CHECK the PCM and RENEW if necessary. CHECK the operation of the system. No LOCATE and REPAIR the open in the respective circuit between the PCM and DLC by using the wiring diagrams. CHECK the operation of the system. | | AG76: CHECK THE VOLTAGE AT THE PCM | | | 1 Ignition switch in position 0. | | | 2 Disconnect Connector C1E108-H from the PCM. | | | 3 Ignition switch in position II. | | | 4 Measure the voltage between the PCM, connector C1E108-H, pin K3, circuit CBB42A (GN), wiring harness side and ground. | | | Does the meter display battery voltage? Yes No | | AG77: CHECK FOR OPEN CIRCUIT BETWEEN THE PCM AND THE EJB | | | 1 Ignition switch in position 0. | | | 2 Disconnect Connector C1BB01-A from the EJB. | | | 3 Measure the resistance between the PCM, connector C1E108-H, pin K3, circuit CBB42A (GN), wiring harness side and the EJB, connector C1BB01-A, pin 99, circuit CBB42B (GN), wiring harness side. | | | Is a resistance of less than 2 Ohms registered? Yes CHECK and if necessary RENEW the EJB. CHECK the operation of the system. No LOCATE and REPAIR the break in the circuit between the PCM and the EJB with the aid of the Wiring Diagrams. CHECK the operation of the system. | | AG78: CHECK THE VOLTAGE AT THE PCM | | | 1 Ignition switch in position 0. | | | 2 Use a fused test lead (1 A) at the PCM to bridge connector C1E108-H, pin A3, circuit CE302A (YE/BU), wiring harness side and ground. | | | 3 Measure the voltage between the PCM, connector C1E108-H, pin L3, circuit CBB08H (GY/YE), wiring harness side and ground. | | | 4 Measure the voltage between the PCM, connector C1E108-H, pin L4, circuit CBB08J (GY/YE), wiring harness side and ground. | | | Is battery voltage measured in all cases? Yes No - If no voltage is measured during a measurement:LOCATE and REPAIR the break in the relevant circuit between the PCM and soldered connection SP847 using the Wiring Diagrams. CHECK the operation of the system. - If battery voltage is not measured during all measurements: GO to AG79. | | AG79: CHECK FOR OPEN CIRCUIT BETWEEN THE PCM AND THE EJB | | | 1 Disconnect Connector C1BB03A from the EJB. | | | 2 Measure the resistance between the PCM, connector C1E108-H, pin L4, circuit CBB08J (GY/YE), wiring harness side and the EJB, connector C1BB03-A, pin 16, circuit CBB08G (GY/YE), wiring harness side. | | | Is a resistance of less than 2 Ohms registered? Yes CHECK and if necessary RENEW the EJB. CHECK the operation of the system. No LOCATE and RECTIFY the break in the circuit between soldered connection SP847 and the EJB with the aid of the Wiring Diagrams. CHECK the operation of the system. | | AG80: CHECK THE GROUND CONNECTION OF THE PCM | | | 1 Measure the resistance between the PCM, connector C1E108-H, pin L1, circuit GD120D (BK/GN), wiring harness side and ground. | | | 2 Measure the resistance between the PCM, connector C1E108-H, pin L2, circuit GD120B (BK/GN), wiring harness side and ground. | | | 3 Measure the resistance between the PCM, connector C1E108-H, pin M1, circuit GD120C (BK/GN), wiring harness side and ground. | | | Is a resistance of less than 2 Ohms measured in all of the cases? Yes No - If a resistance of more than 2 Ohms is measured in one of the measurements:LOCATE and REPAIR the break in the relevant circuit between the PCM and soldered connection SP302 using the Wiring Diagrams. CHECK the operation of the system. - If a resistance of more than 2 Ohms is measured in all of the measurements:LOCATE and RECTIFY the open circuit in the corresponding circuit between soldered connection SP302 and ground connection G1D108D with the aid of the Wiring Diagrams. CHECK the operation of the system. | | AG81: CHECK FOR OPEN CIRCUIT BETWEEN THE PCM AND THE DATA LINK CONNECTOR (DLC) | CAUTION:The following measurement must only be performed using the Ford approved diagnostic tool digital multimeter. Failure to observe this instruction can lead to damage. | | | 1 Measure the resistance between the PCM, connector C1E108-H, pin A2, circuit VDB04AV (WH/BU), wiring harness side and the DLC, connector C3DB04, pin 6, circuit VDB04L (WH/BU), wiring harness side. | | | Is a resistance of less than 2 Ohms registered? Yes No LOCATE and REPAIR the open circuit between the PCM and the DLC using the Wiring Diagrams. CHECK the operation of the system. | | AG82: CHECK THE CIRCUIT BETWEEN THE PCM AND THE DLC FOR OPEN CIRCUIT | CAUTION:The following measurement must only be performed using the Ford approved diagnostic tool digital multimeter. Failure to observe this instruction can lead to damage. | | | 1 Measure the resistance between the PCM, connector C1E108-H, pin A1, circuit VDB05AW (WH), wiring harness side and the DLC, connector C3DB04, pin 14, circuit VDB05Z (WH), wiring harness side. | | | Is a resistance of less than 2 Ohms registered? Yes CHECK the PCM and RENEW if necessary. CHECK the operation of the system. No LOCATE and REPAIR the open in the respective circuit between the PCM and DLC by using the wiring diagrams. CHECK the operation of the system. | | PINPOINT TEST AH : INSTRUMENT CLUSTER NOT COMMUNICATING WITH THE FORD APPROVED DIAGNOSTIC TOOL | | TEST CONDITIONS | DETAILS/RESULTS/ACTIONS | | AH1: CHECK COMMUNICATIONS WITH THE GENERIC ELECTRONIC MODULE (GEM) | | | 1 Ignition switch in position 0. | | | 2 Connect the diagnostic tool. | | | 3 Select the generic electronic module (GEM) with the Ford approved diagnostic tool. | | | Is it possible to establish communications with the GEM? Yes No | | AH2: CHECK FUSE F8 | | | 1 Ignition switch in position 0. | | | 2 CHECK Fuse F8 (CJB). | | | Is the fuse OK? Yes No RENEW fuse F8 (5 A). CHECK the operation of the system. If the fuse blows again, LOCATE and REPAIR the short using the Wiring Diagrams. | | AH3: CHECK THE VOLTAGE AT FUSE F8 | | | 1 Connect Fuse F8 (CJB). | | | 2 Measure the voltage between fuse F8 (5 A) and ground. | | | Does the meter display battery voltage? Yes No REPAIR the voltage supply to fuse F8 with the aid of the Wiring Diagrams. CHECK the operation of the system. | | AH4: CHECK FUSE F4 | | | 1 CHECK Fuse F4 (CJB). | | | Is the fuse OK? Yes No RENEW fuse F4 (7.5 A). CHECK the operation of the system. If the fuse blows again, LOCATE and REPAIR the short using the Wiring Diagrams. | | AH5: CHECK THE VOLTAGE AT FUSE F4 | | | 1 Connect Fuse F4 (CJB). | | | 2 Ignition switch in position II. | | | 3 Measure the voltage between fuse F4 (7.5 A) and ground. | | | Does the meter display battery voltage? Yes No REPAIR the voltage supply to fuse F4 with the aid of the Wiring Diagrams. CHECK the operation of the system. | | AH6: CHECK THE VOLTAGE AT THE ICL | | | 1 Ignition switch in position 0. | | | 2 Disconnect Connector C2MC01 from the instrument cluster. | | | 3 Measure the voltage between the instrument cluster, connector C2MC01, pin 32, circuit SBP08A (VT/RD), wiring harness side and ground. | | | Does the meter display battery voltage? Yes No | | AH7: CHECK FOR OPEN CIRCUIT BETWEEN THE CJB AND THE INSTRUMENT CLUSTER | | | 1 Disconnect Connector C1BP02-C from the CJB. | | | 2 Measure the resistance between the CJB, connector C1BP02-C, pin 72, circuit SBP08A (VT/RD), wiring harness side and the instrument cluster, connector C2MC01, pin 32, circuit SBP08A (VT/RD), wiring harness side. | | | Is a resistance of less than 2 Ohms registered? Yes CHECK the CJB and RENEW as necessary. CHECK the operation of the system. No LOCATE and RECTIFY the break in circuit SBP08A (VT/RD) between the instrument cluster and the CJB with the aid of the Wiring Diagrams. CHECK the operation of the system. | | AH8: CHECK THE VOLTAGE AT THE ICL | | | 1 Ignition switch in position II. | | | 2 Measure the voltage between the instrument cluster, connector C2MC01, pin 4, circuit CBP04X (VT), wiring harness side and ground. | | | Does the meter display battery voltage? Yes No | | AH9: CHECK FOR OPEN CIRCUIT BETWEEN THE CJB AND THE INSTRUMENT CLUSTER | | | 1 Ignition switch in position 0. | | | 2 Disconnect Connector C1BP02-C from the CJB. | | | 3 Measure the resistance between the CJB, connector C1BP02-C, pin 68, circuit CBP04T (VT), wiring harness side and the instrument cluster, connector C2MC01, pin 4, circuit CBP04X (VT), wiring harness side. | | | Is a resistance of less than 2 Ohms registered? Yes CHECK the CJB and RENEW as necessary. CHECK the operation of the system. No LOCATE and REPAIR the break in the circuit between the instrument cluster and the CJB using the Wiring Diagrams. CHECK the operation of the system. | | AH10: CHECK THE GROUND CONNECTION OF THE INSTRUMENT CLUSTER | | | 1 Ignition switch in position 0. | | | 2 Measure the resistance between the instrument cluster, connector C2MC01, pin 6, circuit GD138AP (BK/WH), wiring harness side and ground. | | | Is a resistance of less than 2 Ohms registered? Yes No LOCATE and REPAIR the open circuit between the instrument cluster and ground connection G6D139 with the aid of the Wiring Diagrams. CHECK the operation of the system. | | AH11: CHECK THE CIRCUIT BETWEEN THE INSTRUMENT CLUSTER AND THE DLC FOR OPEN CIRCUIT (MS CAN BUS) | CAUTION:The following measurement must only be performed using the Ford approved diagnostic tool digital multimeter. Failure to observe this instruction can lead to damage. | | | 1 Measure the resistance between the instrument cluster, connector C2MC01, pin 22, circuit VDB07A (VT/OG), wiring harness side and the DLC, connector C3DB04, pin 11, circuit VDB7D (VT/OG), wiring harness side. | | | Is a resistance of less than 2 Ohms registered? Yes No LOCATE and REPAIR the break in the circuit between the instrument cluster and the DLC using the Wiring Diagrams. CHECK the operation of the system. | | AH12: CHECK THE CIRCUIT BETWEEN THE INSTRUMENT CLUSTER AND THE DLC FOR OPEN CIRCUIT (MS CAN BUS) | CAUTION:The following measurement must only be performed using the Ford approved diagnostic tool digital multimeter. Failure to observe this instruction can lead to damage. | | | 1 Measure the resistance between the instrument cluster, connector C2MC01, pin 23, circuit VDB06A (GY/OG), wiring harness side and the DLC, connector C3DB04, pin 3, circuit VDB6X (GY/OG), wiring harness side. | | | Is a resistance of less than 2 Ohms registered? Yes No LOCATE and REPAIR the break in the circuit between the instrument cluster and the DLC using the Wiring Diagrams. CHECK the operation of the system. | | AH13: CHECK THE CIRCUIT BETWEEN THE INSTRUMENT CLUSTER AND THE DLC FOR OPEN CIRCUIT (MM CAN BUS) | CAUTION:The following measurement must only be performed using the Ford approved diagnostic tool digital multimeter. Failure to observe this instruction can lead to damage. | | | 1 Measure the resistance between the instrument cluster, connector C2MC01, pin 18, circuit VDB14X (VT/GY), wiring harness side and the DLC, connector C3DB04, pin 8, circuit VDB14F (VT/GY), wiring harness side. | | | Is a resistance of less than 2 Ohms registered? Yes No LOCATE and REPAIR the break in the circuit between the instrument cluster and the DLC using the Wiring Diagrams. CHECK the operation of the system. | | AH14: CHECK THE CIRCUIT BETWEEN THE INSTRUMENT CLUSTER AND THE DLC FOR OPEN CIRCUIT (MM CAN BUS) | CAUTION:The following measurement must only be performed using the Ford approved diagnostic tool digital multimeter. Failure to observe this instruction can lead to damage. | | | 1 Measure the resistance between the instrument cluster, connector C2MC01, pin 19, circuit VDB13X (BU/GY), wiring harness side and the DLC, connector C3DB04, pin 1, circuit VDB13F (BU/GY), wiring harness side. | | | Is a resistance of less than 2 Ohms registered? Yes No LOCATE and REPAIR the break in the circuit between the instrument cluster and the DLC using the Wiring Diagrams. CHECK the operation of the system. | | AH15: CHECK THE CIRCUIT BETWEEN THE INSTRUMENT CLUSTER AND THE DLC FOR OPEN CIRCUIT (MM CAN BUS) | CAUTION:The following measurement must only be performed using the Ford approved diagnostic tool digital multimeter. Failure to observe this instruction can lead to damage. | | | 1 Measure the resistance between the instrument cluster, connector C2MC01, pin 15, circuit VDB14L (VT/GY) (vehicles with CD changer: circuit VDB14M (VT/GY)), wiring harness side and the DLC, connector C3DB04, pin 8, circuit VDB14F (VT/GY), wiring harness side. | | | Is a resistance of less than 2 Ohms registered? Yes No LOCATE and REPAIR the break in the circuit between the instrument cluster and the DLC using the Wiring Diagrams. CHECK the operation of the system. | | AH16: CHECK THE CIRCUIT BETWEEN THE INSTRUMENT CLUSTER AND THE DLC FOR OPEN CIRCUIT (MM CAN BUS) | CAUTION:The following measurement must only be performed using the Ford approved diagnostic tool digital multimeter. Failure to observe this instruction can lead to damage. | | | 1 Measure the resistance between the instrument cluster, connector C2MC01, pin 16, circuit VDB13L (BU/GY) (vehicles with CD changer: circuit VDB13M (BU/GY)), wiring harness side and the DLC, connector C3DB04, pin 1, circuit VDB14F (VT/GY), wiring harness side. | | | Is a resistance of less than 2 Ohms registered? Yes CHECK and if necessary RENEW the instrument cluster. CHECK the operation of the system. No LOCATE and REPAIR the break in the circuit between the instrument cluster and the DLC using the Wiring Diagrams. CHECK the operation of the system. | | PINPOINT TEST AI : TRANSMISSION CONTROL MODULE (TCM) NOT COMMUNICATING WITH FORD APPROVED DIAGNOSTIC TOOL - VEHICLES WITH AUTOMATIC CLUTCH AND GEARSHIFT ACTUATION | | TEST CONDITIONS | DETAILS/RESULTS/ACTIONS | | AI1: DETERMINE THE CONDITIONS UNDER WHICH THE FAULT OCCURS | | | 1 Ignition switch in position 0. | | | 2 Connect the diagnostic tool. | | | 3 Select the powertrain control module (PCM) with the Ford approved diagnostic tool. | | | Is it possible to establish communications with the PCM? Yes No | | AI2: CHECK FUSE F1 | | | 1 Ignition switch in position 0. | | | 2 CHECK Fuse F1 (EJB). | | | Is the fuse OK? Yes No RENEW fuse F1 (10 A). CHECK the operation of the system. If the fuse blows again, LOCATE and REPAIR the short using the Wiring Diagrams. | | AI3: CHECK THE VOLTAGE AT FUSE F1 | | | 1 Connect Fuse F1 (EJB). | | | 2 Measure the voltage between fuse F1 (10 A) and ground. | | | Does the meter display battery voltage? Yes No REPAIR the voltage supply to fuse F1 with the aid of the Wiring Diagrams. CHECK the operation of the system. | | AI4: CHECK FUSE F42 | | | 1 CHECK Fuse F42 (EJB). | | | Is the fuse OK? Yes No RENEW fuse F42 (10 A). CHECK the operation of the system. If the fuse blows again, LOCATE and REPAIR the short using the Wiring Diagrams. | | AI5: CHECK THE VOLTAGE AT FUSE F42 | | | 1 Connect Fuse F42 (EJB). | | | 2 Ignition switch in position II. | | | 3 Measure the voltage between fuse F42 (10 A) and ground. | | | Does the meter display battery voltage? Yes No REPAIR the voltage supply to fuse F42 with the aid of the Wiring Diagrams. CHECK the operation of the system. | | AI6: CHECK VOLTAGE AT TCM | | | 1 Ignition switch in position 0. | | | 2 Disconnect Connector C1ET34 from the TCM. | | | 3 Measure the voltage between the TCM, connector C1ET34, pin 1, circuit CBB01A (BU), wiring harness side and ground. | | | Does the meter display battery voltage? Yes No | | AI7: CHECK FOR OPEN CIRCUIT BETWEEN THE EJB AND THE TCM | | | 1 Disconnect Connector C1BB03-A from the EJB. | | | 2 Measure the resistance between the EJB, connector C1BB03-A, pin 12, circuit CBB01A (BU), wiring harness side and the TCM, connector C1ET34, pin 1, circuit CBB01A (BU), wiring harness side. | | | Is a resistance of less than 2 Ohms registered? Yes CHECK and if necessary RENEW the EJB. CHECK the operation of the system. No LOCATE and RECTIFY the break in circuit CBB01A (BU) between the TCM and the EJB with the aid of the Wiring Diagrams. CHECK the operation of the system. | | AI8: CHECK VOLTAGE AT TCM | | | 1 Ignition switch in position II. | | | 2 Measure the voltage between the TCM, connector C1ET34, pin 11, circuit CBB42D (GN), wiring harness side and ground. | | | Does the meter display battery voltage? Yes No | | AI9: CHECK FOR OPEN CIRCUIT BETWEEN THE EJB AND THE TCM | | | 1 Ignition switch in position 0. | | | 2 Disconnect Connector C1BB03A from the CJB. | | | 3 Measure the resistance between the EJB, connector C1BB03A, pin 99, circuit CBB42B (GN), wiring harness side and the TCM, connector C1ET34, pin 11, circuit CBB42D (GN), wiring harness side. | | | Is a resistance of less than 2 Ohms registered? Yes CHECK and if necessary RENEW the EJB. CHECK the operation of the system. No LOCATE and REPAIR the break in the circuit between the TCM and the EJB with the aid of the Wiring Diagrams. CHECK the operation of the system. | | AI10: CHECK GROUND CONNECTION OF TCM | | | 1 Ignition switch in position 0. | | | 2 Measure the resistance between the TCM, connector C1ET34, pin 9, circuit GD120T (BK/GN) (vehicles with IS6 engine: circuit GD120V (BK/GN)), wiring harness side and ground. | | | Is a resistance of less than 2 Ohms registered? Yes No Vehicles with DW12 engine:LOCATE and REPAIR the break in circuit GD120T (BK/GN) between the TCM and ground connection G1D108B with the aid of the Wiring Diagrams. CHECK the operation of the system. Vehicles with DW10 I4 engine:LOCATE and REPAIR the open circuit between the TCM and ground connection G1D108D using the Wiring Diagrams. CHECK the operation of the system. Vehicles with SI6 engine:LOCATE and REPAIR the break in circuit GD120V (BK/GN) between the TCM and ground connection G1D108B with the aid of the Wiring Diagrams. CHECK the operation of the system. | | AI11: CHECK FOR OPEN CIRCUIT BETWEEN THE TCM AND THE DLC. | CAUTION:The following measurement must only be performed using the Ford approved diagnostic tool digital multimeter. Failure to observe this instruction can lead to damage. | | | 1 Measure the resistance between the PTCM, connector C1ET34, pin 14, circuit VDB04BB (WH/BU), wiring harness side and the DLC, connector C3DB04, pin 6, circuit VDB04L (WH/BU), wiring harness side. | | | Is a resistance of less than 2 Ohms registered? Yes No LOCATE and REPAIR the break in the circuit between the TCM and soldered connection SP329 with the aid of the Wiring Diagrams. CHECK the operation of the system. | | AI12: CHECK FOR OPEN CIRCUIT BETWEEN THE TCM AND THE DATA LINK CONNECTOR (DLC) | CAUTION:The following measurement must only be performed using the Ford approved diagnostic tool digital multimeter. Failure to observe this instruction can lead to damage. | | | 1 Measure the resistance between the TCM, connector C1ET34, pin 6, circuit VDB05BB (WH), wiring harness side and the DLC, connector C3DB04, pin 14, circuit VDB05Z (WH), wiring harness side. | | | Is a resistance of less than 2 Ohms registered? Yes CHECK the TCM and RENEW if necessary. CHECK the operation of the system. No LOCATE and REPAIR the break in the circuit between the TCM and soldered connection SP332 with the aid of the Wiring Diagrams. CHECK the operation of the system. | | PINPOINT TEST AJ : FAULTY COMMUNICATION BETWEEN THE MODULES - MS CAN BUS | CAUTION:The measurements below may only be performed using the Ford approved diagnostic tool digital multimeter. Failure to observe this instruction can lead to damage. | NOTE:Failure of the complete MS CAN bus system can be caused by incorrectly engaged wiring harness connectors at the CJB or in the A-pillar area. Ensure correct locking of wiring harness connector. | | TEST CONDITIONS | DETAILS/RESULTS/ACTIONS | | AJ1: CHECK FUSE F26 | | | 1 Ignition switch in position 0. | | | 2 CHECK Fuse F26 (CJB). | | | Is the fuse OK? Yes No RENEW fuse F26 (5 A). CHECK the operation of the system. If the fuse blows again, LOCATE and REPAIR the short using the Wiring Diagrams. | | AJ2: CHECK THE VOLTAGE AT FUSE F26 | | | 1 Connect Fuse F26 (CJB). | | | 2 Measure the voltage between fuse F26 (5 A) and ground. | | | Does the meter display battery voltage? Yes No REPAIR the voltage supply to fuse F26 with the aid of the Wiring Diagrams. CHECK the operation of the system. | | AJ3: CHECK THE VOLTAGE AT THE DATA LINK CONNECTOR (DLC) | | | 1 Measure the voltage between the DLC, connector C3DB04, pin 16, circuit SBP26A (YE/RD), wiring harness side and ground. | | | Does the meter display battery voltage? Yes No | | AJ4: CHECK THE CIRCUIT BETWEEN THE CJB AND THE DLC FOR CONTINUITY. | | | 1 Disconnect Connector C1BP02-C from the CJB. | | | 2 Measure the resistance between the CJB, connector C1BP02-C, pin 73, circuit SBP26A (YE/RD), wiring harness side and the DLC, connector C3DB04, pin 16, circuit SBP26A (YE/RD), wiring harness side. | | | Is a resistance of less than 2 Ohms registered? Yes CHECK the CJB and RENEW as necessary. CHECK the operation of the system. No LOCATE and RECTIFY the break in circuit SBP26A (YE/RD) between the DLC and the CJB with the aid of the Wiring Diagrams. CHECK the operation of the system. | | AJ5: CHECK THE GROUND CONNECTION OF THE DLC - PIN 4 | | | 1 Measure the resistance between the DLC, connector C3DB04, pin 4, circuit GD138AS (BK/WH), wiring harness side and ground. | | | Is a resistance of less than 2 Ohms registered? Yes No LOCATE and REPAIR the open circuit between the DLC and ground connection G6D139 with the aid of the Wiring Diagrams. CHECK the operation of the system. | | AJ6: CHECK THE GROUND CONNECTION OF THE DLC - PIN 5 | | | 1 Measure the resistance between the DLC, connector C3DB04, pin 5, circuit GD133BG (BK), wiring harness side and ground. | | | Is a resistance of less than 2 Ohms registered? Yes No LOCATE and REPAIR the break in circuit GD133BG (BK) between the DLC and ground connection G3D134 with the aid of the Wiring Diagrams. CHECK the operation of the system. | | AJ7: CHECK THE MS CAN BUS FOR SHORT CIRCUIT | | | 1 Disconnect the ground cable from the battery. | | | 2 Measure the resistance between the DLC, connector C3DB04, between pin 3, circuit VDB06X (GY/OG), wiring harness side and pin 11, circuit VDB07D (VT/OG), wiring harness side. | | | Is a resistance of between 55 and 65 Ohm measured? Yes No If a resistance between 115 and 120 Ohms is measured: GO to AJ12. If no resistance between 115 and 120 Ohms is measured: GO to AJ17. | | AJ8: PERFORM NETWORK TEST (RESTRAINTS CONTROL MODULE (RCM)) | WARNING:The backup power supply must be depleted to prevent the risk of accidental airbag deployment. After disconnecting the battery, wait at least 1 minute before starting work on the supplemental restraint system (SRS). Failure to follow this instruction may result in personal injury. | WARNING:In order to prevent the risk of accidental deployment, do not program any keycodes while working on the supplemental restraint system. Failure to follow this instruction may result in personal injury. | WARNING:Never use terminal probes to test any connectors of the airbag systems or of any other safety restraint systems. Failure to follow this instruction may result in personal injury. | NOTE:After connecting the battery, initialize the power window motors. | | | 1 Disconnect Connector C2R114-A the from restraints control module. | | | 2 Connect ground cable from battery. | | | 3 Connect the diagnostic tool. | | | 4 Select the vehicle with the Ford approved diagnostic tool. | | | Is it possible to establish communications with the GEM? Yes CHECK and if necessary RENEW the safety restraint control module. CHECK the operation of the system. No | | AJ9: PERFORM NETWORK TEST | NOTE:The number of modules connected to the MS CAN bus depends on the equipment levels of the vehicle. Therefore not every vehicle will have all the modules mentioned below. | | | 1 Ignition switch in position 0. | | | 2 Disconnect a listed component, then proceed with the following test step: - Electronic automatic temperature control (EATC) module: C2H101
- Parking aid module: C4MP01-A
- Trailer coupling module: C4AT23-C
- Auxiliary climate control module: C3H101-A
- Fuel fired booster heater /programmable fuel fired booster heater: C1HF01C
- Keyless vehicle module: C2PK28-D
- Passenger side door module: C6PL01-B
- Driver's side door module: C5PL01-B
- Electronic instrument cluster: C2MC01
| | | 3 Select the vehicle with the Ford approved diagnostic tool. | | | Is it possible to establish communications with the GEM? Yes The component last disconnected is the cause of the concern; CHECK and if necessary RENEW the component. CHECK the operation of the system. No - If not all the listed components are disconnected:DISCONNECT the next component (go to test step 1). - If all the listed components are disconnected: GO to AJ10. | | AJ10: CHECK THE MS CAN BUS FOR A SHORT TO VOLTAGE SUPPLY | | | 1 Ignition switch in position 0. | | | 2 Disconnect Connector C1BP02-A from the GEM. | | | 3 Ignition switch in position II. | | | 4 Measure the voltage between the DLC, connector C3DB04, pin 3, circuit VDB06X (GY/OG), wiring harness side and ground. | | | 5 Measure the voltage between the DLC, connector C3DB04, pin 11, circuit VDB07D (VT/OG), wiring harness side and ground. | | | Is a voltage measured? Yes LOCATE and RECTIFY the short to voltage supply in the circuits connected to soldered connection SP292 using the Wiring Diagrams. CHECK the operation of the system. No | | AJ11: CHECK THE MS CAN BUS FOR A SHORT TO GROUND | | | 1 Ignition switch in position 0. | | | 2 Measure the resistance between the DLC, connector C3DB04, pin 3, circuit VDB06X (GY/OG), wiring harness side and ground. | | | 3 Measure the resistance between the DLC, connector C3DB04, pin 11, circuit VDB07D (VT/OG), wiring harness side and ground. | | | Is a resistance of more than 10,000 Ohm measured? Yes No LOCATE and RECTIFY the short to ground in the circuits connected to soldered connection SP292 with the aid of the Wiring Diagrams. CHECK the operation of the system. | | AJ12: CHECK THE MS CAN BUS FOR SHORT CIRCUIT | | | 1 Disconnect Connector C2MC01 from the electronic instrument cluster. | | | 2 Measure the resistance between the DLC, connector C3DB04, between pin 3, circuit VDB06X (GY/OG), wiring harness side and pin 11, circuit VDB07D (VT/OG), wiring harness side. | | | Is a resistance of between 115 and 120 Ohm measured? Yes No | | AJ13: CHECK FOR OPEN CIRCUIT BETWEEN THE ELECTRONIC INSTRUMENT CLUSTER AND THE DATA LINK CONNECTOR (DLC) | | | 1 Measure the resistance between the instrument cluster, connector C2MC01, pin 22, circuit VDB07A (VT/OG), wiring harness side and the DLC, connector C3DB04, pin 11, circuit VDB07D (VT/OG), wiring harness side. | | | Is a resistance of less than 2 Ohms registered? Yes No LOCATE and RECTIFY the break in the circuit between the electronic instrument cluster and the DLC using the Wiring Diagrams. CHECK the operation of the system. | | AJ14: CHECK FOR OPEN CIRCUIT BETWEEN THE ELECTRONIC INSTRUMENT CLUSTER AND THE DLC | | | 1 Measure the resistance between the instrument cluster, connector C2MC01, pin 23, circuit VDB06A (GY/OG), wiring harness side and the DLC, connector C3DB04, pin 3, circuit VDB06X (GY/OG), wiring harness side. | | | Is a resistance of less than 2 Ohms registered? Yes CHECK and if necessary RENEW the electronic instrument cluster. CHECK the operation of the system. No LOCATE and RECTIFY the break in the circuit between the electronic instrument cluster and the DLC using the Wiring Diagrams. CHECK the operation of the system. | | AJ15: CHECK FOR OPEN CIRCUIT BETWEEN THE GEM AND THE DLC | | | 1 Disconnect Connector C1BP02-A from the GEM. | | | 2 Measure the resistance between the GEM, connector C1BP02-A, pin 49, circuit VDB06AC (GY/OG), wiring harness side and the DLC, connector C3DB04, pin 3, circuit VDB06X (GY/OG), wiring harness side. | | | Is a resistance of less than 2 Ohms registered? Yes No LOCATE and REPAIR the break in the circuit between the GEM and the DLC using the Wiring Diagrams. CHECK the operation of the system. | | AJ16: CHECK FOR OPEN CIRCUIT BETWEEN THE GEM AND THE DLC | | | 1 Measure the resistance between the GEM, connector C1BP02-A, pin 50, circuit VDB07J (VT/OG), wiring harness side and the DLC, connector C3DB04, pin 11, circuit VDB07D (GY/OG), wiring harness side. | | | Is a resistance of less than 2 Ohms registered? Yes TEST the GEM and RENEW as necessary. CHECK the operation of the system. No LOCATE and REPAIR the break in the circuit between the GEM and the DLC using the Wiring Diagrams. CHECK the operation of the system. | | AJ17: PERFORM NETWORK TEST (RESTRAINTS CONTROL MODULE (RCM)) | WARNING:The backup power supply must be depleted to prevent the risk of accidental airbag deployment. After disconnecting the battery, wait at least 1 minute before starting work on the supplemental restraint system (SRS). Failure to follow this instruction may result in personal injury. | WARNING:In order to prevent the risk of accidental deployment, do not program any keycodes while working on the supplemental restraint system. Failure to follow this instruction may result in personal injury. | WARNING:Never use terminal probes to test any connectors of the airbag systems or of any other safety restraint systems. Failure to follow this instruction may result in personal injury. | NOTE:After connecting the battery, initialize the power window motors. | | | 1 Disconnect Connector C2R114-A the from restraints control module. | | | 2 Connect ground cable from battery. | | | 3 Connect the diagnostic tool. | | | 4 Select the vehicle with the Ford approved diagnostic tool. | | | Is it possible to establish communications with the GEM? Yes CHECK and if necessary RENEW the safety restraint control module. CHECK the operation of the system. No | | AJ18: PERFORM NETWORK TEST | NOTE:The number of modules connected to the MS CAN bus depends on the equipment levels of the vehicle. Therefore not every vehicle will have all the modules mentioned below. | | | 1 Disconnect a listed component, then proceed with the following test step: - Electronic automatic temperature control (EATC) module: C2H101
- Parking aid module: C4MP01-A
- Trailer coupling module: C4AT23-C
- Auxiliary climate control module: C3H101-A
- Fuel fired booster heater /programmable fuel fired booster heater: C1HF01-C
- Keyless vehicle module: C2PK28-D
- Passenger side door module: C6PL01-B
- Driver's side door module: C5PL01-B
- Electronic instrument cluster: C2MC01
| | | 2 Select the vehicle with the Ford approved diagnostic tool. | | | Is it possible to establish communications with the GEM? Yes The component last disconnected is the cause of the concern; CHECK and if necessary RENEW the component. CHECK the operation of the system. No - If not all the listed components are disconnected:DISCONNECT the next component (go to test step 1). - If all the listed components are disconnected: GO to AJ19. | | AJ19: CHECK THE MS CAN BUS FOR A SHORT TO VOLTAGE SUPPLY | | | 1 Ignition switch in position 0. | | | 2 Disconnect Connector C1BP02-A from the GEM. | | | 3 Ignition switch in position II. | | | 4 Measure the voltage between the DLC, connector C3DB04, pin 11, circuit VDB07D (VT/OG), wiring harness side and ground. | | | 5 Measure the voltage between the DLC, connector C3DB04, pin 3, circuit VDB06X (GY/OG), wiring harness side and ground. | | | Is a voltage measured? Yes LOCATE and RECTIFY the short to voltage supply in the circuits connected to soldered connection SP283 using the Wiring Diagrams. CHECK the operation of the system. No | | AJ20: CHECK THE MS CAN BUS FOR A SHORT TO GROUND | | | 1 Ignition switch in position 0. | | | 2 Measure the resistance between the DLC, connector C3DB04, pin 3, circuit VDB06X (GY/OG), wiring harness side and ground. | | | 3 Measure the resistance between the DLC, connector C3DB04, pin 11, circuit VDB07D (VT/OG), wiring harness side and ground. | | | Is a resistance of more than 10,000 Ohm measured? Yes No LOCATE and RECTIFY the short to ground in the circuits connected to soldered connection SP292 with the aid of the Wiring Diagrams. CHECK the operation of the system. | | AJ21: CHECK THE MS CAN BUS FOR SHORT CIRCUIT | | | 1 Measure the resistance between the DLC, connector C3DB04, between pin 3, circuit VDB06X (GY/OG), wiring harness side and pin 11, circuit VDB07D (VT/OG), wiring harness side. | | | Is a resistance greater than 10,000 Ohms measured in both cases? Yes TEST the GEM and RENEW as necessary. CHECK the operation of the system. No LOCATE and REPAIR the short circuit in the MS CAN bus using the Wiring Diagrams. CHECK the operation of the system. | | PINPOINT TEST AK : FAULTY COMMUNICATION BETWEEN THE MODULES - HS CAN BUS | CAUTION:The measurements below may only be performed using the Ford approved diagnostic tool digital multimeter. Failure to observe this instruction can lead to damage. | | TEST CONDITIONS | DETAILS/RESULTS/ACTIONS | | AK1: CHECK FUSE F26 | | | 1 Ignition switch in position 0. | | | 2 CHECK Fuse F26 (CJB). | | | Is the fuse OK? Yes No RENEW fuse F26 (5 A). CHECK the operation of the system. If the fuse blows again, LOCATE and REPAIR the short using the Wiring Diagrams. | | AK2: CHECK THE VOLTAGE AT FUSE F26 | | | 1 Connect Fuse F26 (CJB). | | | 2 Measure the voltage between fuse F26 (5 A) and ground. | | | Does the meter display battery voltage? Yes No REPAIR the voltage supply to fuse F26 with the aid of the Wiring Diagrams. CHECK the operation of the system. | | AK3: CHECK THE VOLTAGE AT THE DATA LINK CONNECTOR (DLC) | | | 1 Measure the voltage between the DLC, connector C3DB04, pin 16, circuit SBP26A (YE/RD), wiring harness side and ground. | | | Does the meter display battery voltage? Yes No | | AK4: CHECK THE CIRCUIT BETWEEN THE CJB AND THE DLC FOR CONTINUITY. | | | 1 Disconnect Connector C1BP02-C from the CJB. | | | 2 Measure the resistance between the CJB, connector C1BP02-C, pin 73, circuit SBP26A (YE/RD), wiring harness side and the DLC, connector C3DB04, pin 16, circuit SBP26A (YE/RD), wiring harness side. | | | Is a resistance of less than 2 Ohms registered? Yes CHECK the CJB and RENEW as necessary. CHECK the operation of the system. No LOCATE and RECTIFY the break in circuit SBP26A (YE/RD) between the DLC and the CJB with the aid of the Wiring Diagrams. CHECK the operation of the system. | | AK5: CHECK THE GROUND CONNECTION OF THE DLC - PIN 4 | | | 1 Measure the resistance between the DLC, connector C3DB04, pin 4, circuit GD138AS (BK/WH), wiring harness side and ground. | | | Is a resistance of less than 2 Ohms registered? Yes No LOCATE and REPAIR the open circuit between the DLC and ground connection G6D139 with the aid of the Wiring Diagrams. CHECK the operation of the system. | | AK6: CHECK THE GROUND CONNECTION OF THE DLC - PIN 5 | | | 1 Measure the resistance between the DLC, connector C3DB04, pin 5, circuit GD133BG (BK), wiring harness side and ground. | | | Is a resistance of less than 2 Ohms registered? Yes No LOCATE and REPAIR the break in circuit GD133BG (BK) between the DLC and ground connection G3D134 with the aid of the Wiring Diagrams. CHECK the operation of the system. | | AK7: CHECK THE HS CAN BUS FOR SHORT CIRCUIT | | | 1 Disconnect the ground cable from the battery. | | | | | | 2 Measure the resistance between the DLC, connector C3DB04, pin 6, circuit VDB04L (WH/BU), wiring harness side and pin 14, circuit VDB05Z (WH), wiring harness side. | | | Is a resistance of between 55 and 65 Ohm measured? Yes No - If a resistance of between 115 and 125 Ohm is measured: GO to AK13. - If a resistance of between 115 and 125 Ohm is not measured: GO to AK30. | | AK8: PERFORM NETWORK TEST | NOTE:The number of modules connected to the CAN bus depends on the equipment levels of the vehicle. Therefore, not every vehicle will have all the modules mentioned below. | | | 1 Connect the ground cable to the battery. | | | 2 Connect the diagnostic tool. | | | 3 Disconnect a listed component, then proceed with the following test step: - Power steering pump module: C1CS04
- Parking brake module: C4CB01
- Lights control module (LCM): C2LF23-A
- Collision warning module: C2FM01
- Steering wheel module: C2LS41
- Shock absorber control module: C4CD01-B
- Yaw rate / lateral acceleration sensor: C3CA09
- Transmission control unit (TCM) - vehicles with automatic transmission: C1ET34
- Generic Electronic Module (GEM): C1BP02-C
| | | 4 Select the vehicle with the Ford approved diagnostic tool. | | | Is it possible to establish communications with the PCM? Yes The component last disconnected is the cause of the concern; CHECK and if necessary RENEW the component. CHECK the operation of the system. No - If not all the listed components are disconnected:Key in OFF position. DISCONNECT the next component (go to test step 3). - If all the listed components are disconnected: GO to AK9. | | AK9: CHECK THE HS CAN BUS FOR A SHORT TO VOLTAGE SUPPLY | | | 1 Ignition switch in position 0. | | | 2 Disconnect - Vehicles with a 2.0L diesel engine: Connector C1E108-D from the PCM. | | | 3 Disconnect - Vehicles with a 2.0L engine: Connector C1E104-E from the PCM. | | | 4 Disconnect - Vehicles with a 2.5L engine: Connector C1E108-B from the PCM. | | | 5 Disconnect - Vehicles with a 1.8L diesel engine: Connector C1E108-K from the PCM. | | | 6 Disconnect - Vehicles with a 1.6L Duratec-16V (Sigma) engine: Connector C1E104-J from the PCM. | | | 7 Disconnect - Vehicles with a 3.0L Duratec-VE (VE6) engine: Connector C1E109-B from the PCM. | | | 8 Disconnect - Vehicles with a 2.2L diesel engine: Connector C1E108-H from the PCM. | | | 9 Ignition switch in position II. | | | | | | 10 Measure the voltage between the DLC, connector C3DB04, pin 6, circuit VDB04L (WH/BU), wiring harness side and ground. | | | Is a voltage measured? Yes LOCATE and REPAIR the short to voltage in the circuit between the PCM and the DLC with the aid of the Wiring Diagrams. CHECK the operation of the system. No | | AK10: CHECK THE HS CAN BUS FOR A SHORT TO VOLTAGE SUPPLY | | | | | | 1 Measure the voltage between the DLC, connector C3DB04, pin 14, circuit VDB05Z (WH), wiring harness side and ground. | | | Is a voltage measured? Yes LOCATE and REPAIR the short to voltage in the circuit between the PCM and the DLC with the aid of the Wiring Diagrams. CHECK the operation of the system. No | | AK11: CHECK THE HS CAN BUS FOR A SHORT TO GROUND | | | 1 Ignition switch in position 0. | | | | | | 2 Measure the resistance between the DLC, connector C3DB04, pin 6, circuit VDB04L (WH/BU), wiring harness side and ground. | | | Is a resistance of more than 10,000 Ohm measured? Yes No LOCATE and REPAIR the short to ground in the circuit between the PCM and the DLC with the aid of the Wiring Diagrams. CHECK the operation of the system. | | AK12: CHECK THE HS CAN BUS FOR A SHORT TO GROUND | | | | | | 1 Measure the resistance between the DLC, connector C3DB04, pin 14, circuit VDB05Z (WH), wiring harness side and ground. | | | Is a resistance of more than 10,000 Ohm measured? Yes CHECK the PCM and RENEW if necessary. CHECK the operation of the system. No LOCATE and REPAIR the short to ground in the circuit between the PCM and the DLC with the aid of the Wiring Diagrams. CHECK the operation of the system. | | AK13: CHECK THE GEM | | | 1 Disconnect Connector C1BP02-C from the GEM. | | | | | | 2 Measure the resistance between the DLC, connector C3DB04, pin 6, circuit VDB04L (WH/BU), wiring harness side and pin 14, circuit VDB05Z (WH), wiring harness side. | | | Is a resistance of between 115 and 125 Ohm measured? Yes No - Vehicles with a 1.6L Duratec-16V (Sigma) engine: GO to AK24. - Vehicles with a 3.0L Duratec-VE (VE6) engine: GO to AK26. | | AK14: CHECK FOR OPEN CIRCUIT BETWEEN THE GEM AND THE DLC | | | 1 Measure the resistance between the GEM, connector C1BP02-C, pin 48, circuit VDB05AB (WH), wiring harness side and the DLC, connector C3DB04, pin 14, circuit VDB05Z (WH), wiring harness side. | | | Is a resistance of less than 2 Ohms registered? Yes No LOCATE and REPAIR the break in the circuit between the GEM and the DLC using the Wiring Diagrams. CHECK the operation of the system. | | AK15: CHECK FOR OPEN CIRCUIT BETWEEN THE GEM AND THE DLC | | | 1 Measure the resistance between the GEM, connector C1BP02-C, pin 47, circuit VDB04Y (WH/BU), wiring harness side and the DLC, connector C3DB04, pin 6, circuit VDB04L (WH/BU), wiring harness side. | | | Is a resistance of less than 2 Ohms registered? Yes TEST the GEM and RENEW as necessary. CHECK the operation of the system. No LOCATE and REPAIR the break in the circuit between the GEM and the DLC using the Wiring Diagrams. CHECK the operation of the system. | | AK16: CHECK FOR OPEN CIRCUIT BETWEEN THE PCM AND THE DATA LINK CONNECTOR (DLC) | CAUTION:The following measurement must only be performed using the Ford approved diagnostic tool digital multimeter. Failure to observe this instruction can lead to damage. | | | 1 Disconnect Connector C1E108-D from the PCM. | | | 2 Measure the resistance between the PCM, connector C1E108-D, pin A4, circuit VDB04E (WH/BU), wiring harness side and the DLC, connector C3DB04, pin 6, circuit VDB04L (WH/BU), wiring harness side. | | | Is a resistance of less than 2 Ohms registered? Yes No LOCATE and REPAIR the open circuit between the PCM and the DLC using the Wiring Diagrams. CHECK the operation of the system. | | AK17: CHECK THE CIRCUIT BETWEEN THE PCM AND THE DLC FOR OPEN CIRCUIT | CAUTION:The following measurement must only be performed using the Ford approved diagnostic tool digital multimeter. Failure to observe this instruction can lead to damage. | | | 1 Measure the resistance between the PCM, connector C1E108-D, pin A3, circuit VDB05L (WH), wiring harness side and the DLC, connector C3DB04, pin 14, circuit VDB05Z (WH), wiring harness side. | | | Is a resistance of less than 2 Ohms registered? Yes CHECK the PCM and RENEW if necessary. CHECK the operation of the system. No LOCATE and REPAIR the open in the respective circuit between the PCM and DLC by using the wiring diagrams. CHECK the operation of the system. | | AK18: CHECK FOR OPEN CIRCUIT BETWEEN THE PCM AND THE DATA LINK CONNECTOR (DLC) | CAUTION:The following measurement must only be performed using the Ford approved diagnostic tool digital multimeter. Failure to observe this instruction can lead to damage. | | | 1 Disconnect Connector C1E104-E from the PCM. | | | 2 Measure the resistance between the PCM, connector C1E104-E, pin A4, circuit VDB04H (WH/BU), wiring harness side and the DLC, connector C3DB04, pin 6, circuit VDB04L (WH/BU), wiring harness side. | | | Is a resistance of less than 2 Ohms registered? Yes No LOCATE and REPAIR the open circuit between the PCM and the DLC using the Wiring Diagrams. CHECK the operation of the system. | | AK19: CHECK THE CIRCUIT BETWEEN THE PCM AND THE DLC FOR OPEN CIRCUIT | CAUTION:The following measurement must only be performed using the Ford approved diagnostic tool digital multimeter. Failure to observe this instruction can lead to damage. | | | 1 Measure the resistance between the PCM, connector C1E104-E, pin B4, circuit VDB05AL (WH), wiring harness side and the DLC, connector C3DB04, pin 14, circuit VDB05Z (WH), wiring harness side. | | | Is a resistance of less than 2 Ohms registered? Yes CHECK the PCM and RENEW if necessary. CHECK the operation of the system. No LOCATE and REPAIR the open in the respective circuit between the PCM and DLC by using the wiring diagrams. CHECK the operation of the system. | | AK20: CHECK FOR OPEN CIRCUIT BETWEEN THE PCM AND THE DATA LINK CONNECTOR (DLC) | CAUTION:The following measurement must only be performed using the Ford approved diagnostic tool digital multimeter. Failure to observe this instruction can lead to damage. | | | 1 Disconnect Connector C1E108-B from the PCM. | | | 2 Measure the resistance between the PCM, connector C1E108-B, pin 57, circuit VDB04AK (WH/BU), wiring harness side and the DLC, connector C3DB04, pin 6, circuit VDB04L (WH/BU), wiring harness side. | | | Is a resistance of less than 2 Ohms registered? Yes No LOCATE and REPAIR the open circuit between the PCM and the DLC using the Wiring Diagrams. CHECK the operation of the system. | | AK21: CHECK THE CIRCUIT BETWEEN THE PCM AND THE DLC FOR OPEN CIRCUIT | CAUTION:The following measurement must only be performed using the Ford approved diagnostic tool digital multimeter. Failure to observe this instruction can lead to damage. | | | 1 Measure the resistance between the PCM, connector C1E108-B, pin 44, circuit VDB05A (WH), wiring harness side and the DLC, connector C3DB04, pin 14, circuit VDB05Z (WH), wiring harness side. | | | Is a resistance of less than 2 Ohms registered? Yes CHECK the PCM and RENEW if necessary. CHECK the operation of the system. No LOCATE and REPAIR the open in the respective circuit between the PCM and DLC by using the wiring diagrams. CHECK the operation of the system. | | AK22: CHECK FOR OPEN CIRCUIT BETWEEN THE PCM AND THE DATA LINK CONNECTOR (DLC) | CAUTION:The following measurement must only be performed using the Ford approved diagnostic tool digital multimeter. Failure to observe this instruction can lead to damage. | | | 1 Disconnect Connector C1E108-K from the PCM. | | | 2 Measure the resistance between the PCM, connector C1E108-K, pin A4, circuit VDB04AE (WH/BU), wiring harness side and the DLC, connector C3DB04, pin 6, circuit VDB04L (WH/BU), wiring harness side. | | | Is a resistance of less than 2 Ohms registered? Yes No LOCATE and REPAIR the open circuit between the PCM and the DLC using the Wiring Diagrams. CHECK the operation of the system. | | AK23: CHECK THE CIRCUIT BETWEEN THE PCM AND THE DLC FOR OPEN CIRCUIT | CAUTION:The following measurement must only be performed using the Ford approved diagnostic tool digital multimeter. Failure to observe this instruction can lead to damage. | | | 1 Measure the resistance between the PCM, connector C1E108-K, pin A3, circuit VDB05AH (WH), wiring harness side and the DLC, connector C3DB04, pin 14, circuit VDB05Z (WH), wiring harness side. | | | Is a resistance of less than 2 Ohms registered? Yes CHECK the PCM and RENEW if necessary. CHECK the operation of the system. No LOCATE and REPAIR the open in the respective circuit between the PCM and DLC by using the wiring diagrams. CHECK the operation of the system. | | AK24: CHECK FOR OPEN CIRCUIT BETWEEN THE PCM AND THE DATA LINK CONNECTOR (DLC) | CAUTION:The following measurement must only be performed using the Ford approved diagnostic tool digital multimeter. Failure to observe this instruction can lead to damage. | | | 1 Disconnect Connector C1E104-J from the PCM. | | | 2 Measure the resistance between the PCM, connector C1E104-J, pin D4, circuit VDB04AX (WH/BU), wiring harness side and the DLC, connector C3DB04, pin 6, circuit VDB04L (WH/BU), wiring harness side. | | | Is a resistance of less than 2 Ohms registered? Yes No LOCATE and REPAIR the open circuit between the PCM and the DLC using the Wiring Diagrams. CHECK the operation of the system. | | AK25: CHECK THE CIRCUIT BETWEEN THE PCM AND THE DLC FOR OPEN CIRCUIT | CAUTION:The following measurement must only be performed using the Ford approved diagnostic tool digital multimeter. Failure to observe this instruction can lead to damage. | | | 1 Measure the resistance between the PCM, connector C1E104-J, pin E3, circuit VDB05BA (WH), wiring harness side and the DLC, connector C3DB04, pin 14, circuit VDB05Z (WH), wiring harness side. | | | Is a resistance of less than 2 Ohms registered? Yes CHECK the PCM and RENEW if necessary. CHECK the operation of the system. No LOCATE and REPAIR the open in the respective circuit between the PCM and DLC by using the wiring diagrams. CHECK the operation of the system. | | AK26: CHECK FOR OPEN CIRCUIT BETWEEN THE PCM AND THE DATA LINK CONNECTOR (DLC) | CAUTION:The following measurement must only be performed using the Ford approved diagnostic tool digital multimeter. Failure to observe this instruction can lead to damage. | | | 1 Disconnect Connector C1E109-B from the PCM. | | | 2 Measure the resistance between the PCM, connector C1E109-B, pin 54, circuit VDB04BC (WH/BU), wiring harness side and the DLC, connector C3DB04, pin 6, circuit VDB04L (WH/BU), wiring harness side. | | | Is a resistance of less than 2 Ohms registered? Yes No LOCATE and REPAIR the open circuit between the PCM and the DLC using the Wiring Diagrams. CHECK the operation of the system. | | AK27: CHECK THE CIRCUIT BETWEEN THE PCM AND THE DLC FOR OPEN CIRCUIT | CAUTION:The following measurement must only be performed using the Ford approved diagnostic tool digital multimeter. Failure to observe this instruction can lead to damage. | | | 1 Measure the resistance between the PCM, connector C1E109-B, pin 41, circuit VDB05BC (WH), wiring harness side and the DLC, connector C3DB04, pin 14, circuit VDB05Z (WH), wiring harness side. | | | Is a resistance of less than 2 Ohms registered? Yes CHECK the PCM and RENEW if necessary. CHECK the operation of the system. No LOCATE and REPAIR the open in the respective circuit between the PCM and DLC by using the wiring diagrams. CHECK the operation of the system. | | AK28: CHECK FOR OPEN CIRCUIT BETWEEN THE PCM AND THE DATA LINK CONNECTOR (DLC) | CAUTION:The following measurement must only be performed using the Ford approved diagnostic tool digital multimeter. Failure to observe this instruction can lead to damage. | | | 1 Disconnect Connector C1E108-H from the PCM. | | | 2 Measure the resistance between the PCM, connector C1E108-H, pin A2, circuit VDB04AV (WH/BU), wiring harness side and the DLC, connector C3DB04, pin 6, circuit VDB04L (WH/BU), wiring harness side. | | | Is a resistance of less than 2 Ohms registered? Yes No LOCATE and REPAIR the open circuit between the PCM and the DLC using the Wiring Diagrams. CHECK the operation of the system. | | AK29: CHECK THE CIRCUIT BETWEEN THE PCM AND THE DLC FOR OPEN CIRCUIT | CAUTION:The following measurement must only be performed using the Ford approved diagnostic tool digital multimeter. Failure to observe this instruction can lead to damage. | | | 1 Measure the resistance between the PCM, connector C1E108-H, pin A1, circuit VDB05AW (WH), wiring harness side and the DLC, connector C3DB04, pin 14, circuit VDB05Z (WH), wiring harness side. | | | Is a resistance of less than 2 Ohms registered? Yes CHECK the PCM and RENEW if necessary. CHECK the operation of the system. No LOCATE and REPAIR the open in the respective circuit between the PCM and DLC by using the wiring diagrams. CHECK the operation of the system. | | AK30: PERFORM NETWORK TEST | NOTE:The number of modules connected to the CAN bus depends on the equipment levels of the vehicle. Therefore, not every vehicle will have all the modules mentioned below. | | | 1 Connect the ground cable to the battery. | | | 2 Connect the diagnostic tool. | | | 3 Disconnect a listed component, then proceed with the following test step: - Power steering pump module: C1CS04
- Parking brake module: C4CB01
- Lights control module (LCM): C2LF23-A
- Collision warning module: C2FM01
- Steering wheel module: C2LS41
- Shock absorber control module: C4CD01-B
- Yaw rate / lateral acceleration sensor: C3CA09
- Transmission control unit (TCM) - vehicles with automatic transmission: C1ET34
- Generic Electronic Module (GEM): C1BP02-C
| | | 4 Select the vehicle with the Ford approved diagnostic tool. | | | Is it possible to establish communications with the PCM? Yes The component last disconnected is the cause of the concern; CHECK and if necessary RENEW the component. CHECK the operation of the system. No - If not all the listed components are disconnected:Key in OFF position. DISCONNECT the next component (go to test step 3). - If all the listed components are disconnected: GO to AK31. | | AK31: CHECK THE HS CAN BUS FOR A SHORT TO VOLTAGE SUPPLY | | | 1 Ignition switch in position 0. | | | 2 Disconnect - Vehicles with a 2.0L diesel engine: Connector C1E108-D from the PCM. | | | 3 Disconnect - Vehicles with a 2.0L engine: Connector C1E104-E from the PCM. | | | 4 Disconnect - Vehicles with a 2.5L engine: Connector C1E108-B from the PCM. | | | 5 Disconnect - Vehicles with a 1.8L diesel engine: Connector C1E108-K from the PCM. | | | 6 Disconnect - Vehicles with a 1.6L Duratec-16V (Sigma) engine: Connector C1E104-J from the PCM. | | | 7 Disconnect - Vehicles with a 3.0L Duratec-VE (VE6) engine: Connector C1E109-B from the PCM. | | | 8 Disconnect - Vehicles with a 2.2L diesel engine: Connector C1E108-H from the PCM. | | | 9 Ignition switch in position II. | | | | | | 10 Measure the voltage between the DLC, connector C3DB04, pin 6, circuit VDB04L (WH/BU), wiring harness side and ground. | | | Is a voltage measured? Yes LOCATE and REPAIR the short to voltage supply in the relevant circuit with the aid of the Wiring Diagrams. CHECK the operation of the system. No | | AK32: CHECK THE HS CAN BUS FOR A SHORT TO VOLTAGE SUPPLY | | | | | | 1 Measure the voltage between the DLC, connector C3DB04, pin 14, circuit VDB05Z (WH), wiring harness side and ground. | | | Is a voltage measured? Yes LOCATE and REPAIR the short to voltage supply in the relevant circuit with the aid of the Wiring Diagrams. CHECK the operation of the system. No | | AK33: CHECK THE HS CAN BUS FOR A SHORT TO GROUND | | | 1 Ignition switch in position 0. | | | | | | 2 Measure the resistance between the DLC, connector C3DB04, pin 14, circuit VDB05Z (WH), wiring harness side and ground. | | | Is a resistance of more than 10,000 Ohm measured? Yes No LOCATE and REPAIR the short to ground in the relevant circuit with the aid of the Wiring Diagrams. CHECK the operation of the system. | | AK34: CHECK THE HS CAN BUS FOR A SHORT TO GROUND | | | | | | 1 Measure the resistance between the DLC, connector C3DB04, pin 6, circuit VDB04L (WH/BU), wiring harness side and ground. | | | Is a resistance of more than 10,000 Ohm measured? Yes No LOCATE and REPAIR the short to ground in the relevant circuit with the aid of the Wiring Diagrams. CHECK the operation of the system. | | AK35: CHECK THE HS CAN BUS FOR SHORT CIRCUIT | | | 1 Measure the resistance between the DLC, connector C3DB04, pin 6, circuit VDB04L (WH/BU), wiring harness side and pin 14, circuit VDB05Z (WH), wiring harness side. | | | Is a resistance of more than 10,000 Ohm measured? Yes CHECK the PCM and RENEW if necessary. CHECK the operation of the system. No LOCATE and REPAIR the short circuit in the HS CAN Bus using the Wiring Diagrams. CHECK the operation of the system. | | PINPOINT TEST AL : FAULTY COMMUNICATIONS BETWEEN THE MODULES - MM CAN BUS | CAUTION:The measurements below may only be performed using the Ford approved diagnostic tool digital multimeter. Failure to observe this instruction can lead to damage. | | TEST CONDITIONS | DETAILS/RESULTS/ACTIONS | | AL1: CHECK FUSE F26 | | | 1 Ignition switch in position 0. | | | 2 CHECK Fuse F26 (CJB). | | | Is the fuse OK? Yes No RENEW fuse F26 (5 A). CHECK the operation of the system. If the fuse blows again, LOCATE and REPAIR the short using the Wiring Diagrams. | | AL2: CHECK THE VOLTAGE AT FUSE F26 | | | 1 Connect Fuse F26 (CJB). | | | 2 Measure the voltage between fuse F26 (5 A) and ground. | | | Does the meter display battery voltage? Yes No REPAIR the voltage supply to fuse F26 with the aid of the Wiring Diagrams. CHECK the operation of the system. | | AL3: CHECK THE VOLTAGE AT THE DATA LINK CONNECTOR (DLC) | | | 1 Measure the voltage between the DLC, connector C3DB04, pin 16, circuit SBP26A (YE/RD), wiring harness side and ground. | | | Does the meter display battery voltage? Yes No | | AL4: CHECK THE CIRCUIT BETWEEN THE CJB AND THE DLC FOR CONTINUITY. | | | 1 Disconnect Connector C1BP02-C from the CJB. | | | 2 Measure the resistance between the CJB, connector C1BP02-C, pin 73, circuit SBP26A (YE/RD), wiring harness side and the DLC, connector C3DB04, pin 16, circuit SBP26A (YE/RD), wiring harness side. | | | Is a resistance of less than 2 Ohms registered? Yes CHECK the CJB and RENEW as necessary. CHECK the operation of the system. No LOCATE and RECTIFY the break in circuit SBP26A (YE/RD) between the DLC and the CJB with the aid of the Wiring Diagrams. CHECK the operation of the system. | | AL5: CHECK THE GROUND CONNECTION OF THE DLC - PIN 4 | | | 1 Ignition switch in position 0. | | | 2 Measure the resistance between the DLC, connector C3DB04, pin 4, circuit GD138AS (BK/WH), wiring harness side and ground. | | | Is a resistance of less than 2 Ohms registered? Yes No LOCATE and REPAIR the open circuit between the DLC and ground connection G6D139 with the aid of the Wiring Diagrams. CHECK the operation of the system. | | AL6: CHECK THE GROUND CONNECTION OF THE DLC - PIN 5 | | | 1 Measure the resistance between the DLC, connector C3DB04, pin 5, circuit GD133BG (BK), wiring harness side and ground. | | | Is a resistance of less than 2 Ohms registered? Yes No LOCATE and REPAIR the break in circuit GD133BG (BK) between the DLC and ground connection G3D134 with the aid of the Wiring Diagrams. CHECK the operation of the system. | | AL7: PERFORM NETWORK TEST | NOTE:The number of modules connected to the MM CAN bus depends on the equipment level of the vehicle. Therefore not every vehicle will have all the modules mentioned below. | | | 1 Ignition switch in position 0. | | | 2 Disconnect a listed component, then proceed with the following test step: - Bluetooth voice control module: C2MM01-A
- Navigation system touch screen: C2ME03-F
| | | 3 Select the vehicle with the Ford approved diagnostic tool. | | | Is it possible to establish communication with the audio system control panel? Yes The component last disconnected is the cause of the concern; CHECK and if necessary RENEW the component. CHECK the operation of the system. No - If not all the listed components are disconnected:DISCONNECT the next component (go to test step 1). - If all the listed components are disconnected: GO to AL8. | | AL8: PERFORM NETWORK TEST (RESTRAINTS CONTROL MODULE (RCM)) | | | 1 Disconnect Connector C2R114A from the audio system control panel. | | | 2 Connect Connector C2MM01-A from the Bluetooth/voice control module. | | | 3 Connect the diagnostic tool. | | | 4 Select the vehicle with the Ford approved diagnostic tool. | | | Is it possible to establish communications with the GEM? Yes CHECK and if necessary RENEW the safety restraint control module. CHECK the operation of the system. No | | AL9: CHECK FOR OPEN CIRCUIT BETWEEN THE ELECTRONIC INSTRUMENT CLUSTER AND THE DATA LINK CONNECTOR (DLC) | | | 1 Disconnect Connector C2MC01 from the electronic instrument cluster. | | | 2 Measure the resistance between the instrument cluster, connector C2MC01, pin 19, circuit VDB13X (BU/GY), wiring harness side and the DLC, connector C3DB04, pin 1, circuit VDB13F (BU/GY), wiring harness side. | | | Is a resistance of less than 2 Ohms registered? Yes No LOCATE and RECTIFY the break in the circuit between the electronic instrument cluster and the DLC using the Wiring Diagrams. CHECK the operation of the system. | | AL10: CHECK FOR OPEN CIRCUIT BETWEEN THE ELECTRONIC INSTRUMENT CLUSTER AND THE DLC | | | 1 Measure the resistance between the instrument cluster, connector C2MC01, pin 18, circuit VDB14X (VT/GY), wiring harness side and the DLC, connector C3DB04, pin 8, circuit VDB14F (VT/GY), wiring harness side. | | | Is a resistance of less than 2 Ohms registered? Yes No LOCATE and RECTIFY the break in the circuit between the electronic instrument cluster and the DLC using the Wiring Diagrams. CHECK the operation of the system. | | AL11: CHECK FOR OPEN CIRCUIT BETWEEN THE ELECTRONIC INSTRUMENT CLUSTER AND THE DLC | | | 1 Measure the resistance between the electronic instrument cluster, connector C2MC01, pin 15, circuit VDB14L (VT/GY) (vehicles with CD changer: circuit VDB14M (VT/GY)), wiring harness side and the DLC, connector C3DB04, pin 8, circuit VDB14F (VT/GY), wiring harness side. | | | Is a resistance of less than 2 Ohms registered? Yes No LOCATE and RECTIFY the break in the circuit between the electronic instrument cluster and the DLC using the Wiring Diagrams. CHECK the operation of the system. | | AL12: CHECK FOR OPEN CIRCUIT BETWEEN THE ELECTRONIC INSTRUMENT CLUSTER AND THE DLC | | | 1 Measure the resistance between the electronic instrument cluster, connector C2MC01, pin 16, circuit VDB13L (BU/GY) (vehicles with CD changer: circuit VDB13M (BU/GY)), wiring harness side and the DLC, connector C3DB04, pin 1, circuit VDB14F (VT/GY), wiring harness side. | | | Is a resistance of less than 2 Ohms registered? Yes No LOCATE and RECTIFY the break in the circuit between the electronic instrument cluster and the DLC using the Wiring Diagrams. CHECK the operation of the system. | | AL13: CHECK THE MM CAN BUS FOR A SHORT TO VOLTAGE SUPPLY | | | 1 Ignition switch in position II. | | | 2 Measure the voltage between the DLC, connector C3DB04, pin 8, circuit VDB14F (VT/GY), wiring harness side and ground. | | | Is a voltage measured? Yes LOCATE and RECTIFY the short to voltage supply in the circuits connected to soldered connection SP353 using the Wiring Diagrams. CHECK the operation of the system. No | | AL14: CHECK THE MM CAN BUS FOR A SHORT TO VOLTAGE SUPPLY | | | 1 Measure the voltage between the DLC, connector C3DB04, pin 1, circuit VDB13F (BU/GY), wiring harness side and ground. | | | Is a voltage measured? Yes LOCATE and RECTIFY the short to voltage supply in the circuits connected to soldered connection SP348 using the Wiring Diagrams. CHECK the operation of the system. No | | AL15: CHECK THE MM CAN BUS FOR A SHORT TO GROUND | | | 1 Ignition switch in position 0. | | | 2 Measure the resistance between the DLC, connector C3DB04, pin 8, circuit VDB14F (VT/GY), wiring harness side and ground. | | | Is a resistance of more than 10,000 Ohm measured? Yes No LOCATE and RECTIFY the short to ground in the circuits connected to soldered connection SP353 with the aid of the Wiring Diagrams. CHECK the operation of the system. | | AL16: CHECK THE MM CAN BUS FOR A SHORT TO GROUND | | | 1 Measure the resistance between the DLC, connector C3DB04, pin 1, circuit VDB13F (BU/GY), wiring harness side and ground. | | | Is a resistance of more than 10,000 Ohm measured? Yes No LOCATE and RECTIFY the short to ground in the circuits connected to soldered connection SP348 with the aid of the Wiring Diagrams. CHECK the operation of the system. | | AL17: CHECK THE MM CAN BUS FOR SHORT | | | 1 Measure the resistance between the DLC, connector C3DB04, pin 1, circuit VDB13F (BU/GY), wiring harness side and pin 8, circuit VDB14F (VT/GY), wiring harness side. | | | Is a resistance of more than 10,000 Ohm measured? Yes CHECK and if necessary RENEW the electronic instrument cluster. CHECK the operation of the system. No LOCATE and REPAIR the short in the MM CAN bus with the aid of the Wiring Diagrams. CHECK the operation of the system. | Component checks Power supply relay - Check the normally open contact in the unswitched state:
- Measure the resistance at the power supply relay, between pin 3 and pin 5, component side.
- Is a resistance of more than 10,000 Ohm measured? If yes, go to 2. If no, RENEW the power supply relay.
- Check the normally open contact in the switched state:
- Using a fused test cable (1 A), connect pin 1 of the power supply relay, component side, with the battery positive terminal.
- Using a test cable, connect pin 2 of the power supply relay, component side, to the battery negative terminal.
- Measure the resistance at the power supply relay, between pin 3 and pin 5, component side.
- Is a resistance of less than 2 Ohms registered? If yes, the power supply relay is OK. If no, RENEW the power supply relay.
|