6 L4-2.5L (2010)
Starter Motor: Overhaul
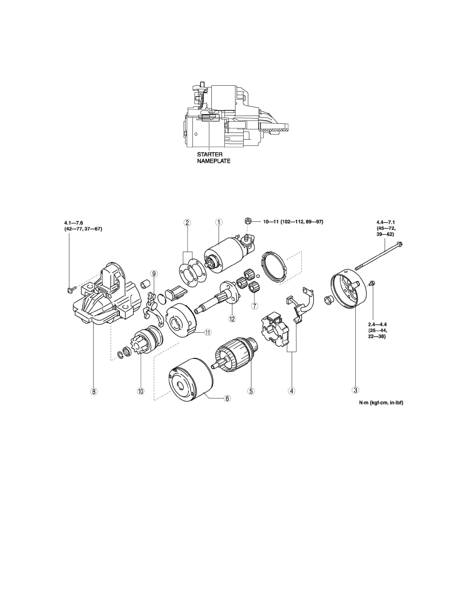
STARTER DISASSEMBLY/ASSEMBLY [L5]
NOTE:
-
The first four digits of the part number indicated on the starter nameplate
1. Disassemble in the order indicated in the table.
2. Assemble in the reverse order of disassembly.
The first four digits of the part number: L321
The first four digits of the part number: L556
