mazda Workshop Repair Guides

Mazda Workshop Service and Repair Manuals

Removal and Replacement|Page 5322 > < Removal and Replacement|Page 5320
Page 1
background image

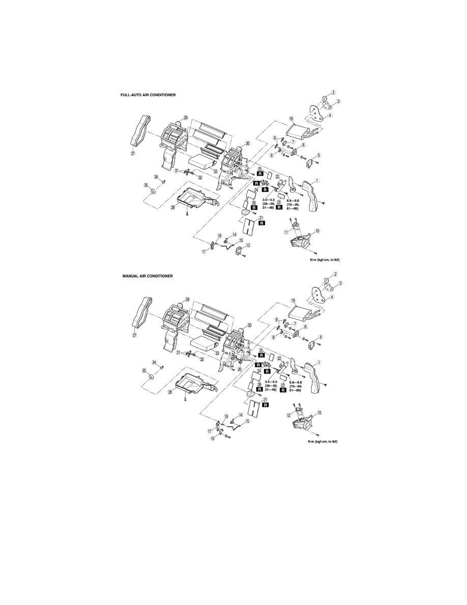
Evaporator Core: Overhaul

A/C UNIT DISASSEMBLY/ASSEMBLY

1. Disassemble in the order indicated in the table.

2. Assemble in the reverse order of disassembly.

Removal and Replacement|Page 5322 > < Removal and Replacement|Page 5320