mazda Workshop Repair Guides

Mazda Workshop Service and Repair Manuals

Component Locations|Page 5329 > < Removal and Replacement|Page 5324
Page 1
background image

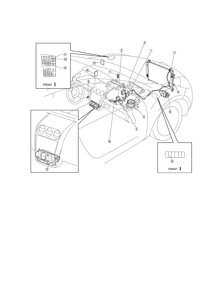
Evaporator Temperature Sensor / Switch: Component Locations

HVAC Control System Location Index - Full-Auto Air Conditioner

HVAC CONTROL SYSTEM LOCATION INDEX [FULL-AUTO AIR CONDITIONER]

Component Locations|Page 5329 > < Removal and Replacement|Page 5324