Mitsubishi Workshop Service and Repair Manuals
HOME
FEATURES
MENU
INDEX
ABOUT US
Electrical Diagrams|Page 4743 >
< Diagram Information and Instructions|Page 4738
Lancer L4-2.4L SOHC (2005)
Restraint Systems
Seat Belt Systems
Seat Belt Reminder Lamp
Component Information
Diagrams
Electrical Diagrams
Page 1
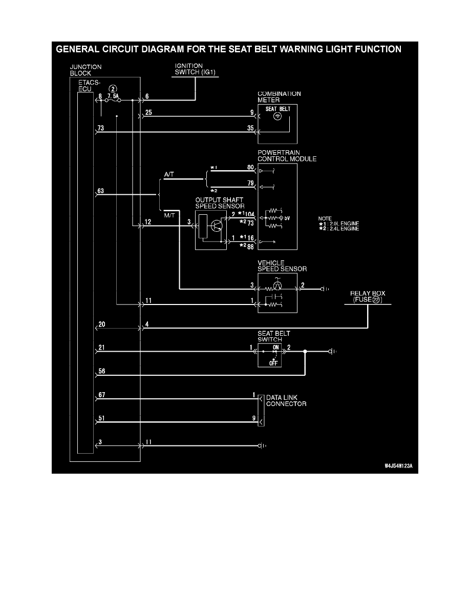
Seat Belt Reminder Lamp: Electrical Diagrams
Wiring Diagram
Restraint Systems
Seat Belt Systems
Seat Belt Reminder Lamp
Component Information
Diagrams
Electrical Diagrams
Electrical Diagrams|Page 4743 >
< Diagram Information and Instructions|Page 4738