Fabia Mk1
| Disassembling and assembling intake manifold |
| Engines with engine identification characters AUA and BBY; vehicles mit engines BBY and manual gearbox ? 08.03 |

| 1 - | Throttle valve control unit -J338-* |
| q | check → Chapter |
| q | when replacing, adapt the engine control unit to the throttle valve control unit → Chapter |
| 2 - | 10 Nm |
| 3 - | Gasket |
| q | Check fitting position |
| q | replace |
| 4 - | Inlet connection |
| 5 - | Gasket ring |
| q | replace if damaged |
| 6 - | 20 Nm |
| 7 - | Gasket ring |
| q | replace |
| 8 - | Guide plate |
| q | pay attention to correct installation position |
| q | replace if damaged |
| 9 - | O-ring |
| q | replace if damaged |
| 10 - | 3 Nm |
| 11 - | Intake manifold pressure sender -G71-* with intake air temperature sender -G72-* |
| q | Testing the intake manifold pressure sender → Chapter |
| q | Testing intake manifold temperature sender → Chapter |
| 12 - | Intake manifold |
| q | out of plastic |
| q | pay attention to Part No. |
| Engines with engine identification characters AUB |

| 1 - | Throttle valve control unit -J338-* |
| q | check → Chapter |
| q | when replacing, adapt the engine control unit to the throttle valve control unit → Chapter |
| 2 - | Gasket ring |
| q | replace if damaged |
| 3 - | 10 Nm |
| 4 - | 20 Nm |
| 5 - | Intake manifold |
| q | Aluminium casting |
| q | pay attention to Part No. |
| 6 - | Gasket ring |
| q | replace |
| 7 - | Guide plate |
| q | pay attention to correct installation position |
| q | replace if damaged |
| 8 - | O-ring |
| q | replace if damaged |
| 9 - | Intake manifold pressure sender -G71-* with intake air temperature sender -G72-* |
| q | Testing the intake manifold pressure sender → Chapter |
| q | Testing intake manifold temperature sender → Chapter |
| 10 - | 3 Nm |
| Engines with engine identification characters BBZ; vehicles mit engines BBY and manual gearbox 09.03 ? |

| 1 - | Intake manifold |
| q | out of plastic |
| q | pay attention to Part No. |
| 2 - | Throttle valve control unit -J338-* |
| q | check → Chapter |
| q | when replacing, adapt the engine control unit to the throttle valve control unit → Chapter |
| 3 - | 10 Nm |
| 4 - | Gasket ring |
| q | replace if damaged |
| 5 - | 20 Nm |
| 6 - | Gasket ring |
| q | replace |
| 7 - | Guide plate |
| q | pay attention to correct installation position |
| q | replace if damaged |
| 8 - | O-ring |
| q | replace if damaged |
| 9 - | 3 Nm |
| 10 - | Intake manifold pressure sender -G71-* with intake air temperature sender -G72-* |
| q | Testing the intake manifold pressure sender → Chapter |
| q | Testing intake manifold temperature sender → Chapter |
| Engines with engine identification letters BKY |

| 1 - | Intake manifold |
| q | out of plastic |
| q | pay attention to Part No. |
| 2 - | Throttle valve control unit -J338-* |
| q | check → Chapter |
| q | when replacing, adapt the engine control unit to the throttle valve control unit → Chapter |
| 3 - | 7 Nm |
| 4 - | Gasket |
| q | replace if damaged |
| 5 - | 20 Nm |
| 6 - | Gasket ring |
| q | replace |
| 7 - | O-ring |
| q | replace if damaged |
| 8 - | Intake manifold pressure sender -G71-* with intake air temperature sender -G72-* |
| q | Testing the intake manifold pressure sender → Chapter |
| q | Testing intake manifold temperature sender → Chapter |
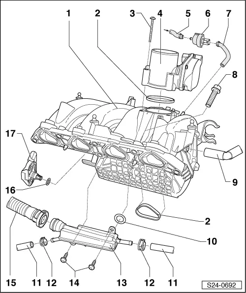
| Engines with engine identification characters BUD |

| 1 - | Intake manifold |
| 2 - | Gasket ring |
| q | replace |
| 3 - | 7 Nm |
| 4 - | Throttle valve control unit -J338- |
| q | check → Chapter |
| q | when replacing, adapt the engine control unit to the throttle valve control unit → Chapter |
| 5 - | Ventilation hose |
| q | of activated charcoal filter → 1.4/55; 1.4/59; 1.4/74 Engine - Mechanics → Rep. Gr.20 |
| 6 - | Solenoid valve 1 for activated charcoal filter -N80- |
| q | attached with bracket to the intake manifold |
| 7 - | Ventilation hose |
| 8 - | 20 Nm |
| 9 - | Vacuum hose |
| q | To the brake servo unit |
| 10 - | O-ring |
| q | replace if damaged |
| 11 - | Coolant hose |
| q | for crankcase ventilation preheating |
| 12 - | Spring strap clamp |
| 13 - | Preheating for crankcase ventilation |
| q | remove intake manifold for removing and installing |
| 14 - | 3 Nm |
| 15 - | Hose |
| q | to vacuum regulating valve for crankcase ventilation (for oil separator) |
| 16 - | O-ring |
| q | replace |
| 17 - | Intake manifold pressure sender -G71-* with intake air temperature sender - G42-* |
| q | Testing the intake manifold pressure sender → Chapter |
| q | Testing intake manifold temperature sender → Chapter |
