Fabia Mk2
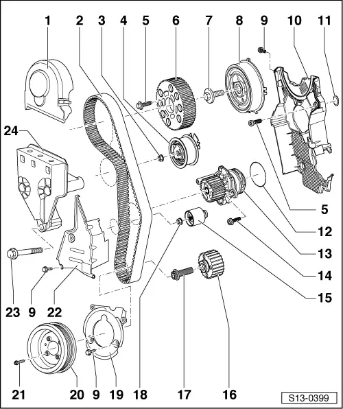
Removing and installing toothed belt (Roomster) |

Before removing the timing belt, mark direction of running. Reversing the rotation direction of an already used belt may destroy it. |

1 - | Top toothed belt guard |
2 - | Toothed belt |
q | before removing mark running direction |
q | check for wear |
q | do not kink |
q | removing → Chapter |
q | installing → Chapter |

If the toothed belt is replaced when carrying out engine repair (apart from regular change interval), it should be entered in the Service Schedule! |
3 - | 20 Nm + torque a further 1/8 turn (45°) |
4 - | Tensioning pulley → Fig. |
5 - | 20 Nm + torque a further 1/8 turn (45°) |
6 - | Camshaft sprocket |
7 - | 100 Nm |
8 - | Hub |
q | with rotor |
q | to release and tighten use the counterholder -T10051 - |
q | to remove the extractor -T10052- use |
q | removing and installing → Chapter |
9 - | 10 Nm |
10 - | Rear toothed belt guard |
11 - | Grommet |
q | replace if damaged |
12 - | O-ring |
q | replace |
13 - | Coolant pump |
q | removing and installing → Chapter |
14 - | 15 Nm |
15 - | Guide pulley |
16 - | Crankshaft - toothed belt sprocket |
q | Contact surface between crankshaft toothed belt sprocket and crankshaft must be clean and free of grease |
q | Fitting position: flat on timing belt sprocket and crankshaft must be aligned |
17 - | 120 Nm + torque a further 1/4 turn (90°) |
q | to release and tighten the counterholder -MP1-310 (3099)- or -T30004- use |
q | replace |
q | do not wet new screws with oil and do not grease them |
18 - | 20 Nm + torque a further 1/8 turn (45°) |
19 - | Bottom toothed belt guard |
20 - | V-ribbed belt pulley |
q | with vibration damper |
q | Assembly only possible in one position - holes offset |
q | Set TDC for cylinder 1 → Fig. |
21 - | 10 Nm + torque a further 1/4 turn (90°) |
22 - | Middle toothed belt guard |
23 - | 45 Nm |
24 - | Engine mounting |
|
![]() |