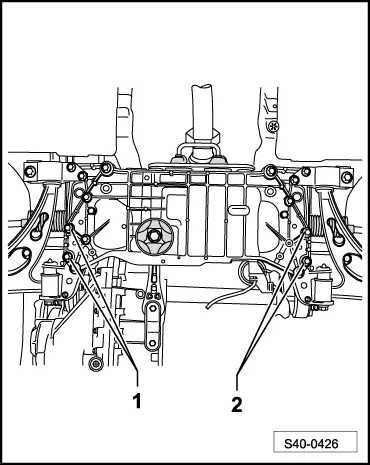
| –
| Lift the anti-roll bar -1- to the front via the console, -2- off the assembly carrier. |
| Installation is carried out in the reverse order. |
| –
| For vehicles fitted with automatic headlight range control, install the front left vehicle level sensor -G78- → Chapter. |

Note | t
| Coat the seal on the steering gear with lubricant before installing the steering gear, e.g. lubricating soap. |
| t
| After positioning the steering gear on the drive shaft make sure the seal on the steering gear is not bent on the assembly plate and correctly seals the footwell opening. Otherwise this could cause water penetration and/or noise. |
| t
| Make sure all sealing surfaces are clean. |
| –
| Check the steering wheel position during the test drive. |

Note | If after the test drive and with the wheels pointing straight ahead the steering wheel is off straight, perform a chassis alignment → Chapter. |
|
|
|