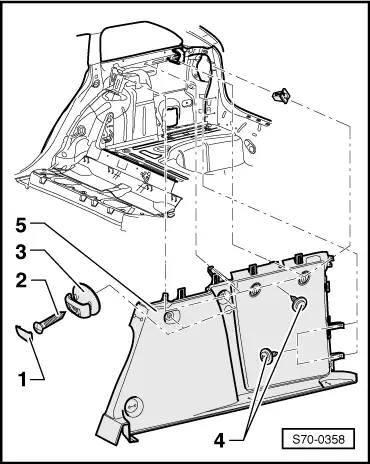
| Removing and installing the side luggage compartment trim panels (Octavia Combi II) |

Note | The following work procedure represents the removal and installation of the right luggage compartment trim panel. On the left side, a mirror-image procedure is applied for removal /installation. |
| –
| Removing support of the luggage compartment cover → Chapter. |
|
|
|