Octavia Mk2
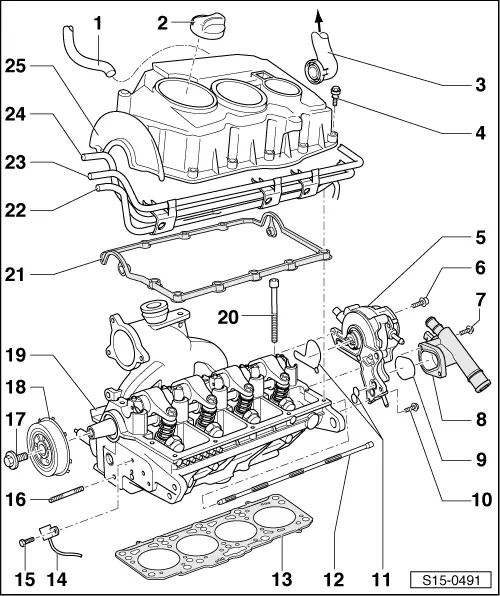
| Summary of components for engine with engine identification characters BMM |

| 1 - | Vacuum hose |
| q | for connecting piece of tandem pump / brake booster |
| 2 - | Screw cap |
| 3 - | Connecting tube |
| q | for crankcase ventilation |
| q | to suction hose |
| 4 - | Screw with spacer sleeve, 10 Nm |
| q | pay attention to sequence for loosening and tightening → Chapter |
| 5 - | Tandem pump |
| q | removing and installing → Chapter |
| q | check → Chapter |
| 6 - | 20 Nm |
| 7 - | 10 Nm |
| 8 - | Coolant flange |
| 9 - | O-ring |
| q | replace |
| 10 - | 10 Nm |
| 11 - | Gasket rings |
| q | replace |
| 12 - | Mixing tube |
| q | inserted in the head |
| q | pull out with hook |
| 13 - | Cylinder head gasket |
| q | replace → Chapter |
| q | Pay attention to the marking → Fig. |
| 14 - | Hall sender -G40- |
| q | for camshaft position |
| 15 - | 10 Nm |
| q | mount using locking agent -D 000 600 A2- |
| 16 - | 15 Nm |
| 17 - | 100 Nm |
| q | to release and tighten use counterholder -T10051- |
| 18 - | Hub |
| q | with sensor rotor for Hall sensor -G40- |
| q | to remove use extractor -T10052- |
| q | remove → Chapter |
| 19 - | Cylinder head |
| q | removing → Chapter |
| q | check for distortion → Fig. |
| q | installing → Chapter |
| q | after replacing fill entire system with fresh coolant |
| 20 - | Cylinder head bolt |
| q | replace |
| q | pay attention to order for slackening → Chapter |
| q | pay attention to order for tightening → Chapter |
| q | make sure that the washers arer inserted into the cylinder head |
| 21 - | Gasket for cylinder head cover |
| q | replace if damaged or leaking |
| q | press onto the spacer sleeves (Position 4) |
| q | before mounting, seal contact faces with sealing compound -D 454 300 A2- → Chapter |
| 22 - | Fuel return-flow line |
| 23 - | Fuel feed line |
| 24 - | Coolant lines |
| 25 - | Cylinder head cover |
| q | removing and installing → Chapter |

Note