toyota Workshop Repair Guides

Toyota Workshop Service and Repair Manuals

Skid Control ECU|Page 6744 > < Skid Control ECU|Page 6742
Page 1
background image

Electronic Brake Control Module: Service and Repair
Skid Control ECU (for TMMK Made)

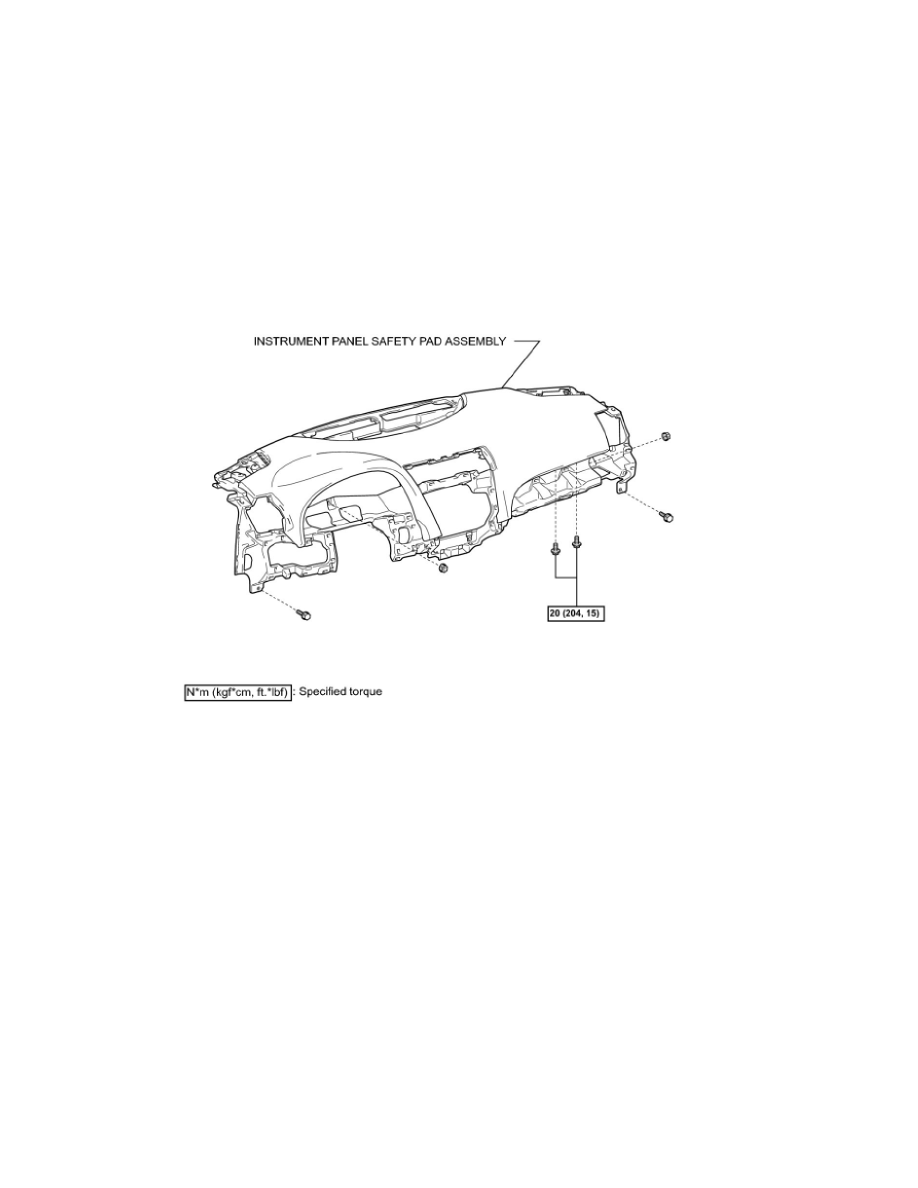
Components

BRAKE CONTROL: SKID CONTROL ECU (for TMMK Made): COMPONENTS

COMPONENTS

ILLUSTRATION

Skid Control ECU|Page 6744 > < Skid Control ECU|Page 6742