Golf Mk3
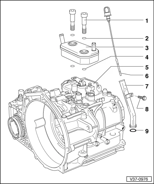
| Removing and installing ATF cooler and ATF filler tube |

| 1 - | Banjo bolt, 35 Nm |
| 2 - | O-ring |
| q | Always renew |
| 3 - | ATF cooler |
| 4 - | O-ring |
| q | Always renew |
| 5 - | Gearbox housing |
| 6 - | ATF dipstick |
| q | Check ATF level → Chapter |
| 7 - | ATF filler tube |
| 8 - | Bolt |
| 9 - | O-ring |
| q | Always renew |
