volkswagen Workshop Repair Guides

Volkswagen Workshop Service and Repair Manuals

Checking camshaft axial clearance > < Repairing valve gear
Assembly overview - valve gear
Assembly overview - valve gear
  Note
Cylinder heads which have cracks between the valve seats or between a valve seat insert and the spark plug thread can be used further without reducing service life, provided the cracks do not exceed a maximum of 0.5 mm in width, or when only the first turns of the spark plug thread are cracked.
   
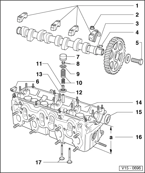
1 - Bearing cap
q   Installation position → Chapter
q   Installation sequence → Chapter, removing and installing camshaft
q   Lightly coat contact surface of bearing cap 1 with sealant -AMV 174 004 01-.
2 - 20 Nm
3 - Camshaft
q   Check axial clearance → Chapter
q   Removing and installing → Chapter
q   Check radial clearance with Plastigage, wear limit: 0.1 mm.
q   Runout: max. 0.01 mm
q   Identification and valve timing → Chapter.
4 - Woodruff key
q   Check for secure seating.
5 - 80 Nm
q   Use counterhold tool -3036- to loosen and tighten.
6 - Plug
q   Engine codes: AAM, ABS, ADZ, ANN, ANP
7 - Bucket tappet
q   Do not interchange.
q   With hydraulic valve clearance compensation
q   Check → Chapter.
q   Place down with contact surface facing downwards
q   Before installing, check camshaft axial clearance → Chapter.
q   Oil contact surface
8 - Cotters
9 - Upper valve spring plate
10 - Valve springs
q   Vehicles 11.94 ► only one valve spring
q   Removing and installing: with valve spring compressor -2037- installed: → Chapter.
11 - Valve stem seal
q   Renew → Chapter.
12 - Lower valve spring plate
q   Remove and install with puller -3047 A-.
q   Only vehicles ► 10.94
13 - Valve guide
q   Check → Chapter.
q   Renew → Chapter.
q   Repair guide with collar
14 - Cylinder head
q   Exchange cylinder heads with camshaft bearing shells → Chapter
q   See note → Chapter.
q   Reworking valve seats → Chapter.
15 - Seal
Install PTFE oil seals “dry”.
Lightly oil coil spring oil seals.
q   Renew → Chapter.
16 - Reworking dimension
q   Minimum height: a = 132.6 mm.
17 - Valves
q   Do not rework, only lapping-in is permitted.
q   Valve dimensions → Chapter.

   

Checking camshaft axial clearance > < Repairing valve gear