| –
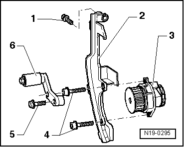
| Remove idler roller -6- by removing idler roller securing bolt -5-. |

Note | The idler roller -6- is only installed on engines with engine code BCA. |
| –
| Remove bolts -1- and -4- and rear toothed belt guard -2- and coolant pump -3-. |
| Installation is carried out in the reverse order. When installing, note the following: |
| –
| Insert coolant pump -3- in cylinder block and install securing bolt -4- together with rear toothed belt guard. |
| –
| Tighten securing bolts -4- to 20 Nm and -1- to 10 Nm. |
| –
| Install idler roller -6- and tighten securing bolt -5- to 50 Nm. |
| –
| Install and tension toothed belt → Chapter. |
|
|
|