Volvo Workshop Service and Repair Manuals
HOME
FEATURES
MENU
INDEX
ABOUT US
Diagram Information and Instructions|Page 2103 >
< Overdrive Relay <--> [Overdrive Relay, A/T]|Locations
240 L4-2320cc 2.3L SOHC B23F FI (1983)
Transmission and Drivetrain
Automatic Transmission/Transaxle
Sensors and Switches - A/T
Overdrive Switch - Transmission <--> [Overdrive Switch, A/T]
Component Information
Diagrams
Diagram Information and Instructions
Page 1
Overdrive Switch - Transmission: Diagram Information and Instructions
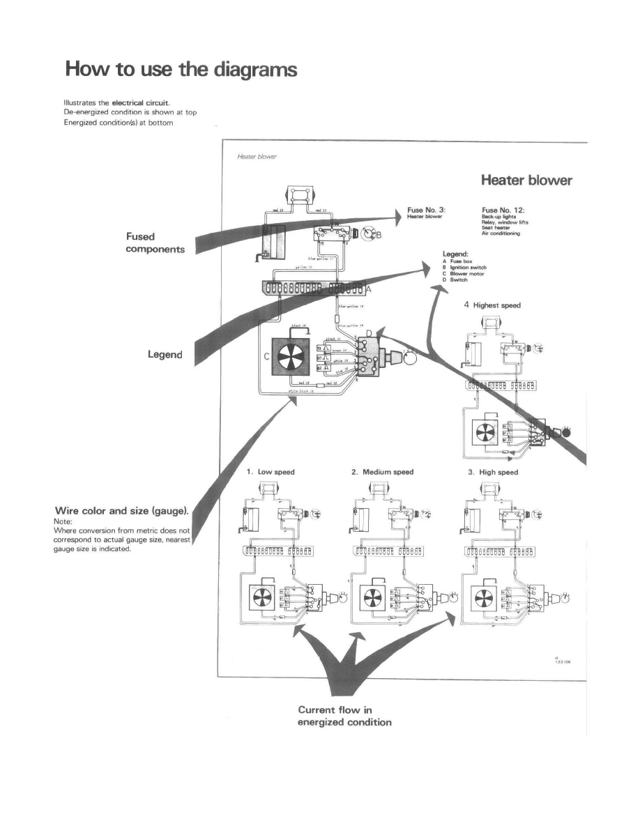
Reading Wiring Diagrams
Transmission and Drivetrain
Automatic Transmission/Transaxle
Sensors and Switches - A/T
Overdrive Switch - Transmission <--> [Overdrive Switch, A/T]
Component Information
Diagrams
Diagram Information and Instructions
Diagram Information and Instructions|Page 2103 >
< Overdrive Relay <--> [Overdrive Relay, A/T]|Locations