Volvo Workshop Service and Repair Manuals
HOME
FEATURES
MENU
INDEX
ABOUT US
Diagram Information and Instructions|Page 6717 >
< Diagram Information and Instructions|Page 6715
S80 2.9 L6-2.9L VIN 94 B6294S (2000)
Sensors and Switches
Sensors and Switches - Body and Frame
Sunroof / Moonroof Switch / Component Information
Diagrams / Diagram Information and Instructions
Page 6716
Page 4
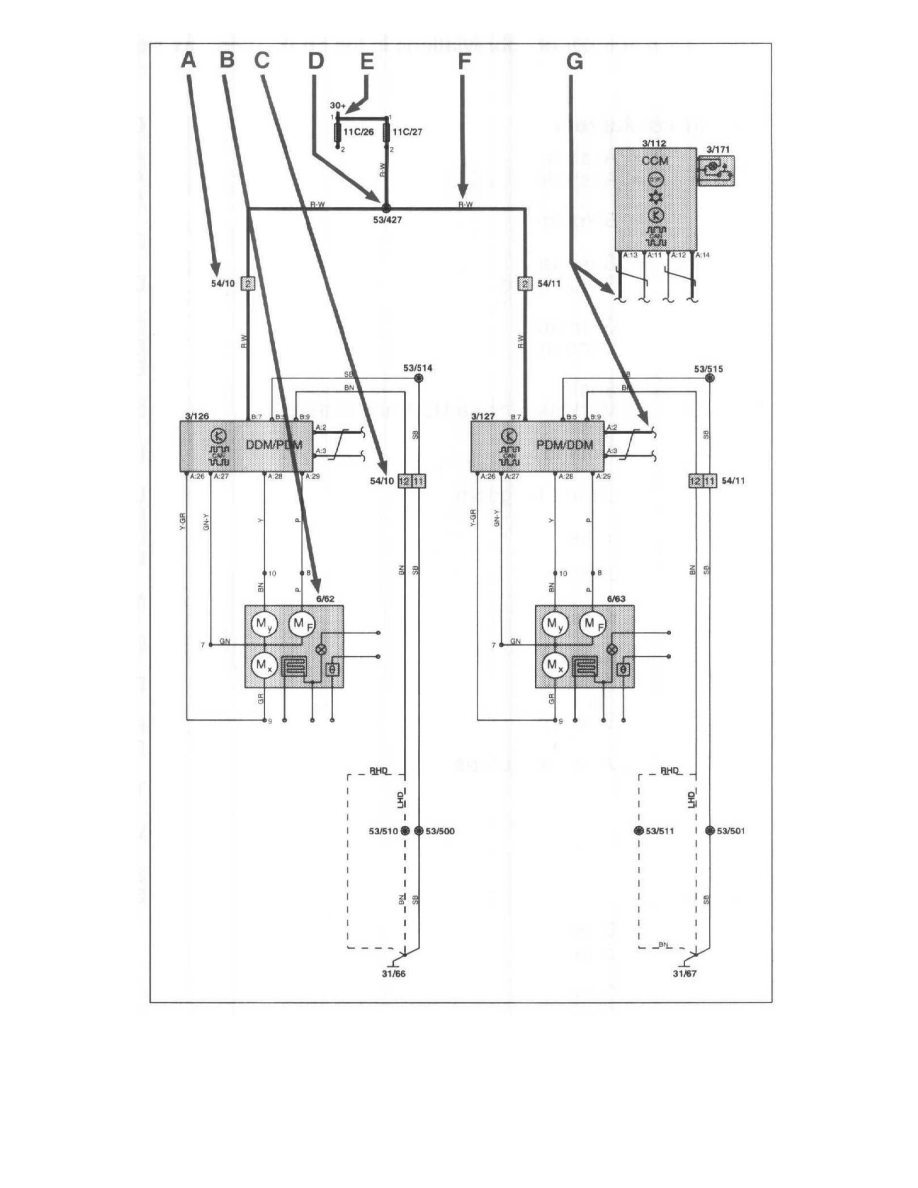
Component Designation Fig. 1
Sensors and Switches
Sensors and Switches - Body and Frame
Sunroof / Moonroof Switch / Component Information
Diagrams / Diagram Information and Instructions
Page 6716
Diagram Information and Instructions|Page 6717 >
< Diagram Information and Instructions|Page 6715