Lexus Workshop Service and Repair Manuals
HOME
FEATURES
MENU
INDEX
ABOUT US
Diagram Information and Instructions|Page 7864 >
< Diagram Information and Instructions|Page 7862
LS 430 V8-4.3L (3UZ-FE) (2002)
Lighting and Horns
Headlamp
Headlamp Alignment Control Module / Component Information
Diagrams / Diagram Information and Instructions
Page 7863
Page 2
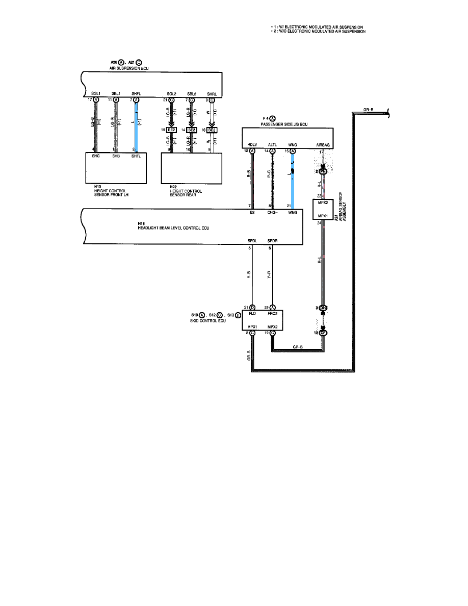
Headlight Beam Level Control Part 2
Lighting and Horns
Headlamp
Headlamp Alignment Control Module / Component Information
Diagrams / Diagram Information and Instructions
Page 7863
Diagram Information and Instructions|Page 7864 >
< Diagram Information and Instructions|Page 7862