Lexus Workshop Service and Repair Manuals
HOME
FEATURES
MENU
INDEX
ABOUT US
Diagram Information and Instructions|Page 7865 >
< Diagram Information and Instructions|Page 7863
LS 430 V8-4.3L (3UZ-FE) (2002)
Lighting and Horns
Headlamp
Headlamp Alignment Control Module / Component Information
Diagrams / Diagram Information and Instructions
Page 7864
Page 3
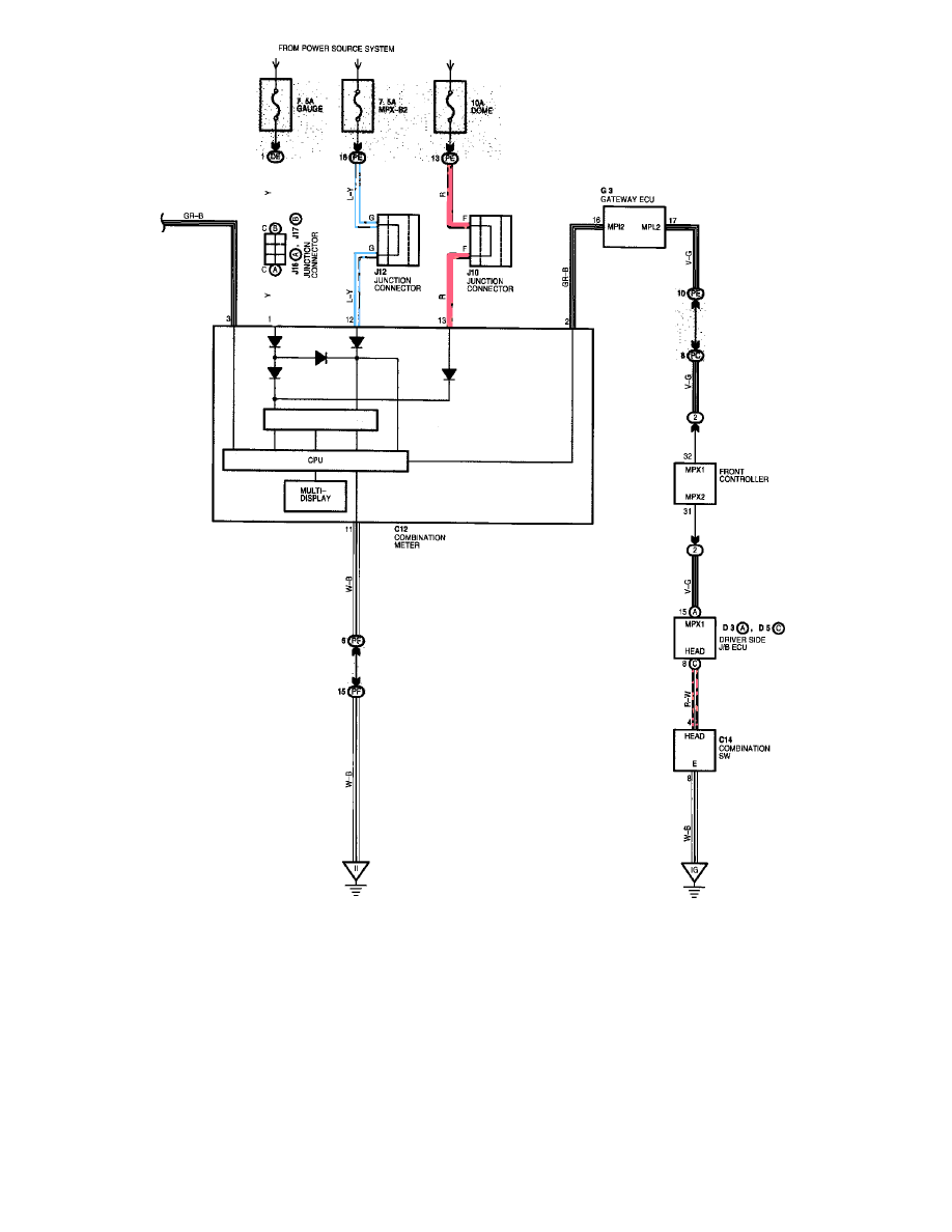
Headlight Beam Level Control Part 3
Lighting and Horns
Headlamp
Headlamp Alignment Control Module / Component Information
Diagrams / Diagram Information and Instructions
Page 7864
Diagram Information and Instructions|Page 7865 >
< Diagram Information and Instructions|Page 7863