Leon Mk1
|
|
|
|
|
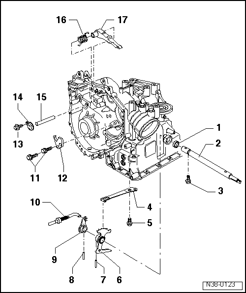
Note!| t | To remove and assemble the parking lock, remove the engine shaft along with the parking lock wheel and the slide box |
| t | Adjusting the multi-function switch → Fig. |

| 1 - | Oil seal |
| q | For the selector rod |
| q | Remove → Fig. |
| q | Fit → Fig. |
| 2 - | Selector rod |
| q | Dismantling and fitting → Fig. |
| q | When transporting the gear, avoid axial blows to the control lever shaft, as this could sever the screw → Item |
| 3 - | Bolt |
| q | 10 Nm |
| q | Fit the selector rod → Item to the the gearbox casing |
| 4 - | Control piece spring |
| q | Do not press excessively |
| 5 - | Bolt |
| q | 5 Nm |
| 6 - | Control part |
| 7 - | Support sleeve |
| q | For control part → Item |
| q | Release with a drift |
| q | Insert, tapping it after fitting the control part → Fig. |
| 8 - | Support sleeve |
| q | For the rod → Item |
| q | Release with a drift |
| q | Insert after placing the rod → Fig. |
| 9 - | Rod |
| q | Replace with the meshing lever item → Item before fitting it to the selector rod |
| 10 - | Meshing lever |
| q | Place into the selector rod along with the rod |
| 11 - | Bolt |
| q | 27 Nm |
| 12 - | Support tab |
| q | For the meshing lever |
| 13 - | Bolt |
| q | 5 Nm |
| 14 - | Cover |
| q | Secure the shaft for the retention lever |
| 15 - | Shaft for the retention lever |
| q | It can be fitted and removed by hand |
| 16 - | Recuperation spring |
| q | Dismantling and fitting → Fig. |
| 17 - | Retention lever |
| q | Dismantling and fitting → Fig. |
|
|
|
|
|
|
