Leon Mk1
|

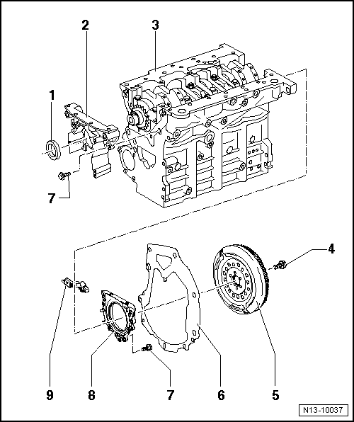
1 - | Oil seal |
q | Replacement → Chapter |
q | Do not grease or oil the seal lip of the seal |
q | Before fitting, clean the remains of oil on the crankshaft pivot using a clean cloth. |
2 - | Front sealing flange: |
q | Must sit on dowel sleeves |
q | Removing and fitting → Chapter |
3 - | cylinder block |
q | Crankshaft: removing and fitting → Chapter |
q | Piston and rod: disassembly and assembly → Chapter |
4 - | 60 Nm + 90° (1/4 turn) |
q | Replace. |
5 - | Flywheel |
q | Removing and fitting → Chapter |
q | Fitting is only possible in one position due to the asymmetric holes |
6 - | Intermediate plate |
q | Must sit on dowel sleeves |
q | Do not damage/bend when assembling |
q | It is fitted on sealing flange → Fig. |
7 - | 15 Nm |
q | Replace. |
8 - | Sealing flange with sealing ring |
q | Only replace the unit complete with the sealing ring and sender wheel |
q | Removing and fitting → Chapter |
9 - | Engine speed sender -G28-, 5 Nm |
q | Loosen and tighten using the articulated Allen key |
q | Removing and fitting → Chapter |
|
![]() |