Skoda Workshop Service and Repair Manuals
HOME
FEATURES
MENU
INDEX
ABOUT US
Removing and installing the central tube/dash panel >
< Removing and installing passenger glove compartment
Fabia Mk1
Body
Body Work
Trim, noise insulation / Dash panel
Removing and installing centre dash panel
Removing and installing centre dash panel
Removing and installing centre dash panel
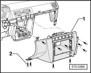
Removing
–
Remove the glove compartment on front pasenger's side
→ Chapter
.
–
Remove cover
-1-
.
–
Removing radio or radio-positioning system
→ Electrical System; Rep. Gr.91
.
–
Removing switch
-arrows-
→ Electrical System; Rep. Gr.96
.
–
Lever off covers
-2-
or remove can holder
→ Chapter
.
–
Lever off inner part of centre console
-1-
.
–
Pull off cover for heater control
-3-
.
–
Release screws
-4-
(1 Nm).
–
Release heater control
-2-
from dash panel
-1-
.
–
Unscrew screws
-2-
(1.4 Nm) and release the centre part of the dash panel
-1-
.
Install
Installation is carried out in the reverse order.
Body
Body Work
Trim, noise insulation / Dash panel
Removing and installing centre dash panel
Removing and installing the central tube/dash panel >
< Removing and installing passenger glove compartment