Octavia Mk2
| Engine with identification characters BJB |

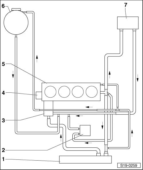
| 1 - | Radiator |
| q | removing and installing → Chapter |
| q | fill with fresh coolant after replacing → Chapter |
| 2 - | Oil cooler |
| q | fill with fresh coolant after replacing → Chapter |
| q | removing and installing → Chapter |
| 3 - | Coolant regulator |
| q | removing and installing → Chapter |
| q | check: heat up regulator in a water bath |
| q | Start of opening approx. 87 °C |
| q | Full opening approx. 102°C |
| q | Stroke min. 7 mm |
| 4 - | Coolant pump |
| q | removing and installing → Chapter |
| 5 - | Cylinder head/cylinder block |
| q | fill with fresh coolant after replacing → Chapter |
| 6 - | Expansion reservoir |
| q | with cap |
| q | Testing the pressure relief valve in the cap → Anchor |
| 7 - | Heat exchanger of heating system |
| q | fill with fresh coolant after replacing → Chapter |
