Skoda Workshop Service and Repair Manuals
HOME
FEATURES
MENU
INDEX
ABOUT US
Steering column RHD - vehicles with right-hand drive >
< Vehicle alignment
Yeti
Axles, steering
Steering
Electro-mechanical steering gear RHD - vehicles with right-hand drive
Removing steering gear
Removing steering gear
–
Disconnect battery
→ Electrical System; Rep. gr.27
.
–
Remove assembly carrier
→ Chapter
.
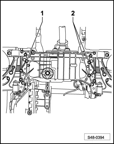
–
Unscrew screws for steering gear
-1-
and
-2-
from assembly carrier.
–
Raise the steering gear until the threaded bushings of the steering gear are pushed out of the assembly carrier.
–
Raise the steering gear.
Axles, steering
Steering
Electro-mechanical steering gear RHD - vehicles with right-hand drive
Steering column RHD - vehicles with right-hand drive >
< Vehicle alignment